 |
Український клуб фанів FIAT / CLUB UCRAINO TIFOSO DELLA FIAT
|
 |
| Предыдущая тема :: Следующая тема |
| Автор |
Сообщение |
шурік Италоманьячище


Возраст: 49 Знак зодиака:  Зарегистрирован: 14.04.2010 Сообщения: 1760 Откуда: Нетішин Хмельницька
Авто: Був Експерт 2011р.2.0 Зараз С4 гранд пікасо 1.6 2014р
|
Добавлено: Ср Окт 27, 2010 14:20 Заголовок сообщения: Re: Передние пртивотуманки Скудо |
|
|
| Aryll писал(а): | | Как таковых их не было;под капотом есть какие то лишние фишки;на гитаре включаются только задние на панели есть свободный выключатель возле аварийки.Кто нибудь подключал самостоятельно просветите заранее благодарен! |
Як там діла із противотуманками?Де фото?
|
|
| Вернуться к началу |
|
 |
Aryll Италоманьяк


Возраст: 53 Знак зодиака:  Зарегистрирован: 26.05.2010 Сообщения: 460 Откуда: Хмельницкая обл.г.Городок
Авто: Fiat Scudo 2.0jtd 2003г.в.
|
Добавлено: Ср Окт 27, 2010 21:56 Заголовок сообщения: |
|
|
| Протитуманки ще на шкафу новенькі жінка так загрузила ремонтом квартити що часу дуже не вистачає тай гараж піднімав бо по висоті не входив але десь через недільку думаю відрапортую!Я хочу заодне поставити підкрилки а їх мені ніяк не можуть автобізнесмени доставити.
|
|
| Вернуться к началу |
|
 |
шурік Италоманьячище


Возраст: 49 Знак зодиака:  Зарегистрирован: 14.04.2010 Сообщения: 1760 Откуда: Нетішин Хмельницька
Авто: Був Експерт 2011р.2.0 Зараз С4 гранд пікасо 1.6 2014р
|
Добавлено: Чт Окт 28, 2010 13:31 Заголовок сообщения: |
|
|
Я хочу заодне поставити підкрилки а їх мені ніяк не можуть автобізнесмени доставити.[/quote]
Мене підкрилки теж цікавлять,тож перед тим як ставити сфоткай,хочу побачити які вони,що закривають,яка ціна,де замоляв.
|
|
| Вернуться к началу |
|
 |
Aryll Италоманьяк


Возраст: 53 Знак зодиака:  Зарегистрирован: 26.05.2010 Сообщения: 460 Откуда: Хмельницкая обл.г.Городок
Авто: Fiat Scudo 2.0jtd 2003г.в.
|
Добавлено: Чт Окт 28, 2010 14:16 Заголовок сообщения: |
|
|
| Добре. замовляю з Хмельницького через свої автомагазини щоб не мотатись самому.Різниця в ціні невелика.А на вигляд вони такі ж як і всі пластмасові підкрилки.Але рідні є тільки передні;задні ніби від Москвича-2140 підходять.
|
|
| Вернуться к началу |
|
 |
шурік Италоманьячище


Возраст: 49 Знак зодиака:  Зарегистрирован: 14.04.2010 Сообщения: 1760 Откуда: Нетішин Хмельницька
Авто: Був Експерт 2011р.2.0 Зараз С4 гранд пікасо 1.6 2014р
|
Добавлено: Чт Окт 28, 2010 14:26 Заголовок сообщения: |
|
|
| Буду ждати фотки і ціну.а як зрозуміти " через свої автомагазини"? А чому не на базарі?
|
|
| Вернуться к началу |
|
 |
Aryll Италоманьяк


Возраст: 53 Знак зодиака:  Зарегистрирован: 26.05.2010 Сообщения: 460 Откуда: Хмельницкая обл.г.Городок
Авто: Fiat Scudo 2.0jtd 2003г.в.
|
Добавлено: Чт Окт 28, 2010 18:03 Заголовок сообщения: |
|
|
| Мої -це в моєму місті а вони в свою чергу везуть з базарів.Повторюю різниця в ціні не варта щоб їхати за ними самому.
|
|
| Вернуться к началу |
|
 |
Aryll Италоманьяк


Возраст: 53 Знак зодиака:  Зарегистрирован: 26.05.2010 Сообщения: 460 Откуда: Хмельницкая обл.г.Городок
Авто: Fiat Scudo 2.0jtd 2003г.в.
|
Добавлено: Пт Ноя 12, 2010 19:59 Заголовок сообщения: |
|
|
Наконец то прицепил!!
| Описание: |
|
| Размер: |
336.81 KB |
| Просмотрено: |
316 раз(а) |

|
|
|
| Вернуться к началу |
|
 |
шурік Италоманьячище


Возраст: 49 Знак зодиака:  Зарегистрирован: 14.04.2010 Сообщения: 1760 Откуда: Нетішин Хмельницька
Авто: Був Експерт 2011р.2.0 Зараз С4 гранд пікасо 1.6 2014р
|
Добавлено: Пт Ноя 12, 2010 20:25 Заголовок сообщения: |
|
|
| Противотуманкі непогані.З чого вони?Фотку можна було краще.
|
|
| Вернуться к началу |
|
 |
Aryll Италоманьяк


Возраст: 53 Знак зодиака:  Зарегистрирован: 26.05.2010 Сообщения: 460 Откуда: Хмельницкая обл.г.Городок
Авто: Fiat Scudo 2.0jtd 2003г.в.
|
Добавлено: Пт Ноя 12, 2010 20:57 Заголовок сообщения: |
|
|
| Вони з Улліса.Бампер був з вікнами.Я нафоткав багато але мені пише що розмір великий.
|
|
| Вернуться к началу |
|
 |
7595045 Италомафиози


Возраст: 48 Знак зодиака:  Зарегистрирован: 10.10.2011 Сообщения: 765 Откуда: Ровно
Авто: CITROEN JUMPI 1.6I CNG ,98 г.в/FIAT SCUDO 220L(2.0 16V) LPG 2003 г.в.
|
Добавлено: Ср Окт 26, 2011 15:08 Заголовок сообщения: |
|
|
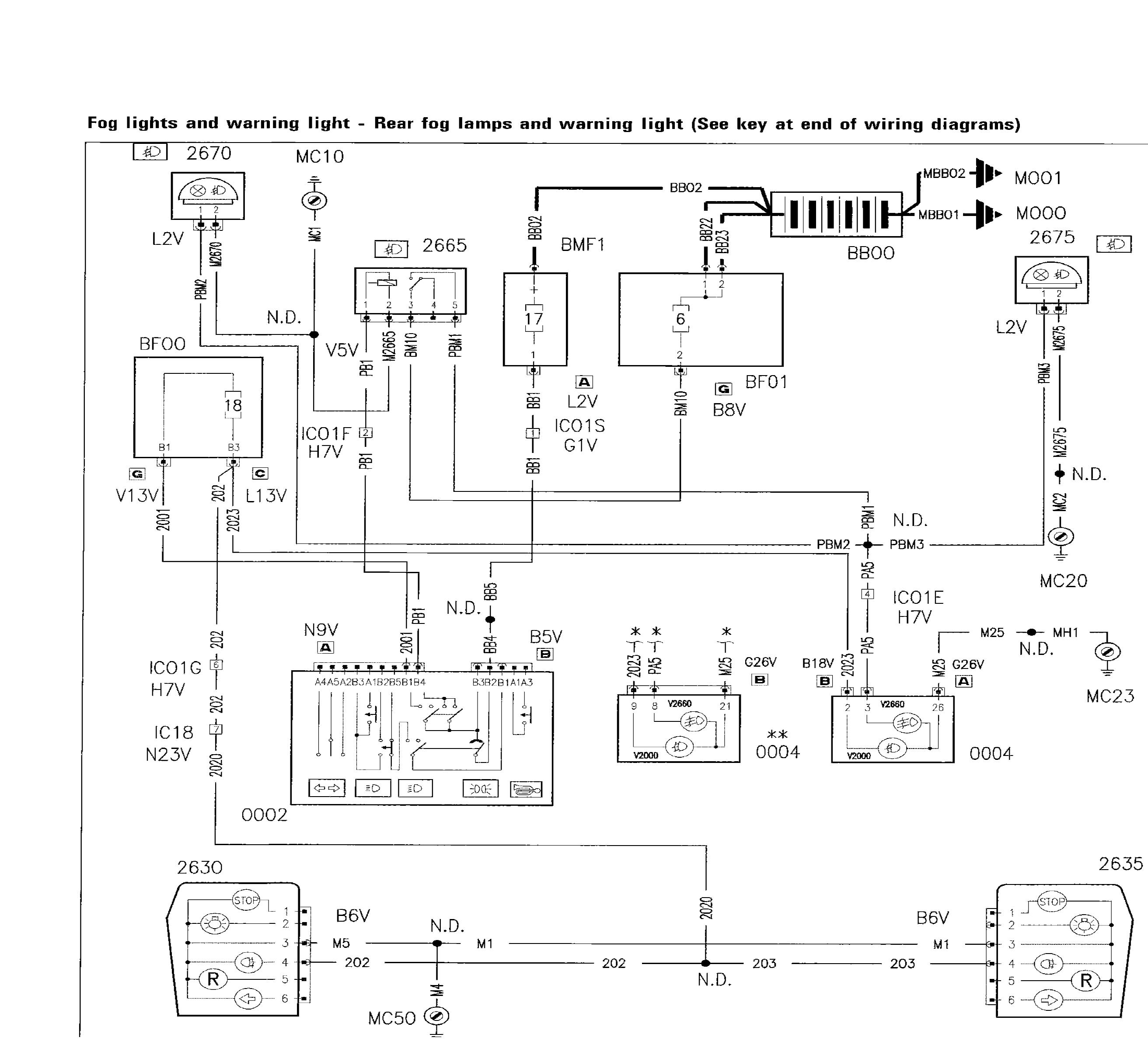
| Aryll писал(а): | | Подключил! Вот рецепт:разбираем защитный кожух руля, вытаскиваем переключатель габаритных огней и света фар, в фишке что пошире, обрезаем проводок желтого цвета (он идет к пустому контакту),зачищаем его и соединяем с проводком лилового цвета. Получается параллельное подключение с задними противотуманками.Да и в моторном отсеке предохранителей вставляем в фишку зеленого цвета жигулевское реле.При желании зад можно обрезать! |
а предохранитель где стоит????? релюшку всавлял...на выключатель не реагирует....
|
|
| Вернуться к началу |
|
 |
Aryll Италоманьяк


Возраст: 53 Знак зодиака:  Зарегистрирован: 26.05.2010 Сообщения: 460 Откуда: Хмельницкая обл.г.Городок
Авто: Fiat Scudo 2.0jtd 2003г.в.
|
Добавлено: Ср Окт 26, 2011 18:56 Заголовок сообщения: |
|
|
Реле должно быть с индентичной с родными схемой. У меня какое то тоже не реагировало.Предохранитель по моему тот же что на габариты.
А выводы заводские на противотуманки у тебя есть?
|
|
| Вернуться к началу |
|
 |
Vladimir TV Италомафиози


Возраст: 51 Знак зодиака:  Зарегистрирован: 25.07.2011 Сообщения: 1071 Откуда: Украина
Авто: Peugeot Expert, 2004 (2,0 HDI), RHX
|
Добавлено: Ср Окт 26, 2011 19:07 Заголовок сообщения: |
|
|
| Aryll писал(а): | | Добре. замовляю з Хмельницького через свої автомагазини щоб не мотатись самому.Різниця в ціні невелика.А на вигляд вони такі ж як і всі пластмасові підкрилки.Але рідні є тільки передні;задні ніби від Москвича-2140 підходять. |
Я слышал, что наоборот: спереди подходят от Москвича 2141, а на зад - от какого-то Опеля
|
|
| Вернуться к началу |
|
 |
7595045 Италомафиози


Возраст: 48 Знак зодиака:  Зарегистрирован: 10.10.2011 Сообщения: 765 Откуда: Ровно
Авто: CITROEN JUMPI 1.6I CNG ,98 г.в/FIAT SCUDO 220L(2.0 16V) LPG 2003 г.в.
|
Добавлено: Пт Окт 28, 2011 09:08 Заголовок сообщения: |
|
|
[quote="Aryll"]Реле должно быть с индентичной с родными схемой. У меня какое то тоже не реагировало.Предохранитель по моему тот же что на габариты.
А выводы заводские на противотуманки у тебя есть?
есть...под каждым крылом по проводу с фишкой....релюшку пробовал ставить в зеленое гнездо под капотом...никакой реакции-питание на фишки не подается...
|
|
| Вернуться к началу |
|
 |
Aryll Италоманьяк


Возраст: 53 Знак зодиака:  Зарегистрирован: 26.05.2010 Сообщения: 460 Откуда: Хмельницкая обл.г.Городок
Авто: Fiat Scudo 2.0jtd 2003г.в.
|
Добавлено: Пт Окт 28, 2011 18:37 Заголовок сообщения: |
|
|
[quote="7595045"][quote="Aryll"]Подключил! Вот рецепт:разбираем защитный кожух руля, вытаскиваем переключатель габаритных огней и света фар, в фишке что пошире, обрезаем проводок желтого цвета (он идет к пустому контакту),зачищаем его и соединяем с проводком лилового цвета. Получается параллельное подключение с задними противотуманками.Да и в моторном отсеке предохранителей вставляем в фишку зеленого цвета жигулевское реле.При желании зад можно обрезать!
Ты так сделал?
|
|
| Вернуться к началу |
|
 |
alex-lv Италоманьячище


Возраст: 30 Знак зодиака:  Зарегистрирован: 14.09.2009 Сообщения: 1306 Откуда: Львів
Авто: продано
|
|
| Вернуться к началу |
|
 |
|
|
Вы не можете начинать темы Вы не можете отвечать на сообщения Вы не можете редактировать свои сообщения Вы не можете удалять свои сообщения Вы не можете голосовать в опросах Вы не можете присоединять файлы в этом форуме Вы можете скачивать файлы в этом форуме
|
Powered by phpBB © 2001, 2005 phpBB Group
|