 |
Український клуб фанів FIAT / CLUB UCRAINO TIFOSO DELLA FIAT
|
 |
| Предыдущая тема :: Следующая тема |
| Автор |
Сообщение |
Godfather Оргкомитет клуба


Возраст: 38 Знак зодиака:  Зарегистрирован: 05.06.2006 Сообщения: 7967 Откуда: Киев
Авто: Peugeot 508 2.0HDI, Fiat Punto 188, 1.2, 16V, DL-TC46FHJ1AA (2002)
|
Добавлено: Чт Июн 09, 2011 00:52 Заголовок сообщения: |
|
|
Ааа... У меня на Дедре стоял эко-бокс, но то был именно угольный фильтр и соединялся он с вентиляцией бака, если память не изменяет...
_________________ Италоголизм не лечится...
***Хай згiне той, хто страцiушы сумленне, жалее укiнуць у Каппу "тры рублi". Ганьба яму! Кiдай у яго каменнi! У спякотны дзень не дай яму вады...!*** |
|
| Вернуться к началу |
|
 |
Валентин1024 Член клуба


Возраст: 36 Знак зодиака:  Зарегистрирован: 01.08.2010 Сообщения: 1081 Откуда: Киев
Авто: Fiat Panda 86 0.7->1.0,Fiat Coupe Turbo
|
Добавлено: Чт Июн 09, 2011 00:53 Заголовок сообщения: |
|
|
вот,у товарища Clarion оно работает еще как работает,спустя 20-ть лет,и говорит что,что то клацает,и что без него нельзя настроить нормально карб,дак вот если оно лишнее,так что же оно делает??? что регулирует???
_________________
 |
|
| Вернуться к началу |
|
 |
xan Италофан

Возраст: 60 Знак зодиака:  Зарегистрирован: 08.10.2007 Сообщения: 252 Откуда: Белгород Днестровский
Авто: Фиат Уно
|
Добавлено: Чт Июн 09, 2011 18:54 Заголовок сообщения: |
|
|
| Классная штука!!! КАК НАБОР ЗАПЧАСТЕЙ!!! Хорошегот качества релюшки, да и шлангочки нече.
|
|
| Вернуться к началу |
|
 |
KoliaLutsk777 Италоманьячище


Возраст: 37 Знак зодиака:  Зарегистрирован: 30.05.2010 Сообщения: 3109 Откуда: ЛУЦК
Авто: WV Golf 4, 74Kw 1.6
|
Добавлено: Чт Июн 09, 2011 19:06 Заголовок сообщения: |
|
|
| Так никто толком и не ответил какую функцию он выполняет....
|
|
| Вернуться к началу |
|
 |
xan Италофан

Возраст: 60 Знак зодиака:  Зарегистрирован: 08.10.2007 Сообщения: 252 Откуда: Белгород Днестровский
Авто: Фиат Уно
|
Добавлено: Чт Июн 09, 2011 19:13 Заголовок сообщения: |
|
|
| Управляет карбом,режим прогрева- режим хх-и полной нагрузки.Также управляет электроподогревом впускном коллекторе.
|
|
| Вернуться к началу |
|
 |
tonumber Италолюбитель


Возраст: 41 Знак зодиака:  Зарегистрирован: 28.11.2010 Сообщения: 82 Откуда: Lutsk
Авто: FIAT UNO 1.1 Suzuki Swift 1.6 sport
|
Добавлено: Чт Июн 09, 2011 20:30 Заголовок сообщения: |
|
|
http://forum.clubfiat.ru/index.php?showtopic=248 тут люди намагались розібратись
а взагалі то якась штука секретна
_________________ UNO 1.1
куплю корпус повітряного фільтра в доброму стані |
|
| Вернуться к началу |
|
 |
Валентин1024 Член клуба


Возраст: 36 Знак зодиака:  Зарегистрирован: 01.08.2010 Сообщения: 1081 Откуда: Киев
Авто: Fiat Panda 86 0.7->1.0,Fiat Coupe Turbo
|
Добавлено: Чт Июн 09, 2011 21:23 Заголовок сообщения: |
|
|
вот вот,и где найти что то конкретное???
_________________
 |
|
| Вернуться к началу |
|
 |
Uno Член клуба


Возраст: 53 Знак зодиака:  Зарегистрирован: 16.02.2009 Сообщения: 13804 Откуда: Киев Оболонь
Авто: Uno 45 (продан) , Uno 75sie (продан), Uno 1,3 turbo, Uno SX 70 1,3, Doblo 1,3 multijet
|
Добавлено: Чт Июн 09, 2011 21:47 Заголовок сообщения: |
|
|
от вам больше нечем заморочиться лучше заморочься вакумусилитель на ГТЦ поставить...
_________________ FuckFuelEconomy-Turbo Power I’m Lovin' it
турбік
добло |
|
| Вернуться к началу |
|
 |
Валентин1024 Член клуба


Возраст: 36 Знак зодиака:  Зарегистрирован: 01.08.2010 Сообщения: 1081 Откуда: Киев
Авто: Fiat Panda 86 0.7->1.0,Fiat Coupe Turbo
|
Добавлено: Чт Июн 09, 2011 23:08 Заголовок сообщения: |
|
|
дак,не заморачиваемся,пока интересуемся,мне кажется никто ничего лишнего создавать проектировать и разрабатывать не будет!!!
_________________
 |
|
| Вернуться к началу |
|
 |
Валентин1024 Член клуба


Возраст: 36 Знак зодиака:  Зарегистрирован: 01.08.2010 Сообщения: 1081 Откуда: Киев
Авто: Fiat Panda 86 0.7->1.0,Fiat Coupe Turbo
|
Добавлено: Сб Июн 11, 2011 20:32 Заголовок сообщения: |
|
|
Все как один,Пандоводы говорят что без экобокса не возможно правилньо настроить карбюратор!!!!!!!!!!!!,у меня два экобокса,один вроде живой!!!!,только релюха какая то внутри подкоротнула,разобрал прочистил от пыли,все проводочки целенькие,вообще внутри все в идеале,еще никто его ни разу не разбирал.....,буду ставить родной карбюратор,поставлю и эту приблуду,отпишусь что да как......
_________________
 |
|
| Вернуться к началу |
|
 |
xan Италофан

Возраст: 60 Знак зодиака:  Зарегистрирован: 08.10.2007 Сообщения: 252 Откуда: Белгород Днестровский
Авто: Фиат Уно
|
Добавлено: Вт Июн 14, 2011 09:38 Заголовок сообщения: |
|
|
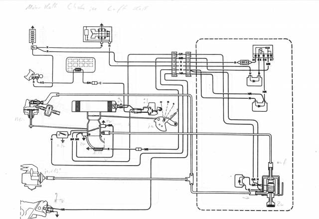
схем.[/img]
| Описание: |
|
| Размер: |
37.47 KB |
| Просмотрено: |
343 раз(а) |

|
|
|
| Вернуться к началу |
|
 |
Clarion Член клуба


Возраст: 37 Знак зодиака:  Зарегистрирован: 27.12.2008 Сообщения: 314 Откуда: Харьков
Авто: Fiat Panda 750 & Honda Civic 4D & Honda Accord Coupe 1999 LS
|
Добавлено: Сб Июн 18, 2011 12:38 Заголовок сообщения: |
|
|
экобокс это модуль управления двигателем,
Как работает:
Считывает сигналы с датчиков, и управляет различными клапанами и заслонками, допустим открыт потсос, стоит там датчик который потключается к экобоксу и он в свою очередь упраляет клапаном на карбе обогощая смесь для быстрой прогревки двигателя, также при нажатии на педаль клапан холостого хода закрывается, и т.д. и тому подобное, + вакумники тож к наму идут. тоесть без него всё работает но с ним типа лучше но и гемора больше
|
|
| Вернуться к началу |
|
 |
xan Италофан

Возраст: 60 Знак зодиака:  Зарегистрирован: 08.10.2007 Сообщения: 252 Откуда: Белгород Днестровский
Авто: Фиат Уно
|
Добавлено: Сб Июн 18, 2011 21:12 Заголовок сообщения: |
|
|
| +1
|
|
| Вернуться к началу |
|
 |
Uno Член клуба


Возраст: 53 Знак зодиака:  Зарегистрирован: 16.02.2009 Сообщения: 13804 Откуда: Киев Оболонь
Авто: Uno 45 (продан) , Uno 75sie (продан), Uno 1,3 turbo, Uno SX 70 1,3, Doblo 1,3 multijet
|
Добавлено: Сб Июн 18, 2011 22:25 Заголовок сообщения: |
|
|
Clarion
зачет... доходчиво и понятно...
я кой чего из этого незнал
| Цитата: | | без него всё работает но с ним типа лучше но и гемора больше |
а вот это в самую точку
_________________ FuckFuelEconomy-Turbo Power I’m Lovin' it
турбік
добло |
|
| Вернуться к началу |
|
 |
|
|
Вы не можете начинать темы Вы не можете отвечать на сообщения Вы не можете редактировать свои сообщения Вы не можете удалять свои сообщения Вы не можете голосовать в опросах Вы не можете присоединять файлы в этом форуме Вы можете скачивать файлы в этом форуме
|
Powered by phpBB © 2001, 2005 phpBB Group
|