 |
Український клуб фанів FIAT / CLUB UCRAINO TIFOSO DELLA FIAT
|
 |
| Предыдущая тема :: Следующая тема |
| Автор |
Сообщение |
Колобок Италомафиози


Возраст: 46 Знак зодиака:  Зарегистрирован: 11.03.2011 Сообщения: 982 Откуда: Тернопіль
Авто: FIAT SCUDO 2006 р.н. 2.0 JTD L2H1
|
Добавлено: Пн Янв 11, 2016 11:42 Заголовок сообщения: |
|
|
Підніму тему. Круіза на авто не було. Поставив кнопку, ричаг, кінцевик на педаль тормоза. В "мозгах" активували круізконтроль. А він не працює... Може ще йому щось треба? Може хто ставив собі?
_________________
067-790-69-45 |
|
| Вернуться к началу |
|
 |
Колобок Италомафиози


Возраст: 46 Знак зодиака:  Зарегистрирован: 11.03.2011 Сообщения: 982 Откуда: Тернопіль
Авто: FIAT SCUDO 2006 р.н. 2.0 JTD L2H1
|
|
| Вернуться к началу |
|
 |
Колобок Италомафиози


Возраст: 46 Знак зодиака:  Зарегистрирован: 11.03.2011 Сообщения: 982 Откуда: Тернопіль
Авто: FIAT SCUDO 2006 р.н. 2.0 JTD L2H1
|
Добавлено: Пн Янв 11, 2016 20:45 Заголовок сообщения: |
|
|
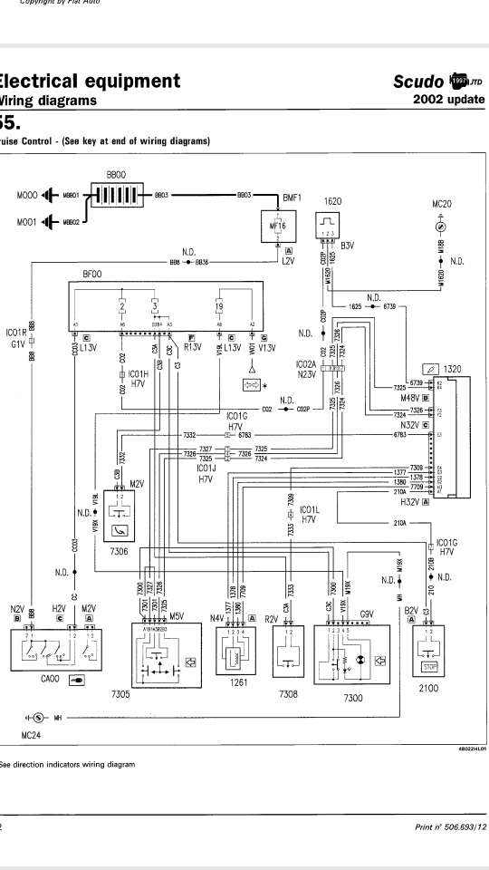
Ось схема. Кнопку поставив, ричаг керування теж. В компі активовано. Хто розбирається в електриці?
_________________
067-790-69-45 |
|
| Вернуться к началу |
|
 |
CreAtoR Италоманьячище


Возраст: 45 Знак зодиака:  Зарегистрирован: 05.11.2010 Сообщения: 25290 Откуда: Одеса
Авто: Fiat Ritmo60L(138В3.048) Lancia Dedra(835A8.046)
|
|
| Вернуться к началу |
|
 |
|
|
Вы не можете начинать темы Вы не можете отвечать на сообщения Вы не можете редактировать свои сообщения Вы не можете удалять свои сообщения Вы не можете голосовать в опросах Вы не можете присоединять файлы в этом форуме Вы можете скачивать файлы в этом форуме
|
Powered by phpBB © 2001, 2005 phpBB Group
|