 |
Український клуб фанів FIAT / CLUB UCRAINO TIFOSO DELLA FIAT
|
 |
| Предыдущая тема :: Следующая тема |
| Автор |
Сообщение |
Фиатолюбитель Италолюбитель


Возраст: 48 Знак зодиака:  Зарегистрирован: 12.12.2012 Сообщения: 51 Откуда: Полтава
Авто: Fiat "Doblo" 1.6 16v
|
Добавлено: Сб Июн 22, 2013 23:00 Заголовок сообщения: |
|
|
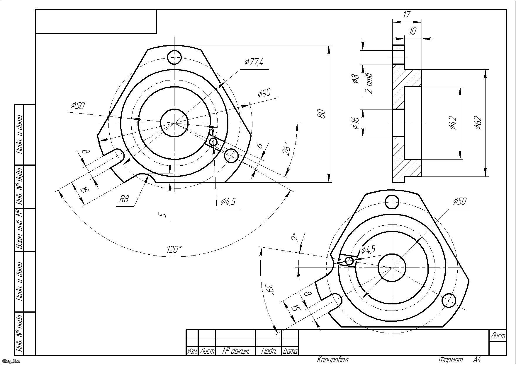
Sheriff,БОЛЬШОЕ СПАСИБО за совет.Напиши пожалуйста,сколько будут стоить у тебя кондуктора.Мне на заводе металоизделий сделали,только не уверен я что они правильные.Делали вот по этим чертежам
| Описание: |
|
| Размер: |
269.9 KB |
| Просмотрено: |
1469 раз(а) |

|
|
|
| Вернуться к началу |
|
 |
Фиатолюбитель Италолюбитель


Возраст: 48 Знак зодиака:  Зарегистрирован: 12.12.2012 Сообщения: 51 Откуда: Полтава
Авто: Fiat "Doblo" 1.6 16v
|
Добавлено: Сб Июн 22, 2013 23:10 Заголовок сообщения: |
|
|
Вот какие кондуктора получились
| Описание: |
|
| Размер: |
134.77 KB |
| Просмотрено: |
390 раз(а) |

|
| Описание: |
|
| Размер: |
138.17 KB |
| Просмотрено: |
689 раз(а) |

|
|
|
| Вернуться к началу |
|
 |
sheriff Италоманьячище

Возраст: 49 Знак зодиака:  Зарегистрирован: 17.01.2010 Сообщения: 2049 Откуда: Украина северодонецк
Авто: были фиаты теперь немец
|
Добавлено: Сб Июн 22, 2013 23:11 Заголовок сообщения: |
|
|
| Фиатолюбитель,ну ты не трать деньги зря,попробуй по своим кондукторам сначала выстави,у меня кондуктора тоже самодельные но чертеж автокадовский,точный,комплект(два кондуктора и ключ для натяжки ролика)стоят у меня 300 гривень
|
|
| Вернуться к началу |
|
 |
sheriff Италоманьячище

Возраст: 49 Знак зодиака:  Зарегистрирован: 17.01.2010 Сообщения: 2049 Откуда: Украина северодонецк
Авто: были фиаты теперь немец
|
Добавлено: Сб Июн 22, 2013 23:24 Заголовок сообщения: |
|
|
прикладывал сейчас свои кондуктора к твоим,неточно у тебя шпонки стоят,совсем немного но все же не так как надо,вот такие у меня,сравни
| Описание: |
|
| Размер: |
469.68 KB |
| Просмотрено: |
607 раз(а) |

|
|
|
| Вернуться к началу |
|
 |
Фиатолюбитель Италолюбитель


Возраст: 48 Знак зодиака:  Зарегистрирован: 12.12.2012 Сообщения: 51 Откуда: Полтава
Авто: Fiat "Doblo" 1.6 16v
|
Добавлено: Сб Июн 22, 2013 23:25 Заголовок сообщения: |
|
|
| Мне на заводе 250 грн. без ключа обошлось,а теперь голову ломаю-правильные они или нет.Пока попробую своими,а если что закажу твои.
|
|
| Вернуться к началу |
|
 |
sheriff Италоманьячище

Возраст: 49 Знак зодиака:  Зарегистрирован: 17.01.2010 Сообщения: 2049 Откуда: Украина северодонецк
Авто: были фиаты теперь немец
|
Добавлено: Сб Июн 22, 2013 23:26 Заголовок сообщения: |
|
|
| во всяком случае решай сам,я не навязываюсь
|
|
| Вернуться к началу |
|
 |
Фиатолюбитель Италолюбитель


Возраст: 48 Знак зодиака:  Зарегистрирован: 12.12.2012 Сообщения: 51 Откуда: Полтава
Авто: Fiat "Doblo" 1.6 16v
|
Добавлено: Сб Июн 22, 2013 23:34 Заголовок сообщения: |
|
|
| Просто хотелось бы иметь точный инструмент у себя и самому зажигание выставлять,а то я с этими местными мастерами уже сколько денег выкинул,а толку мало.
|
|
| Вернуться к началу |
|
 |
stirlitz Италоманьячище


Возраст: 51 Знак зодиака:  Зарегистрирован: 16.03.2008 Сообщения: 1668 Откуда: Херсон
Авто: AR 156 1.8 TS 2003. 2 gen. AR Alfetta 1,6 1 gen. 1974,
|
Добавлено: Сб Июн 22, 2013 23:47 Заголовок сообщения: |
|
|
В кондукторах достаточно ошибиться по 0,5 мм, и все будет не правильно.
По себе знаю.
Пока в Англии не купил, толку не было.
_________________ Я, пол-царства отдам за коня... |
|
| Вернуться к началу |
|
 |
Croma Италоманьячище


Возраст: 68 Знак зодиака:  Зарегистрирован: 30.11.2009 Сообщения: 6091 Откуда: Окупированный Харьков
Авто: Fiat Croma TURBO IE
|
Добавлено: Вс Июн 23, 2013 00:06 Заголовок сообщения: |
|
|
| Фиатолюбитель писал(а): | | Просто хотелось бы иметь точный инструмент у себя и самому зажигание выставлять,а то я с этими местными мастерами уже сколько денег выкинул,а толку мало. |
Про зажигание? это интерсно.
Трамлер от Жигуля применен?
|
|
| Вернуться к началу |
|
 |
Фиатолюбитель Италолюбитель


Возраст: 48 Знак зодиака:  Зарегистрирован: 12.12.2012 Сообщения: 51 Откуда: Полтава
Авто: Fiat "Doblo" 1.6 16v
|
Добавлено: Вс Июн 23, 2013 08:00 Заголовок сообщения: |
|
|
| Это я образно написал "зажигание"(местные мастера так говорят) имея ввиду фазы газораспределения.
|
|
| Вернуться к началу |
|
 |
Фиатолюбитель Италолюбитель


Возраст: 48 Знак зодиака:  Зарегистрирован: 12.12.2012 Сообщения: 51 Откуда: Полтава
Авто: Fiat "Doblo" 1.6 16v
|
Добавлено: Пт Июл 05, 2013 22:02 Заголовок сообщения: |
|
|
| Мастер заменил гидрики,выставил механизм ГРМ по моим кондукторам и проблема решилась наполовину.Теперь постоянно светится "Чек" и на бензине машина троит.Хотя на газу работает нормально,хлопков нет вообще.Буду ехать на комп.диагностику.У меня такой вопрос-комп.диагностика сможет определить неправильный угол механизма ГРМ?
|
|
| Вернуться к началу |
|
 |
avto-killer Amico

Возраст: 50 Знак зодиака:  Зарегистрирован: 05.01.2014 Сообщения: 9 Откуда: Харьков
Авто: добло 1,6
|
Добавлено: Вс Янв 05, 2014 19:40 Заголовок сообщения: |
|
|
| sheriff нужны фиксаторы валов,постов мало скинь координаты в личку,актуально недолго.
|
|
| Вернуться к началу |
|
 |
drew Amico

Возраст: 42 Знак зодиака:  Зарегистрирован: 02.08.2013 Сообщения: 3 Откуда: киев
Авто: doblo
|
Добавлено: Пн Апр 20, 2015 16:41 Заголовок сообщения: |
|
|
| sheriff нужны кондуктора 1.6.
|
|
| Вернуться к началу |
|
 |
Heet Италоманьячище


Возраст: 46 Знак зодиака:  Зарегистрирован: 16.01.2013 Сообщения: 3295 Откуда: Полтава
Авто: Fiat Doblo 1,3 MJTD 16V 75CV 55KW
|
Добавлено: Вт Апр 21, 2015 08:10 Заголовок сообщения: |
|
|
Фиатолюбитель пока не дочитал до фразы "в нашей деревне", не понимал что речь о Полтаве А можно в личку координаты и хороших и тех, кто налажал, мастеров. Для сохранения нервов и денег в будущем
|
|
| Вернуться к началу |
|
 |
Crazy1 Amico

Возраст: 36 Знак зодиака:  Зарегистрирован: 14.02.2016 Сообщения: 4 Откуда: Ровно
Авто: FIAT BRAVA
|
Добавлено: Чт Фев 18, 2016 19:36 Заголовок сообщения: |
|
|
| sheriff писал(а): | | прикладывал сейчас свои кондуктора к твоим,неточно у тебя шпонки стоят,совсем немного но все же не так как надо,вот такие у меня,сравни |
sheriff потрібні кондуктора 1.6 0973593965
|
|
| Вернуться к началу |
|
 |
|
|
Вы не можете начинать темы Вы не можете отвечать на сообщения Вы не можете редактировать свои сообщения Вы не можете удалять свои сообщения Вы не можете голосовать в опросах Вы не можете присоединять файлы в этом форуме Вы можете скачивать файлы в этом форуме
|
Powered by phpBB © 2001, 2005 phpBB Group
|