 |
Український клуб фанів FIAT / CLUB UCRAINO TIFOSO DELLA FIAT
|
 |
| Предыдущая тема :: Следующая тема |
| Автор |
Сообщение |
vitaliys Италомафиози


Возраст: 44 Знак зодиака:  Зарегистрирован: 09.10.2008 Сообщения: 849 Откуда: Деражня
Авто: FIAT Tempra 1.9 D 1994
|
Добавлено: Вт Мар 17, 2009 17:03 Заголовок сообщения: фаркоп на темпру |
|
|
здрасте люди добрые может у кого эсть снятый или не в западло залезть под машину и померять а если еще и рисунок то оч признателен, и еще интересует обязательно ли резать бампер или есть модификиции при которых бампер не трогают.? спасибо
_________________
 |
|
| Вернуться к началу |
|
 |
Master Почетный кидала

Возраст: 38 Знак зодиака:  Зарегистрирован: 12.10.2006 Сообщения: 7747 Откуда: Киев
Авто: VW Transporter T5 2.5TDI 2007гв,Fiat Tempra 1.9TDs DGT+clima 96г.в(бешеный трактор)
|
Добавлено: Вт Мар 17, 2009 17:18 Заголовок сообщения: |
|
|
Их есть два вида у меня стоит фаркоп,бампер резал сантиметров 5 на нижней губе,видно только с низу,производитель какая то немецкая фирма специально под темпру,вечером выложу фотку
_________________ Безумие-это наш запасной Выход!!!©Street NRG
VW Transporter T5 2.5TDI 2007гв(174л.с)(большoй Икарус)
Fiat Tempra 1.6 ie=>Fiat Tempra 1.9TDs DGT+clima,96г.в(TURBO трактор)
067 763 30 38 |
|
| Вернуться к началу |
|
 |
vitaliys Италомафиози


Возраст: 44 Знак зодиака:  Зарегистрирован: 09.10.2008 Сообщения: 849 Откуда: Деражня
Авто: FIAT Tempra 1.9 D 1994
|
Добавлено: Вт Мар 17, 2009 17:21 Заголовок сообщения: |
|
|
Master
а на фотке размеры можеш поставить
_________________
 |
|
| Вернуться к началу |
|
 |
AND Италомафиози

Возраст: 66 Знак зодиака:  Зарегистрирован: 24.04.2007 Сообщения: 1151 Откуда: Вышгород
Авто: Fiat TIPO 1.4 --- Geely Emgrand
|
Добавлено: Вт Мар 17, 2009 21:26 Заголовок сообщения: |
|
|
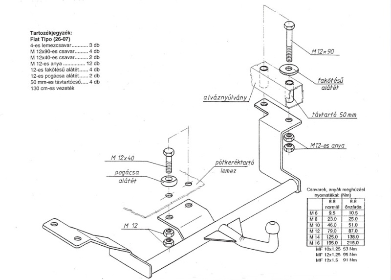
b]vitaliys[/b]
Не знаю подойдёт ли на Темпру, но посмотри.
| Описание: |
|
| Размер: |
79.92 KB |
| Просмотрено: |
560 раз(а) |

|
|
|
| Вернуться к началу |
|
 |
Master Почетный кидала

Возраст: 38 Знак зодиака:  Зарегистрирован: 12.10.2006 Сообщения: 7747 Откуда: Киев
Авто: VW Transporter T5 2.5TDI 2007гв,Fiat Tempra 1.9TDs DGT+clima 96г.в(бешеный трактор)
|
Добавлено: Вт Мар 17, 2009 21:33 Заголовок сообщения: |
|
|
вот как у меня стоит с размером не помогу пока
_________________ Безумие-это наш запасной Выход!!!©Street NRG
VW Transporter T5 2.5TDI 2007гв(174л.с)(большoй Икарус)
Fiat Tempra 1.6 ie=>Fiat Tempra 1.9TDs DGT+clima,96г.в(TURBO трактор)
067 763 30 38 |
|
| Вернуться к началу |
|
 |
Godfather Оргкомитет клуба


Возраст: 38 Знак зодиака:  Зарегистрирован: 05.06.2006 Сообщения: 7967 Откуда: Киев
Авто: Peugeot 508 2.0HDI, Fiat Punto 188, 1.2, 16V, DL-TC46FHJ1AA (2002)
|
Добавлено: Вт Мар 17, 2009 21:34 Заголовок сообщения: |
|
|
Багажник бы замазал для приличия
_________________ Италоголизм не лечится...
***Хай згiне той, хто страцiушы сумленне, жалее укiнуць у Каппу "тры рублi". Ганьба яму! Кiдай у яго каменнi! У спякотны дзень не дай яму вады...!*** |
|
| Вернуться к началу |
|
 |
vitaliys Италомафиози


Возраст: 44 Знак зодиака:  Зарегистрирован: 09.10.2008 Сообщения: 849 Откуда: Деражня
Авто: FIAT Tempra 1.9 D 1994
|
Добавлено: Вт Мар 17, 2009 23:05 Заголовок сообщения: |
|
|
AND
и
Master
примного благодарен
_________________
 |
|
| Вернуться к началу |
|
 |
|
|
Вы не можете начинать темы Вы не можете отвечать на сообщения Вы не можете редактировать свои сообщения Вы не можете удалять свои сообщения Вы не можете голосовать в опросах Вы не можете присоединять файлы в этом форуме Вы можете скачивать файлы в этом форуме
|
Powered by phpBB © 2001, 2005 phpBB Group
|