 |
Український клуб фанів FIAT / CLUB UCRAINO TIFOSO DELLA FIAT
|
 |
| Предыдущая тема :: Следующая тема |
| Автор |
Сообщение |
Juks Италофан

Возраст: 46 Знак зодиака:  Зарегистрирован: 10.12.2008 Сообщения: 105 Откуда: Россия, Владимир
Авто: Tempra, 91 г. 2.0 ie
|
Добавлено: Вт Авг 04, 2009 11:00 Заголовок сообщения: Масло в трамблере. |
|
|
Трамблер стоит на выпускном распредвалу.
Стало выгонять масло из корпуса распредвала в трамблер и начались проблемы с зажиганием, т.к. под крышкой все в масле, плюс картер сцепления и коробка вся в грязи.
Подскажите как герметизируется распредвал? По eper-у никакого сальника там не видно.
|
|
| Вернуться к началу |
|
 |
DIN Италоманьячище


Возраст: 57 Знак зодиака:  Зарегистрирован: 30.03.2006 Сообщения: 7610 Откуда: г.Харьков
Авто: 155 1993г.в. + Джульетта 1984г.в.
|
Добавлено: Вт Авг 04, 2009 12:37 Заголовок сообщения: |
|
|
сальник там стоит. точно. я менял, запись не найду только
вернее не сальник а резиновое уплотнительное кольцо
_________________ лучше с другом потерять чем с дураком найти |
|
| Вернуться к началу |
|
 |
Pentagon Италолюбитель


Возраст: 38 Знак зодиака:  Зарегистрирован: 02.06.2009 Сообщения: 62 Откуда: Белгород
Авто: Fiat Punto II с аэрографией;))
|
Добавлено: Вт Авг 04, 2009 12:44 Заголовок сообщения: |
|
|
| там 2 сальника стоит, с двух сторон(спереди и сзади),ток фчера поменял их и ОК!15 минут делов...
|
|
| Вернуться к началу |
|
 |
Makc007 Рулевой филиала

Возраст: 40 Знак зодиака:  Зарегистрирован: 25.12.2008 Сообщения: 935 Откуда: Украина Крым Симферополь
Авто: Volkswagen Golf IV '03 г.в. - Служебный
|
Добавлено: Вт Авг 04, 2009 12:46 Заголовок сообщения: |
|
|
масло может течь в трех случаях:
1 не пригодна прокладка между распредвалом и кожухом;
2 не пригодно уплотнительное кольцо на распределителе;
3 не пригоден сальник на распредвале.
_________________
А, так, пацаны, Fiat... Такая только у меня и у Майкла Джексона |
|
| Вернуться к началу |
|
 |
Juks Италофан

Возраст: 46 Знак зодиака:  Зарегистрирован: 10.12.2008 Сообщения: 105 Откуда: Россия, Владимир
Авто: Tempra, 91 г. 2.0 ie
|
Добавлено: Вт Авг 04, 2009 13:05 Заголовок сообщения: |
|
|
Подскажите размеры или код сальника.
По eper пробиваются только сальники распредвалов со стороны шкивов ГРМ (52х30х7 с правым кручением). Exist тоже только такие предлагает, а там должно по логике вещей быть левое кручение.
Вот кольцо eper показывает, сегодня заказал, завтра должны привезти.
И все-таки, есть ли там сальник? Или только резиновое кольцо на трамблере?
|
|
| Вернуться к началу |
|
 |
Pentagon Италолюбитель


Возраст: 38 Знак зодиака:  Зарегистрирован: 02.06.2009 Сообщения: 62 Откуда: Белгород
Авто: Fiat Punto II с аэрографией;))
|
Добавлено: Вт Авг 04, 2009 13:54 Заголовок сообщения: |
|
|
| вот оригинальные номера 2х сальников 9938590 и 9938841
|
|
| Вернуться к началу |
|
 |
Juks Италофан

Возраст: 46 Знак зодиака:  Зарегистрирован: 10.12.2008 Сообщения: 105 Откуда: Россия, Владимир
Авто: Tempra, 91 г. 2.0 ie
|
Добавлено: Вт Авг 04, 2009 14:26 Заголовок сообщения: |
|
|
| Pentagon писал(а): | | вот оригинальные номера 2х сальников 9938590 и 9938841 |
У меня по VIN пробивается только 9938590. Второго в моей комплектации нет. В соответствии с eper - это два резиновых кольца, но на Exist разница в стоимости довольно ощутимая: 46 и 439 рублей соответственно.
Что эти сальники представляют из себя на самом деле?
|
|
| Вернуться к началу |
|
 |
Pentagon Италолюбитель


Возраст: 38 Знак зодиака:  Зарегистрирован: 02.06.2009 Сообщения: 62 Откуда: Белгород
Авто: Fiat Punto II с аэрографией;))
|
Добавлено: Вт Авг 04, 2009 14:35 Заголовок сообщения: |
|
|
| 9938590 - ето простое тонкое кольцо,ставица между двумя поворотными частями трамблера,а 9938841 ето толстое кольцо стивица на шток бегунка со стороны крышки трамблера ща мож картинку найду
|
|
| Вернуться к началу |
|
 |
Juks Италофан

Возраст: 46 Знак зодиака:  Зарегистрирован: 10.12.2008 Сообщения: 105 Откуда: Россия, Владимир
Авто: Tempra, 91 г. 2.0 ie
|
Добавлено: Вт Авг 04, 2009 14:38 Заголовок сообщения: |
|
|
| Pentagon писал(а): | | 9938590 - ето простое тонкое кольцо,ставица между двумя поворотными частями трамблера,а 9938841 ето толстое кольцо стивица на шток бегунка со стороны крышки трамблера ща мож картинку найду |
То есть, если у меня идет масло из корпуса распредвала, то достаточно поменять только первое?
|
|
| Вернуться к началу |
|
 |
Pentagon Италолюбитель


Возраст: 38 Знак зодиака:  Зарегистрирован: 02.06.2009 Сообщения: 62 Откуда: Белгород
Авто: Fiat Punto II с аэрографией;))
|
Добавлено: Вт Авг 04, 2009 14:40 Заголовок сообщения: |
|
|
Вот
| Описание: |
| сальники подходят на фсе машины типо-темпра и на многие другие |
|
| Размер: |
8.4 KB |
| Просмотрено: |
9279 раз(а) |

|
|
|
| Вернуться к началу |
|
 |
Pentagon Италолюбитель


Возраст: 38 Знак зодиака:  Зарегистрирован: 02.06.2009 Сообщения: 62 Откуда: Белгород
Авто: Fiat Punto II с аэрографией;))
|
Добавлено: Вт Авг 04, 2009 14:41 Заголовок сообщения: |
|
|
| Juks писал(а): | | То есть, если у меня идет масло из корпуса распредвала, то достаточно поменять только первое? |
лучше поменяй 2 и забудь о них почти нафсегда)))
|
|
| Вернуться к началу |
|
 |
Juks Италофан

Возраст: 46 Знак зодиака:  Зарегистрирован: 10.12.2008 Сообщения: 105 Откуда: Россия, Владимир
Авто: Tempra, 91 г. 2.0 ie
|
Добавлено: Вт Авг 04, 2009 14:50 Заголовок сообщения: |
|
|
| Pentagon писал(а): | | Juks писал(а): | | То есть, если у меня идет масло из корпуса распредвала, то достаточно поменять только первое? |
лучше поменяй 2 и забудь о них почти нафсегда))) |
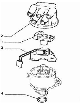
У меня вот такая конструкция, если верить eper-у.
В любом случае придется разбирать и смотреть, что и как.
Спасибо за участие.
| Описание: |
|
| Размер: |
16.24 KB |
| Просмотрено: |
516 раз(а) |

|
|
|
| Вернуться к началу |
|
 |
Хрюкин Италоманьячище

Возраст: 55 Знак зодиака:  Зарегистрирован: 21.03.2009 Сообщения: 2975 Откуда: Россия, Нижний Новгород, Автозавод
Авто: SATURN VUE 2.2
|
Добавлено: Вт Авг 04, 2009 21:24 Заголовок сообщения: |
|
|
Что-то картинки каие-то скверные. На 2.0 совершенно точно стоит:
1)резиновое кольцо на корпусе распределителя, в месте сопряжения корпус распределителя/отверстие опоры распределителя.
2)сальник ротора распределителя ( под опорой датчика "фазы" ). Этот
сальник дохнет в следствие старости, высокой температуры, а так же в следствие износа верхнего подшипника скольжения ( где бегунок стоит ) - большое биение. Сальник покупал в Нижнем за 20 рублей в фирме, торгующей резинотехническими изделиями и подшипниками.
Если надо, размеры сальника выложу.
ЗЫ: льёт рекой из-под сальника.
|
|
| Вернуться к началу |
|
 |
Juks Италофан

Возраст: 46 Знак зодиака:  Зарегистрирован: 10.12.2008 Сообщения: 105 Откуда: Россия, Владимир
Авто: Tempra, 91 г. 2.0 ie
|
Добавлено: Вт Авг 04, 2009 21:56 Заголовок сообщения: |
|
|
| Хрюкин писал(а): | Что-то картинки каие-то скверные. На 2.0 совершенно точно стоит:
1)резиновое кольцо на корпусе распределителя, в месте сопряжения корпус распределителя/отверстие опоры распределителя.
2)сальник ротора распределителя ( под опорой датчика "фазы" ). Этот
сальник дохнет в следствие старости, высокой температуры, а так же в следствие износа верхнего подшипника скольжения ( где бегунок стоит ) - большое биение. Сальник покупал в Нижнем за 20 рублей в фирме, торгующей резинотехническими изделиями и подшипниками.
Если надо, размеры сальника выложу.
ЗЫ: льёт рекой из-под сальника. |
Будь добр, дай размеры сальника.
|
|
| Вернуться к началу |
|
 |
Хрюкин Италоманьячище

Возраст: 55 Знак зодиака:  Зарегистрирован: 21.03.2009 Сообщения: 2975 Откуда: Россия, Нижний Новгород, Автозавод
Авто: SATURN VUE 2.2
|
Добавлено: Вт Авг 04, 2009 21:57 Заголовок сообщения: |
|
|
Да! забыл сказать- под номером 4 может быть не сальник, а шайба скольжения из текстолита, или что-то вроде него. Себе эту шайбу выточил из фторопласта.
Когда пытался заказать сальник ротора в магазине, выяснилось, что он идёт всборе с распределителем.
|
|
| Вернуться к началу |
|
 |
|
|
Вы не можете начинать темы Вы не можете отвечать на сообщения Вы не можете редактировать свои сообщения Вы не можете удалять свои сообщения Вы не можете голосовать в опросах Вы не можете присоединять файлы в этом форуме Вы можете скачивать файлы в этом форуме
|
Powered by phpBB © 2001, 2005 phpBB Group
|