Сайт Українського клуба фанів FIAT Український клуб фанів FIAT / CLUB UCRAINO TIFOSO DELLA FIAT

 
ФотогалереяФотогалерея   FAQFAQ   ПоискПоиск   ПользователиПользователи   ГруппыГруппы   РегистрацияРегистрация 
 ПрофильПрофиль   Войти и проверить личные сообщенияВойти и проверить личные сообщения   ВходВход 

Про печку

 
Начать новую тему   Ответить на тему    Список форумов Український клуб фанів FIAT / CLUB UCRAINO TIFOSO DELLA FIAT -> FIAT Tipo, FIAT Tempra
Предыдущая тема :: Следующая тема  
Автор Сообщение
oosimvol
Италомафиози


Италомафиози

Возраст: 48
Знак зодиака: Стрелец
Зарегистрирован: 04.02.2008
Сообщения: 932
Откуда: Одесса

Авто: Fiat Tipo 1.4 Solex

СообщениеДобавлено: Чт Дек 17, 2009 20:49    Заголовок сообщения: Про печку Ответить с цитатой

Что может быть причиной холодной печки
Термостат стоит новый, температура под 90, помпа от какого-то уно (подсунули на рынке) с немного большим шкивом, кран печки новый оригинальный, радиатор печки магнетти марелли промытый изнутри горячей водой, потом промывкой системы охлаждения (снаружи от пыли не продувал), вентилятор печки с темпры 94 г.в. (сначала пищал на холодную, теперь постоянно), полярность нормальная.
Из сопел дует не так хорошо, как хотелось бы, правда теплым (есть с чем сравнить - у друга темпра с електронной печкой жарит так, что руки-ноги реально обжигает).
п.с. Вчера в пробке за 3 часа лобовые стекла при минус 6 сверху обмерзли, в ноги замерз.
п.п.с.Такое правительство (в том числе и бывшое) надо в шею гнать, все гаишники попрятались в норы, дорожной техники нет, причинами заторов вечером становились кизяки, которые днем можно было исправить.
Вернуться к началу
Посмотреть профиль Отправить личное сообщение
Андрей К
Италоманьячище


Италоманьячище

Возраст: 53
Знак зодиака: Стрелец
Зарегистрирован: 19.06.2006
Сообщения: 6990
Откуда: Кривой Рог

Авто: Tempra 1.9TDs DGT & AR145TD (когда-то Uno D & "зубило")

СообщениеДобавлено: Чт Дек 17, 2009 22:42    Заголовок сообщения: Ответить с цитатой

Снимай обшивку по печке и смотри положения заслонок. Только сначала проверь температуру патрубков на печке, если не кипяток, то либо кран не открывается, либо голова пробита и гонит газы в охлаждения (тогда печка холодная).
_________________
Вернуться к началу
Посмотреть профиль Отправить личное сообщение Отправить e-mail
Perepic
Италоманьячище


Италоманьячище

Возраст: 43
Знак зодиака: Телец
Зарегистрирован: 15.02.2008
Сообщения: 4742
Откуда: Харьков, Киев

Авто: Tempra 92' -> Renault Megane II 06'

СообщениеДобавлено: Чт Дек 17, 2009 22:48    Заголовок сообщения: Ответить с цитатой

У меня тож кран плохо открывается. На зиму приходится его "доворачивать" в крайнее верхнее положение ручками. Тогда греет хорошо.
_________________
Эпоксидка - лучший друг французкой машины. Доказано мной.
Вернуться к началу
Посмотреть профиль Отправить личное сообщение
MEL
Италолюбитель


Италолюбитель

Возраст: 42
Знак зодиака: Овен
Зарегистрирован: 07.05.2009
Сообщения: 78
Откуда: Киев

Авто: FIAT TIPO 1,6 DOHC ДААЗ

СообщениеДобавлено: Чт Дек 17, 2009 22:49    Заголовок сообщения: Ответить с цитатой

у меня на tipo4ke подобная проблема... уже к, счастью, БЫЛА! Решил на скору руку следующим образом: отсоединил тросик управления краном печки от тяги управления(небольшой пластмассовый рычажок на кранике) и вручную потянул заслонку крана - внутри чет щелкнуло - подумал, что сломал, а нет - сразу теплее стало ощутимо! единственный минус - не могу от переключателя управлять краном, но это пока не важно... удачи
_________________
0976598734
Вернуться к началу
Посмотреть профиль Отправить личное сообщение Отправить e-mail
Vaschek
Италоманьячище


Италоманьячище

Возраст: 50
Знак зодиака: Дева
Зарегистрирован: 25.07.2008
Сообщения: 4501
Откуда: Киевские мы

Авто: VW Passat B3 / Peugeot 106

СообщениеДобавлено: Чт Дек 17, 2009 23:01    Заголовок сообщения: Ответить с цитатой

Вопрос?! А за сколько у вас прогревается салон?
Сегодня завёл машину без проблем, выкурил сигарету и поехал..., печка в 2м положении, обледенело лобовое внутри процарапал обзор ногтями... от офиса до дома 3,5км, салон прогрелся и стекло начало оттаивать только при подьезде к дому...
Печка работает, вентиль крутит хоть и пищит, двигло 0,9 что делать? Греть минут 20 на холостых или наматывать кругов 20 по двору?

_________________
Морква на городi, У саду бджола.
Жаба на болотi Крила розвела.
Хоче полетiти, Тихо каже "Ква!"
Але в небо взмити Hе дає Москва.
Вернуться к началу
Посмотреть профиль Отправить личное сообщение Отправить e-mail
=aleks=
Италоманьячище


Италоманьячище

Возраст: 49
Знак зодиака: Лев
Зарегистрирован: 06.10.2009
Сообщения: 8633
Откуда: Харьков

Авто: была Tempra2.0 теперьTоyota carina-e 93 1.6

СообщениеДобавлено: Пт Дек 18, 2009 00:34    Заголовок сообщения: Ответить с цитатой

Vaschek
у меня лично вот при таких морозах минут 7 и тогда, не ташкент но градусов +15 в салоне есть.

_________________
Бортовик Темпра
Вернуться к началу
Посмотреть профиль Отправить личное сообщение
Vaschek
Италоманьячище


Италоманьячище

Возраст: 50
Знак зодиака: Дева
Зарегистрирован: 25.07.2008
Сообщения: 4501
Откуда: Киевские мы

Авто: VW Passat B3 / Peugeot 106

СообщениеДобавлено: Пт Дек 18, 2009 01:28    Заголовок сообщения: Ответить с цитатой

Я в Пассате тоже не заморачиваюсь... 5мин и можно куртку снимать Smile , а это Пыжик...
Я так понимаю просто движок не успевает нагреться до нужных температур, надо наверно закрывать чем-то радиатор (картонкой) ... Confused

_________________
Морква на городi, У саду бджола.
Жаба на болотi Крила розвела.
Хоче полетiти, Тихо каже "Ква!"
Але в небо взмити Hе дає Москва.
Вернуться к началу
Посмотреть профиль Отправить личное сообщение Отправить e-mail
oosimvol
Италомафиози


Италомафиози

Возраст: 48
Знак зодиака: Стрелец
Зарегистрирован: 04.02.2008
Сообщения: 932
Откуда: Одесса

Авто: Fiat Tipo 1.4 Solex

СообщениеДобавлено: Пт Дек 18, 2009 01:38    Заголовок сообщения: Ответить с цитатой

Vaschek писал(а):
Я в Пассате тоже не заморачиваюсь... 5мин и можно куртку снимать Smile , а это Пыжик...
Я так понимаю просто движок не успевает нагреться до нужных температур, надо наверно закрывать чем-то радиатор (картонкой) ... Confused

С картонкой можно закипеть. Термостат наверное не закрывается.
Вернуться к началу
Посмотреть профиль Отправить личное сообщение
Vaschek
Италоманьячище


Италоманьячище

Возраст: 50
Знак зодиака: Дева
Зарегистрирован: 25.07.2008
Сообщения: 4501
Откуда: Киевские мы

Авто: VW Passat B3 / Peugeot 106

СообщениеДобавлено: Пт Дек 18, 2009 01:52    Заголовок сообщения: Ответить с цитатой

Всё лето не кипел, а зимой закиплю? Smile
_________________
Морква на городi, У саду бджола.
Жаба на болотi Крила розвела.
Хоче полетiти, Тихо каже "Ква!"
Але в небо взмити Hе дає Москва.
Вернуться к началу
Посмотреть профиль Отправить личное сообщение Отправить e-mail
oosimvol
Италомафиози


Италомафиози

Возраст: 48
Знак зодиака: Стрелец
Зарегистрирован: 04.02.2008
Сообщения: 932
Откуда: Одесса

Авто: Fiat Tipo 1.4 Solex

СообщениеДобавлено: Пт Дек 18, 2009 20:47    Заголовок сообщения: Ответить с цитатой

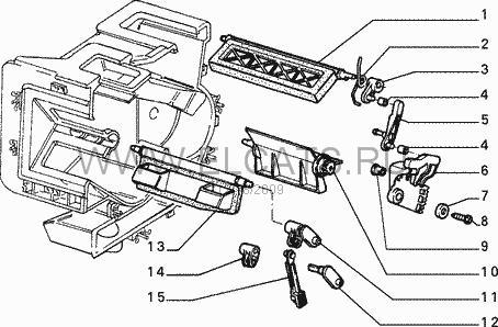
Сегодня снял вентилятор отопителя, даже провода не снимал и напшикал на втулки вд40 - стало тише работать. Кроме того перезакрепил тяжку 15 так, чтобы заслонка холодного воздуха была максимально закрыта. В результате печка задула намного горячее.
На все потрачено 5 минут.
Кстати, элемент 12 на рисунке у меня отломан предыдущими пользователями, кран закрываю-открываю из под торпеды пальцами. Хочется реанимировать конструкцию. Может кто-нибуть делал такое. В езисте указаны 2 вида рычажков. При запросе цены видает каталожный номер 4 672 2302 - 144,73 грн. Рисунка нет.



ImageHandler.jpg
 Описание:
 Размер:  35.95 KB
 Просмотрено:  231 раз(а)

ImageHandler.jpg


Вернуться к началу
Посмотреть профиль Отправить личное сообщение
Александр.М
Италомафиози


Италомафиози

Возраст: 40
Знак зодиака: Дева
Зарегистрирован: 07.06.2007
Сообщения: 756
Откуда: ПИТЕР

Авто: Tipo 1.6 моновпрыск 1990г

СообщениеДобавлено: Сб Дек 19, 2009 00:42    Заголовок сообщения: Ответить с цитатой

пусть краник постоянно открыт, незачем его перекрывать если работает воздушная заслонка - холодный\горячий воздух
Вернуться к началу
Посмотреть профиль Отправить личное сообщение
finenko
Италоманьячище


Италоманьячище

Возраст: 50
Знак зодиака: Телец
Зарегистрирован: 16.10.2006
Сообщения: 2271
Откуда: Днепр

Авто: был UNO 1,4ies, Tempra 1,6ie, теперь Stilo 1,6

СообщениеДобавлено: Сб Дек 19, 2009 00:51    Заголовок сообщения: Ответить с цитатой

oosimvol писал(а):
При запросе цены видает каталожный номер 4 672 2302 - 144,73 грн. Рисунка нет.

Я за 150грн. корпус печки целиком тебе продам Laughing
Вернуться к началу
Посмотреть профиль Отправить личное сообщение
Master
Почетный кидала



Возраст: 38
Знак зодиака: Стрелец
Зарегистрирован: 12.10.2006
Сообщения: 7747
Откуда: Киев

Авто: VW Transporter T5 2.5TDI 2007гв,Fiat Tempra 1.9TDs DGT+clima 96г.в(бешеный трактор)

СообщениеДобавлено: Сб Дек 19, 2009 00:52    Заголовок сообщения: Ответить с цитатой

Александр.М писал(а):
пусть краник постоянно открыт, незачем его перекрывать если работает воздушная заслонка - холодный\горячий воздух

+1

_________________
Безумие-это наш запасной Выход!!!©Street NRG
VW Transporter T5 2.5TDI 2007гв(174л.с)(большoй Икарус)
Fiat Tempra 1.6 ie=>Fiat Tempra 1.9TDs DGT+clima,96г.в(TURBO трактор)
067 763 30 38
Вернуться к началу
Посмотреть профиль Отправить личное сообщение Отправить e-mail
Андрей К
Италоманьячище


Италоманьячище

Возраст: 53
Знак зодиака: Стрелец
Зарегистрирован: 19.06.2006
Сообщения: 6990
Откуда: Кривой Рог

Авто: Tempra 1.9TDs DGT & AR145TD (когда-то Uno D & "зубило")

СообщениеДобавлено: Сб Дек 19, 2009 10:30    Заголовок сообщения: Ответить с цитатой

Master
Только летом я не мог добиться толку от кондишина, пока не заменил краник печки, заслонка полностью не перекрывает. Хотя зимой для тепла наверное побарабану.

_________________
Вернуться к началу
Посмотреть профиль Отправить личное сообщение Отправить e-mail
Показать сообщения:   
Начать новую тему   Ответить на тему    Список форумов Український клуб фанів FIAT / CLUB UCRAINO TIFOSO DELLA FIAT -> FIAT Tipo, FIAT Tempra Часовой пояс: GMT + 3
Страница 1 из 1

 
Перейти:  
Вы не можете начинать темы
Вы не можете отвечать на сообщения
Вы не можете редактировать свои сообщения
Вы не можете удалять свои сообщения
Вы не можете голосовать в опросах
Вы не можете присоединять файлы в этом форуме
Вы можете скачивать файлы в этом форуме






Powered by phpBB © 2001, 2005 phpBB Group
З питань розміщення реклами писати на цю адресу