 |
Український клуб фанів FIAT / CLUB UCRAINO TIFOSO DELLA FIAT
|
 |
| Предыдущая тема :: Следующая тема |
| Автор |
Сообщение |
Зелений Италофан


Возраст: 53 Знак зодиака:  Зарегистрирован: 06.05.2010 Сообщения: 135 Откуда: Обухів
Авто: Lancia Prisma 1,9ТД; FIAT Doblo 1.3 multijet
|
Добавлено: Ср Окт 20, 2010 14:04 Заголовок сообщения: Потрібна ел. схема на Добло 1,3 |
|
|
| Ошень нуженама ел. схема на Добло 1,3 МЖТ на мануалах не знайшов, елерн взагалі жах.
|
|
| Вернуться к началу |
|
 |
Ігор Италофан


Возраст: 53 Знак зодиака:  Зарегистрирован: 21.08.2007 Сообщения: 281 Откуда: Kiev
Авто: Fiat Doblo 1,6/16V 2003
|
Добавлено: Ср Окт 20, 2010 21:59 Заголовок сообщения: |
|
|
Что конкретно нужно?
_________________ Поступай с людьми так,как хочешь чтобы поступали с тобой.
Главное ,чтобы главное оставалось главным.
Умение обращаться с техникой это у нас семейное. |
|
| Вернуться к началу |
|
 |
Зелений Италофан


Возраст: 53 Знак зодиака:  Зарегистрирован: 06.05.2010 Сообщения: 135 Откуда: Обухів
Авто: Lancia Prisma 1,9ТД; FIAT Doblo 1.3 multijet
|
Добавлено: Ср Окт 20, 2010 22:45 Заголовок сообщения: |
|
|
Потрібно підключення ЦЗ, розпіновка по дротам від дверей та до блоків.
_________________ Нація житиме доти, доки житимуть чоловіки, готові за неї воювати. |
|
| Вернуться к началу |
|
 |
Ігор Италофан


Возраст: 53 Знак зодиака:  Зарегистрирован: 21.08.2007 Сообщения: 281 Откуда: Kiev
Авто: Fiat Doblo 1,6/16V 2003
|
Добавлено: Пн Окт 25, 2010 23:39 Заголовок сообщения: |
|
|
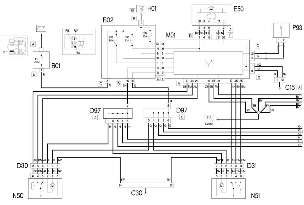
| Зелений писал(а): | | Потрібно підключення ЦЗ, розпіновка по дротам від дверей та до блоків. | Мой Елерн выдал такое.
| Описание: |
|
| Размер: |
112.66 KB |
| Просмотрено: |
691 раз(а) |

|
| Описание: |
|
| Размер: |
61.25 KB |
| Просмотрено: |
693 раз(а) |

|
| Описание: |
|
| Размер: |
90.93 KB |
| Просмотрено: |
1743 раз(а) |

|
_________________ Поступай с людьми так,как хочешь чтобы поступали с тобой.
Главное ,чтобы главное оставалось главным.
Умение обращаться с техникой это у нас семейное. |
|
| Вернуться к началу |
|
 |
Helpix Италолюбитель


Возраст: 36 Знак зодиака:  Зарегистрирован: 05.06.2010 Сообщения: 82 Откуда: Харьков
Авто: В ожидании Fiat Doblo 1.4 Cargo, пока что Dacia Logan 1.4
|
Добавлено: Вт Окт 26, 2010 01:17 Заголовок сообщения: |
|
|
| доброй ночи, а скажите плиз, универсальные привода центральных замков становятся? если да, до под каким наклоном? быть может кто-то знает?
|
|
| Вернуться к началу |
|
 |
Stas_Bar Италомафиози


Возраст: 54 Знак зодиака:  Зарегистрирован: 02.02.2009 Сообщения: 967 Откуда: Киев
Авто: Fiat Doblo Maxi 1,9Multijet
|
Добавлено: Вт Окт 26, 2010 08:26 Заголовок сообщения: |
|
|
Helpix
| Цитата: | | доброй ночи, а скажите плиз, универсальные привода центральных замков становятся? |
Нет. По крайней мере я не встречал еще, что бы кто-то поставил. Тема уже была. Воспльзуйся поиском.
_________________ Стас |
|
| Вернуться к началу |
|
 |
Зелений Италофан


Возраст: 53 Знак зодиака:  Зарегистрирован: 06.05.2010 Сообщения: 135 Откуда: Обухів
Авто: Lancia Prisma 1,9ТД; FIAT Doblo 1.3 multijet
|
Добавлено: Ср Окт 27, 2010 08:03 Заголовок сообщения: |
|
|
Елерн у мене також є, але такі схемки де взялися, чи може я не повністю роздуплив Елерн?
_________________ Нація житиме доти, доки житимуть чоловіки, готові за неї воювати. |
|
| Вернуться к началу |
|
 |
=Avtorarytet= Италоманьячище


Возраст: 38 Знак зодиака:  Зарегистрирован: 13.05.2008 Сообщения: 1875 Откуда: Україна
Авто: Alfa Romeo 155 1.7TS 93' + Fiat Doblo 1.9Mjet 06'
|
Добавлено: Ср Окт 27, 2010 09:51 Заголовок сообщения: |
|
|
Helpix, універсальні ставлять на ура, тільки там є якийсь секрет... Який - не знаю. По-моєму, там окремий трос на тягу і проблема в ньому. здається...
Метод тика пробував?
|
|
| Вернуться к началу |
|
 |
Muzzy Италоманьячище


Возраст: 49 Знак зодиака:  Зарегистрирован: 30.09.2008 Сообщения: 2005 Откуда: Киев
Авто: Doblo 1.4i 06, Doblo 1.4i 08,Doblo 1.3d 06,Doblo 1.9 d 07
|
Добавлено: Ср Окт 27, 2010 10:31 Заголовок сообщения: |
|
|
=Avtorarytet=
Ставлять то ставлять але я з наскоку не зрозумів як)
_________________ Начальник автопарка))) |
|
| Вернуться к началу |
|
 |
=Avtorarytet= Италоманьячище


Возраст: 38 Знак зодиака:  Зарегистрирован: 13.05.2008 Сообщения: 1875 Откуда: Україна
Авто: Alfa Romeo 155 1.7TS 93' + Fiat Doblo 1.9Mjet 06'
|
Добавлено: Ср Окт 27, 2010 14:27 Заголовок сообщения: |
|
|
Да я не знаю. Бачив одним оком, що в дверях тяги стояли знизу і тросік як заводський (я про Добло без штатного ЦЗ). Власник казав, що проблема була з цими тросами, але зробили...
Нуно глянути на сам замок, може готове місце для троса вже є, залишається тягу примудрувати...
ХЗ!
|
|
| Вернуться к началу |
|
 |
Helpix Италолюбитель


Возраст: 36 Знак зодиака:  Зарегистрирован: 05.06.2010 Сообщения: 82 Откуда: Харьков
Авто: В ожидании Fiat Doblo 1.4 Cargo, пока что Dacia Logan 1.4
|
Добавлено: Ср Окт 27, 2010 23:06 Заголовок сообщения: |
|
|
| Я уже и замок вынимал притулял привод к нему, там вся хитрость в тяге (если не тросик, а пруток с привода идет) ее под каким то углом ставить нужно и выгнуть еще своеобразно, ну в общем день пропарился, не помогло.
|
|
| Вернуться к началу |
|
 |
Helpix Италолюбитель


Возраст: 36 Знак зодиака:  Зарегистрирован: 05.06.2010 Сообщения: 82 Откуда: Харьков
Авто: В ожидании Fiat Doblo 1.4 Cargo, пока что Dacia Logan 1.4
|
Добавлено: Ср Окт 27, 2010 23:08 Заголовок сообщения: |
|
|
А место есть и по моему я даже два нашел, но одно реально заводское, там дырочка на язычке под тросик походу...
|
|
| Вернуться к началу |
|
 |
=Avtorarytet= Италоманьячище


Возраст: 38 Знак зодиака:  Зарегистрирован: 13.05.2008 Сообщения: 1875 Откуда: Україна
Авто: Alfa Romeo 155 1.7TS 93' + Fiat Doblo 1.9Mjet 06'
|
Добавлено: Ср Окт 27, 2010 23:28 Заголовок сообщения: |
|
|
Helpix, напрям правильний, тільки тяга до ду..и, треба саме трос.
Якщо тягу, то електропривод треба ставити безпосередньо біля замка...
Гемор, короч
|
|
| Вернуться к началу |
|
 |
Muzzy Италоманьячище


Возраст: 49 Знак зодиака:  Зарегистрирован: 30.09.2008 Сообщения: 2005 Откуда: Киев
Авто: Doblo 1.4i 06, Doblo 1.4i 08,Doblo 1.3d 06,Doblo 1.9 d 07
|
Добавлено: Чт Окт 28, 2010 00:41 Заголовок сообщения: |
|
|
цікаво якщо купити на розборці рідний електрозамок важко вставити ?
_________________ Начальник автопарка))) |
|
| Вернуться к началу |
|
 |
=Avtorarytet= Италоманьячище


Возраст: 38 Знак зодиака:  Зарегистрирован: 13.05.2008 Сообщения: 1875 Откуда: Україна
Авто: Alfa Romeo 155 1.7TS 93' + Fiat Doblo 1.9Mjet 06'
|
Добавлено: Чт Окт 28, 2010 13:11 Заголовок сообщения: |
|
|
Ледь визвонив майстра.
Казав, що ориг електротяга з тросом просто защолкується в замок.
ХЗ, нуно спочатку подивитися на сам замок
|
|
| Вернуться к началу |
|
 |
|
|
Вы не можете начинать темы Вы не можете отвечать на сообщения Вы не можете редактировать свои сообщения Вы не можете удалять свои сообщения Вы не можете голосовать в опросах Вы не можете присоединять файлы в этом форуме Вы можете скачивать файлы в этом форуме
|
Powered by phpBB © 2001, 2005 phpBB Group
|