 |
Український клуб фанів FIAT / CLUB UCRAINO TIFOSO DELLA FIAT
|
 |
| Предыдущая тема :: Следующая тема |
| Автор |
Сообщение |
arial Amico

Возраст: 71 Знак зодиака:  Зарегистрирован: 03.05.2008 Сообщения: 43 Откуда: Санкт Петербург
Авто: Fiat Tempra SX 1.8 (1993), теперь Albea 1,4 (2008)...
|
Добавлено: Пт Мар 25, 2011 20:12 Заголовок сообщения: Снова отказывается заводиться Темпра 1,8. |
|
|
Выглядит это так.
Во первых постоянно горит лампа "Check engine" - та которая с рисунком форсунки.
Стартер крутит без проблем, аккумулятор свежий.
Иногда после 20 секунд работы стартера пытается "чихнуть". Тогда на пару секунд гаснет "Check engine".
Проверил датчики: температуры охлаждайки синего цвета, датчик фазы, датчик коленвала. Живые.
Очень похоже на "науку о контактах".
Если вдруг заведется - дальше работает без проблем, без провалов, ровно, на любых оборотах
Вчера было так - 2 часа танцы с бубном, потом открутил колесо поглядеть на датчик коленвала, пошевелил провод,
сбегал на работу за тестером - померять (померла не дома, а рядом с работой) После этого завелась сразу - погасла лампочка и с "полтыка"
Сегодня - никак.
Может кто знает - отчего именно - от какого набора ошибок горит лампа "Check engine"
Подскажите, знатоки, где еще пнуть?
|
|
| Вернуться к началу |
|
 |
Хрюкин Италоманьячище

Возраст: 55 Знак зодиака:  Зарегистрирован: 21.03.2009 Сообщения: 2975 Откуда: Россия, Нижний Новгород, Автозавод
Авто: SATURN VUE 2.2
|
Добавлено: Пт Мар 25, 2011 20:40 Заголовок сообщения: |
|
|
У меня такой лампы на 2.0 вовсе нет, но твоя показывает тупо, что в системе впрыска/зажигания есть устойчивая проблема. Действительно, очень смахивает на "науку о контактах", но немного в другом русле- то, что тестер показал исправность датчиков- это не значит, что они действительно полностью живы. При нынешней весенней слякоти повреждения изоляции датчиков (касается всей проводки, относящейся к датчикам, катушке, коммутатору) могут запросто сыграть подобную злую шутку. Кроме того, даже незначительная влага, скопившаяся в/на крышке распределителя, может стать причиной невозможности запуска двигателя.
ЗЫ: а впрыск-то какой? ВЕБЕР?
|
|
| Вернуться к началу |
|
 |
arial Amico

Возраст: 71 Знак зодиака:  Зарегистрирован: 03.05.2008 Сообщения: 43 Откуда: Санкт Петербург
Авто: Fiat Tempra SX 1.8 (1993), теперь Albea 1,4 (2008)...
|
Добавлено: Пт Мар 25, 2011 21:13 Заголовок сообщения: |
|
|
| Да, впрыск Weber IAW
|
|
| Вернуться к началу |
|
 |
Андрей К Италоманьячище


Возраст: 53 Знак зодиака:  Зарегистрирован: 19.06.2006 Сообщения: 6990 Откуда: Кривой Рог
Авто: Tempra 1.9TDs DGT & AR145TD (когда-то Uno D & "зубило")
|
Добавлено: Сб Мар 26, 2011 08:52 Заголовок сообщения: |
|
|
arial
В твоем вопросе уже есть ответ. Твое авто завелось после упражнений с ДПКВ. Ищи там причину - перебитый провод, пробитая изоляция, проблемы на разъеме датчика, мусор под датчиком, зазор на датчике, ну и по сути рабочесть датчика.
_________________
 |
|
| Вернуться к началу |
|
 |
=aleks= Италоманьячище


Возраст: 49 Знак зодиака:  Зарегистрирован: 06.10.2009 Сообщения: 8633 Откуда: Харьков
Авто: была Tempra2.0 теперьTоyota carina-e 93 1.6
|
Добавлено: Сб Мар 26, 2011 18:09 Заголовок сообщения: |
|
|
на этих двиглах только из за двух датчиков не заведётся машина.это положения коленвала и гозораспределение.
ещё проверь масу под полкой акума.ну и конечно обрати внимание на ДПКВ.
_________________ Бортовик Темпра |
|
| Вернуться к началу |
|
 |
arial Amico

Возраст: 71 Знак зодиака:  Зарегистрирован: 03.05.2008 Сообщения: 43 Откуда: Санкт Петербург
Авто: Fiat Tempra SX 1.8 (1993), теперь Albea 1,4 (2008)...
|
Добавлено: Сб Мар 26, 2011 21:47 Заголовок сообщения: |
|
|
| =aleks= писал(а): | на этих двиглах только из за двух датчиков не заведётся машина.это положения коленвала и гозораспределение.
ещё проверь масу под полкой акума.ну и конечно обрати внимание на ДПКВ. |
Как говорил папаша Мюллер: вот с этого момента поподробнее...
положения коленвала=ДПКВ
А газораспределение - это где?
|
|
| Вернуться к началу |
|
 |
kolyan 77 Италолюбитель

Возраст: 48 Знак зодиака:  Зарегистрирован: 15.02.2011 Сообщения: 92 Откуда: Черновцы
Авто: фиат типо 1.4-92г.в, фиат типо 2.0іе-91г.в.
|
Добавлено: Сб Мар 26, 2011 22:03 Заголовок сообщения: |
|
|
| У меня на типо 2.0 впрыск Weber IAW была похожая ситуация никак не мог завести машину ( проблема была в бензонасосе он качал но не давал необходимое давление в системе)- проверь давление бензина.
|
|
| Вернуться к началу |
|
 |
arial Amico

Возраст: 71 Знак зодиака:  Зарегистрирован: 03.05.2008 Сообщения: 43 Откуда: Санкт Петербург
Авто: Fiat Tempra SX 1.8 (1993), теперь Albea 1,4 (2008)...
|
Добавлено: Сб Мар 26, 2011 22:07 Заголовок сообщения: |
|
|
И еще в тему.
В первый раз все восстановилось после замены сгоревшего предохранителя (обведен на фото). Может кто-то встречался? Знает каким боком это к зажиганию?
Машинка у Кулибиных не бывала, насколько я знаю.
| Описание: |
| Кто знает, от чего этот предохранитель? предположил, что печка, вынул, дует как ни в чем ни бывало!... |
|
| Размер: |
352.84 KB |
| Просмотрено: |
425 раз(а) |

|
|
|
| Вернуться к началу |
|
 |
=aleks= Италоманьячище


Возраст: 49 Знак зодиака:  Зарегистрирован: 06.10.2009 Сообщения: 8633 Откуда: Харьков
Авто: была Tempra2.0 теперьTоyota carina-e 93 1.6
|
Добавлено: Сб Мар 26, 2011 22:17 Заголовок сообщения: |
|
|
arial
| Цитата: | | А газораспределение - это где? |
он же датчик фазы.
а то что на фотке к мотору неимеет ни какого отношения.
смотри целостность проводки к этим двум датчикам.сними с разъёма на этих датчиках резиновый презек и посмотри на надрыв ,облом контактов.быстро проверить давку топлива можно,сняв шланг обратки с регулятора давления топлива.подставил по регулятор бутылку,а кто в это время включает зажигание.если бенз полился,то давка в норме.
ещё есть релюшки на переборки(салон\двигатель) в моторном отсеке
их осмотри.если проблемы хоть с одной релюшкой также не заведёшся.влага в трамблёре,так же не заведёшся.контакты на высоковольтной катушки.чисть мотри.ты бы хоть определил искра есть или чё.......
_________________ Бортовик Темпра |
|
| Вернуться к началу |
|
 |
arial Amico

Возраст: 71 Знак зодиака:  Зарегистрирован: 03.05.2008 Сообщения: 43 Откуда: Санкт Петербург
Авто: Fiat Tempra SX 1.8 (1993), теперь Albea 1,4 (2008)...
|
Добавлено: Сб Мар 26, 2011 22:26 Заголовок сообщения: |
|
|
| Похоже, дело в проводке. Сегодня снимал разъемы, шевелил, мерял в очередной раз сопротивление, уже перестал надеяться - завелась с полтыка. Потом снимал по очереди 3 датчика - синий температуры охлаждайки, потом фазы, потом коленвала - во всех случаях загорается лампа с картинкой форсунки "Check engine", после возвращения гаснет, правда не сразу. На улице -8 с ветром, более детальный осмотр делать ВЛОМ! Купил на всякий случай ДТОЖ (уж очень большое было сопротивление: 15К)... Новый положил в морозилку, померял - примерно то же...
|
|
| Вернуться к началу |
|
 |
=aleks= Италоманьячище


Возраст: 49 Знак зодиака:  Зарегистрирован: 06.10.2009 Сообщения: 8633 Откуда: Харьков
Авто: была Tempra2.0 теперьTоyota carina-e 93 1.6
|
Добавлено: Сб Мар 26, 2011 23:05 Заголовок сообщения: |
|
|
arial
будет даже при обрыве или при плохом контаке и плохой масе.
если проблемы с ДТОЖ она может подтраивать и на холодную не будет прогревочных оборотов.если холостой ход в норме,то не трогай все эти вспомогательные датчики.
_________________ Бортовик Темпра |
|
| Вернуться к началу |
|
 |
СергАл Италомафиози


Возраст: 50 Знак зодиака:  Зарегистрирован: 10.09.2008 Сообщения: 756 Откуда: г.Дружковка
Авто: Tempra 1.6 159В9.000SW метан ЛУАЗ 969
|
Добавлено: Вс Мар 27, 2011 10:47 Заголовок сообщения: |
|
|
| Цитата: | | Может кто знает - отчего именно - от какого набора ошибок горит лампа | "Check engine"
Так пока машина не завилась, она всегда горит.Сразу после включения зажигания.
_________________ Дареному автомобилю в кузов не смотрят |
|
| Вернуться к началу |
|
 |
arial Amico

Возраст: 71 Знак зодиака:  Зарегистрирован: 03.05.2008 Сообщения: 43 Откуда: Санкт Петербург
Авто: Fiat Tempra SX 1.8 (1993), теперь Albea 1,4 (2008)...
|
Добавлено: Вс Мар 27, 2011 12:14 Заголовок сообщения: |
|
|
Кто знает, какое опорное напряжение должно быть на датчике фазы?
Я меряю, получаю порядка 0,55 (без подключения к датчику).
Так ли это?
Да, кстати, после "танцев с бубном" снял - померял - одел - заводится.
Явно не гут!
|
|
| Вернуться к началу |
|
 |
Хрюкин Италоманьячище

Возраст: 55 Знак зодиака:  Зарегистрирован: 21.03.2009 Сообщения: 2975 Откуда: Россия, Нижний Новгород, Автозавод
Авто: SATURN VUE 2.2
|
Добавлено: Вс Мар 27, 2011 15:26 Заголовок сообщения: |
|
|
| arial писал(а): | | ... Купил на всякий случай ДТОЖ (уж очень большое было сопротивление: 15К)... Новый положил в морозилку, померял - примерно то же... |
У этого датчика очень большой диапазон- от 15кОм на морозе, до 100 Ом при горячем двиге.
|
|
| Вернуться к началу |
|
 |
arial Amico

Возраст: 71 Знак зодиака:  Зарегистрирован: 03.05.2008 Сообщения: 43 Откуда: Санкт Петербург
Авто: Fiat Tempra SX 1.8 (1993), теперь Albea 1,4 (2008)...
|
Добавлено: Вс Мар 27, 2011 16:57 Заголовок сообщения: |
|
|
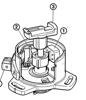
Как разобрать такую штуку?
Снимается ли №3?
Боюсь сломать
| Описание: |
|
| Размер: |
185.11 KB |
| Просмотрено: |
444 раз(а) |

|
|
|
| Вернуться к началу |
|
 |
|
|
Вы не можете начинать темы Вы не можете отвечать на сообщения Вы не можете редактировать свои сообщения Вы не можете удалять свои сообщения Вы не можете голосовать в опросах Вы не можете присоединять файлы в этом форуме Вы можете скачивать файлы в этом форуме
|
Powered by phpBB © 2001, 2005 phpBB Group
|