 |
Український клуб фанів FIAT / CLUB UCRAINO TIFOSO DELLA FIAT
|
 |
| Предыдущая тема :: Следующая тема |
| Автор |
Сообщение |
вован0000 Amico


Возраст: 45 Знак зодиака:  Зарегистрирован: 01.05.2010 Сообщения: 45 Откуда: Россия, Санкт-Петербург
Авто: Croma 2000 turbo i.e. 87,Croma 2000 turbo i.e. 92 Punto 3. 04
|
Добавлено: Пт Дек 31, 2010 00:28 Заголовок сообщения: Задняя подвеска Кромы. |
|
|
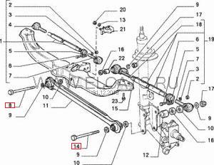
Всем привет. Решил на Кроме перетряхнуть подвеску, с передом проблем не возникло, все хорошо. А вот сзади все не очень. Болты не открутить, не идут ни в какую. Нужно все резать и выжигать. Но вопрос не в этом, а в самих болтах, их нужно купить, а стоят ини не бюджетно, по 600 рублей за штуку на экзисте. Можно ли их заколхозить от куда нибудь? Может от других авто подходят? Кто нибудь сталкивался с таким вопросом? Не хочется отдавать 2500 за четыре болта.На схеме я их выделил красным.
| Описание: |
|
| Размер: |
27.75 KB |
| Просмотрено: |
376 раз(а) |

|
|
|
| Вернуться к началу |
|
 |
zanski Член клуба


Возраст: 44 Знак зодиака:  Зарегистрирован: 03.04.2007 Сообщения: 6607 Откуда: Киев
Авто: Шальоный хаврашок... Не турбувати))) УАЗ 31512 Rob Zombie
|
Добавлено: Пт Дек 31, 2010 01:13 Заголовок сообщения: |
|
|
а померять диаметр болта, его длинну и сходить на базар и подобрать- слабо??? если сильно хитровы*банный болт- посовещаца с токарем?
_________________ Давите пешеходов. Они должны усвоить, что раз они не платят дорожный налог, то не имеют права шляться по тому, что им не принадлежит.
(ц) Дж. Кларксон.
Zanski's Garage O6ЗЗЧIOI8I |
|
| Вернуться к началу |
|
 |
Oleg-galaxy Италолюбитель


Возраст: 40 Знак зодиака:  Зарегистрирован: 07.05.2010 Сообщения: 51 Откуда: Сумы, Украина
Авто: Fiat Croma 2.0
|
Добавлено: Пт Дек 31, 2010 01:23 Заголовок сообщения: |
|
|
| После попадания в огромную яму переламало на 3 части у меня болт №14. Долгие поездки по разборкам не дали результатов, длина большая.... По длине подошли болты с Форда передней подвески на рычагах по 10 грн+ токарю по 10 грн за проточку и резьбу, должна быть 10, а было 12 мм. Пока все отлично.
|
|
| Вернуться к началу |
|
 |
akadem1 Италоманьячище

Возраст: 54 Знак зодиака:  Зарегистрирован: 16.04.2007 Сообщения: 2437 Откуда: киев
Авто: ,fiat bravo trofeo 1242 16v 2000г,FIAT GRANDE PUNTO 2006 1.4 гбо,Fiat croma2 1,8 16v ГБО,фиат крома 2.0i.e 834b146--1986г--продана
|
Добавлено: Пт Дек 31, 2010 19:36 Заголовок сообщения: |
|
|
когда то на разборке купил ведро болтов---до сих пор выручает.
А подобрать от нашемарок этот болтик у меня не получилось---на базаре ничего так и не предложили.
При установке этот болт нужно обильно смазывать.
|
|
| Вернуться к началу |
|
 |
|
|
Вы не можете начинать темы Вы не можете отвечать на сообщения Вы не можете редактировать свои сообщения Вы не можете удалять свои сообщения Вы не можете голосовать в опросах Вы не можете присоединять файлы в этом форуме Вы можете скачивать файлы в этом форуме
|
Powered by phpBB © 2001, 2005 phpBB Group
|