 |
Український клуб фанів FIAT / CLUB UCRAINO TIFOSO DELLA FIAT
|
 |
| Предыдущая тема :: Следующая тема |
| Автор |
Сообщение |
vova_shkvarovski Италофан


Возраст: 40 Знак зодиака:  Зарегистрирован: 19.01.2011 Сообщения: 245 Откуда: Тернополь
Авто: Croma 2.0 T.i.e. 1992
|
Добавлено: Пт Мар 11, 2011 13:11 Заголовок сообщения: Что это?Как называется? |
|
|
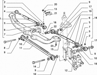
Старый владелец дал такие запчасти,как их назвать?Где находятся?
| Описание: |
|
| Размер: |
38.42 KB |
| Просмотрено: |
249 раз(а) |

|
| Описание: |
|
| Размер: |
41 KB |
| Просмотрено: |
178 раз(а) |

|
|
|
| Вернуться к началу |
|
 |
vova_shkvarovski Италофан


Возраст: 40 Знак зодиака:  Зарегистрирован: 19.01.2011 Сообщения: 245 Откуда: Тернополь
Авто: Croma 2.0 T.i.e. 1992
|
Добавлено: Пт Мар 11, 2011 13:26 Заголовок сообщения: |
|
|
Здесь под каким номером
| Описание: |
|
| Размер: |
15.34 KB |
| Просмотрено: |
237 раз(а) |

|
| Описание: |
|
| Размер: |
15.99 KB |
| Просмотрено: |
226 раз(а) |

|
| Описание: |
|
| Размер: |
13.02 KB |
| Просмотрено: |
232 раз(а) |

|
Последний раз редактировалось: vova_shkvarovski (Пт Мар 11, 2011 13:33), всего редактировалось 1 раз |
|
| Вернуться к началу |
|
 |
-max- Италомафиози

Возраст: 41 Знак зодиака:  Зарегистрирован: 10.06.2008 Сообщения: 645 Откуда: ~SMELA~
Авто: CR-V
|
Добавлено: Пт Мар 11, 2011 13:26 Заголовок сообщения: |
|
|
1ший малюног- сайлентблок(конфетка) пререднього ричага,передній.
2гий малюног- схоже на сайленти задньої підвіски,от тільки який куди-непомню.
_________________ Запчастини нові та вживані до автомобілів Mercedes-Benz |
|
| Вернуться к началу |
|
 |
-max- Италомафиози

Возраст: 41 Знак зодиака:  Зарегистрирован: 10.06.2008 Сообщения: 645 Откуда: ~SMELA~
Авто: CR-V
|
|
| Вернуться к началу |
|
 |
Taras_Potatos Рулевой филиала


Возраст: 48 Знак зодиака:  Зарегистрирован: 24.07.2006 Сообщения: 22630 Откуда: м. Львів
Авто: Fiat Punto HGT
|
Добавлено: Пт Мар 11, 2011 13:30 Заголовок сообщения: |
|
|
1-- канхветка перед переднього важеля.
2 -- більші - повздовжній важель, менші виглядають на сайленти в цапфі.
_________________ This message was sent without a virus, please destroy some files by yourself.
/oo|_\__Ⓐ__/_|oo\ |
|
| Вернуться к началу |
|
 |
-max- Италомафиози

Возраст: 41 Знак зодиака:  Зарегистрирован: 10.06.2008 Сообщения: 645 Откуда: ~SMELA~
Авто: CR-V
|
Добавлено: Пт Мар 11, 2011 13:35 Заголовок сообщения: |
|
|
| Taras_Potatos писал(а): | | ... менші виглядають на сайленти в цапфі. |
От тільки внутрішній діаметр повинен бути 10,а тут візуально наче як більше.(якшо ми говоримо про поперечні ричаги)
|
|
| Вернуться к началу |
|
 |
vova_shkvarovski Италофан


Возраст: 40 Знак зодиака:  Зарегистрирован: 19.01.2011 Сообщения: 245 Откуда: Тернополь
Авто: Croma 2.0 T.i.e. 1992
|
Добавлено: Пт Мар 11, 2011 13:37 Заголовок сообщения: |
|
|
| 2 малих і 2 великих казав шо то задні
|
|
| Вернуться к началу |
|
 |
-max- Италомафиози

Возраст: 41 Знак зодиака:  Зарегистрирован: 10.06.2008 Сообщения: 645 Откуда: ~SMELA~
Авто: CR-V
|
Добавлено: Пт Мар 11, 2011 13:46 Заголовок сообщения: |
|
|
на шот більших-Taras_Potatos +1.
А меньші заміряй,якшо 10х30х30 то 100% задніх поперечок.
_________________ Запчастини нові та вживані до автомобілів Mercedes-Benz |
|
| Вернуться к началу |
|
 |
vova_shkvarovski Италофан


Возраст: 40 Знак зодиака:  Зарегистрирован: 19.01.2011 Сообщения: 245 Откуда: Тернополь
Авто: Croma 2.0 T.i.e. 1992
|
Добавлено: Пт Мар 11, 2011 13:53 Заголовок сообщения: |
|
|
| да 10х30х30
|
|
| Вернуться к началу |
|
 |
vova_shkvarovski Италофан


Возраст: 40 Знак зодиака:  Зарегистрирован: 19.01.2011 Сообщения: 245 Откуда: Тернополь
Авто: Croma 2.0 T.i.e. 1992
|
Добавлено: Пт Мар 11, 2011 14:01 Заголовок сообщения: |
|
|
| покажіть де намалюнку великі і маленькі
|
|
| Вернуться к началу |
|
 |
-max- Италомафиози

Возраст: 41 Знак зодиака:  Зарегистрирован: 10.06.2008 Сообщения: 645 Откуда: ~SMELA~
Авто: CR-V
|
Добавлено: Пт Мар 11, 2011 14:28 Заголовок сообщения: |
|
|
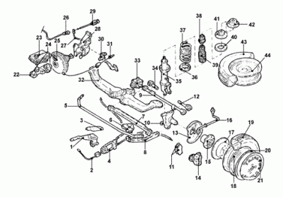
Це меньшенькі))
| Описание: |
|
| Размер: |
79.81 KB |
| Просмотрено: |
231 раз(а) |

|
|
|
| Вернуться к началу |
|
 |
-max- Италомафиози

Возраст: 41 Знак зодиака:  Зарегистрирован: 10.06.2008 Сообщения: 645 Откуда: ~SMELA~
Авто: CR-V
|
Добавлено: Пт Мар 11, 2011 14:29 Заголовок сообщения: |
|
|
а більшенькі-стоять теж ззаду,на "продольнихх" тягах.
_________________ Запчастини нові та вживані до автомобілів Mercedes-Benz |
|
| Вернуться к началу |
|
 |
vova_shkvarovski Италофан


Возраст: 40 Знак зодиака:  Зарегистрирован: 19.01.2011 Сообщения: 245 Откуда: Тернополь
Авто: Croma 2.0 T.i.e. 1992
|
Добавлено: Пт Мар 11, 2011 17:58 Заголовок сообщения: |
|
|
дякую
то шо там всіх малих має бути 6?
|
|
| Вернуться к началу |
|
 |
Vitiko Италофан

Возраст: 45 Знак зодиака:  Зарегистрирован: 07.09.2009 Сообщения: 176 Откуда: Николаев
Авто: Lancia Thema
|
Добавлено: Пт Мар 11, 2011 21:01 Заголовок сообщения: |
|
|
vova_shkvarovski
по идее по 4 на сторону - 8 на "ось"
_________________ Lancia Thema V6 i.e. |
|
| Вернуться к началу |
|
 |
FHT Италоманьяк


Возраст: 41 Знак зодиака:  Зарегистрирован: 27.04.2008 Сообщения: 407 Откуда: Одесса
Авто: Велосипед трехколесный детский
|
Добавлено: Вс Мар 13, 2011 10:50 Заголовок сообщения: |
|
|
| -max- писал(а): | | Це меньшенькі)) |
Ну там не совсем так... У меня оно как бы одно целое было
Там проще купить сразу готовые наконечники.
Меньшие они с поперечного. Хотя размеры и на поперечных и на наконечниках развальной одинаковые.
Номера наконечников
Optimal G7-672
Optimal G7-679
Ruville 916043
Ruville 916042
Кста, может кто-то подскажет номера меньших сайлентов?
_________________ Честных психов можно не лечить |
|
| Вернуться к началу |
|
 |
|
|
Вы не можете начинать темы Вы не можете отвечать на сообщения Вы не можете редактировать свои сообщения Вы не можете удалять свои сообщения Вы не можете голосовать в опросах Вы не можете присоединять файлы в этом форуме Вы можете скачивать файлы в этом форуме
|
Powered by phpBB © 2001, 2005 phpBB Group
|