Сайт Українського клуба фанів FIAT Український клуб фанів FIAT / CLUB UCRAINO TIFOSO DELLA FIAT

 
ФотогалереяФотогалерея   FAQFAQ   ПоискПоиск   ПользователиПользователи   ГруппыГруппы   РегистрацияРегистрация 
 ПрофильПрофиль   Войти и проверить личные сообщенияВойти и проверить личные сообщения   ВходВход 

схема подключения ПТФ
На страницу 1, 2  След.
 
Начать новую тему   Ответить на тему    Список форумов Український клуб фанів FIAT / CLUB UCRAINO TIFOSO DELLA FIAT -> FIAT Tipo, FIAT Tempra
Предыдущая тема :: Следующая тема  
Автор Сообщение
Юлиан
Италофан


Италофан

Возраст: 40
Знак зодиака: Весы
Зарегистрирован: 31.01.2013
Сообщения: 207
Откуда: Феодосия

Авто: Tipo 1.6 i.e. (1994)

СообщениеДобавлено: Вс Май 19, 2013 18:22    Заголовок сообщения: схема подключения ПТФ Ответить с цитатой

Уважаемые форумчане, сразу просьба сильно не пинать. Форум искал но ничего не нашел. Предыдущий хозяин прилепил ПТФ на ближний свет, просто разрезал изоляцию + и прикрутил ПТФ (руки б ему по самые колена оторвать). Кнопок штатных и проводки тож не нашел. Терь собстно причина создания темы - очень прошу мож кто скинет схему подключения желательно расписав что куда ибо мои познания в чтении схем не очень глубоки. Ведь так как сделано ж нельзя ? Заранее всем благодарен.
_________________
Вернуться к началу
Посмотреть профиль Отправить личное сообщение Отправить e-mail
oosimvol
Италомафиози


Италомафиози

Возраст: 48
Знак зодиака: Стрелец
Зарегистрирован: 04.02.2008
Сообщения: 932
Откуда: Одесса

Авто: Fiat Tipo 1.4 Solex

СообщениеДобавлено: Вс Май 19, 2013 18:47    Заголовок сообщения: Ответить с цитатой

Если машина на аве твоя, то отреж лишние провода, заизолируй все хорошенько, сними эту китайскую пародию на оптику. А не то глаза бы тебе по самые уши повыкалывать ночью встречными. Evil or Very Mad
_________________
Вернуться к началу
Посмотреть профиль Отправить личное сообщение
Юлиан
Италофан


Италофан

Возраст: 40
Знак зодиака: Весы
Зарегистрирован: 31.01.2013
Сообщения: 207
Откуда: Феодосия

Авто: Tipo 1.6 i.e. (1994)

СообщениеДобавлено: Вс Май 19, 2013 19:47    Заголовок сообщения: Ответить с цитатой

oosimvol писал(а):
Если машина на аве твоя, то отреж лишние провода, заизолируй все хорошенько, сними эту китайскую пародию на оптику. А не то глаза бы тебе по самые уши повыкалывать ночью встречными. Evil or Very Mad


на аве моя машинка. оптика кстати не китайская a hella при чем все норм отрегулирована, а вот подключена конечно не гуд. Хотя самому не нравится ее расположение, мечтаю оригинальные в бампер врезать, но пока финансы не позволяют, есть более критичные моменты куда в машинку денег вложить.

_________________
Вернуться к началу
Посмотреть профиль Отправить личное сообщение Отправить e-mail
svitalias
Италолюбитель


Италолюбитель

Возраст: 40
Знак зодиака: Рыбы
Зарегистрирован: 02.03.2012
Сообщения: 69
Откуда: Черкаси

Авто: Fiat Tipo 1.4 solex 92г.

СообщениеДобавлено: Вс Май 19, 2013 20:52    Заголовок сообщения: Ответить с цитатой

http://forums.drom.ru/attachment.php?attachmentid=2695020&d=1341671572&thumb=1
Вернуться к началу
Посмотреть профиль Отправить личное сообщение
tallman
Италомафиози


Италомафиози

Возраст: 51
Знак зодиака: Козерог
Зарегистрирован: 28.11.2012
Сообщения: 868
Откуда: Пряники и Самовары

Авто: FIAT Tempra S.W. 2.0i.e. 1996

СообщениеДобавлено: Вс Май 19, 2013 20:53    Заголовок сообщения: Ответить с цитатой

неправильно отрегулированы твои птф, не выше 300 мм от поверхности дороги они должны стоять, так ты ими слепишь встречных, я гарантирую это
_________________
138 B2.000 Regata 70S 1984
149 C1.000 Regata Weekend 75i.e. саt 1989
185 A2.000 Marea ELX 1998
159 A6.046 Tempra S.W. 2.0i.e. 4x4 1992
159 A6.046 Tempra S.W. 2.0i.e. SX 1996
Вернуться к началу
Посмотреть профиль Отправить личное сообщение
svitalias
Италолюбитель


Италолюбитель

Возраст: 40
Знак зодиака: Рыбы
Зарегистрирован: 02.03.2012
Сообщения: 69
Откуда: Черкаси

Авто: Fiat Tipo 1.4 solex 92г.

СообщениеДобавлено: Вс Май 19, 2013 21:09    Заголовок сообщения: Ответить с цитатой

я покупал оригиналы Depo по 185 грн за шт
Вернуться к началу
Посмотреть профиль Отправить личное сообщение
oosimvol
Италомафиози


Италомафиози

Возраст: 48
Знак зодиака: Стрелец
Зарегистрирован: 04.02.2008
Сообщения: 932
Откуда: Одесса

Авто: Fiat Tipo 1.4 Solex

СообщениеДобавлено: Вс Май 19, 2013 22:23    Заголовок сообщения: Ответить с цитатой

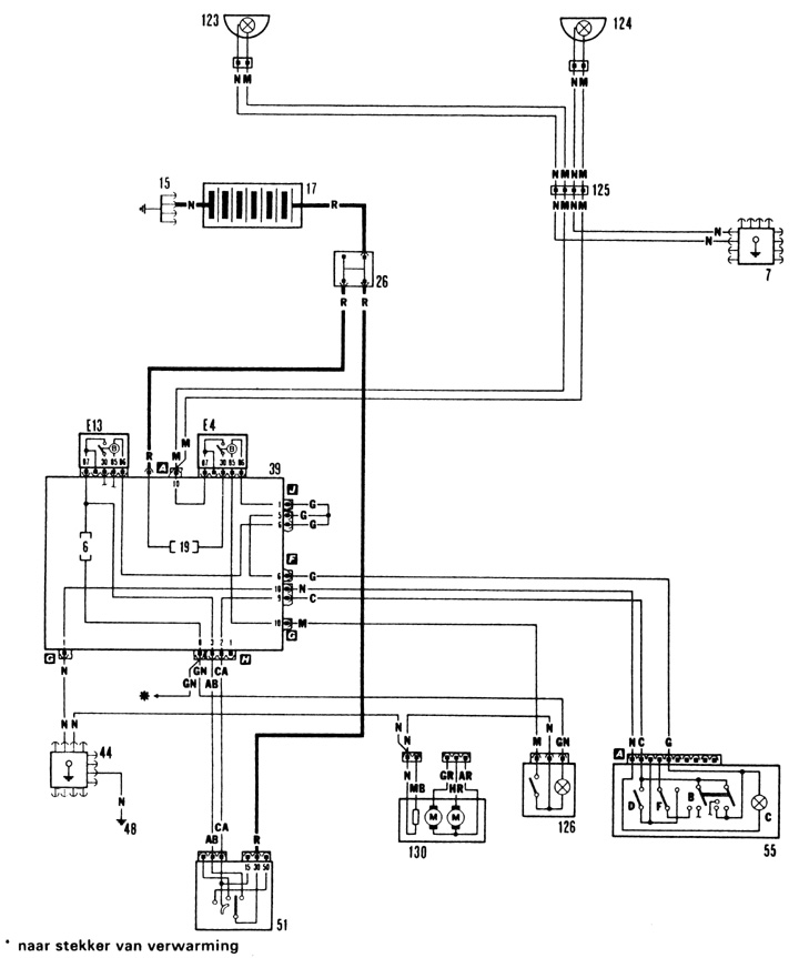
Лови заводское подключение. Мне заводские птф достались с бампером с разборки. Висят для красоты. За 6 лет владения машиной они бы пригодились раза 4, и то не факт.


untitled.png
 Описание:
 Размер:  200.21 KB
 Просмотрено:  1126 раз(а)

untitled.png



_________________
Вернуться к началу
Посмотреть профиль Отправить личное сообщение
oosimvol
Италомафиози


Италомафиози

Возраст: 48
Знак зодиака: Стрелец
Зарегистрирован: 04.02.2008
Сообщения: 932
Откуда: Одесса

Авто: Fiat Tipo 1.4 Solex

СообщениеДобавлено: Вс Май 19, 2013 22:31    Заголовок сообщения: Ответить с цитатой

Примечания:
1. Мотоциклы (мопеды) могут быть дополнительно оборудованы одной противотуманной фарой, другие механические транспортные средства - двумя. Противотуманные фары должны размещаться на высоте не менее 250 мм от поверхности дороги (но не выше фар ближнего света) симметрично продольной оси транспортного средства и не далее 400 мм от внешнего габарита по ширине.

_________________
Вернуться к началу
Посмотреть профиль Отправить личное сообщение
Юлиан
Италофан


Италофан

Возраст: 40
Знак зодиака: Весы
Зарегистрирован: 31.01.2013
Сообщения: 207
Откуда: Феодосия

Авто: Tipo 1.6 i.e. (1994)

СообщениеДобавлено: Вс Май 19, 2013 23:19    Заголовок сообщения: Ответить с цитатой

убедили. буду убирать. svitalias отдельное спасибо за схему.
_________________
Вернуться к началу
Посмотреть профиль Отправить личное сообщение Отправить e-mail
Syzyti
Италомафиози


Италомафиози

Возраст: 35
Знак зодиака: Водолей
Зарегистрирован: 30.05.2010
Сообщения: 877
Откуда: Киев

Авто: Fiat Tipo 1.4 i.e.

СообщениеДобавлено: Пн Май 20, 2013 01:33    Заголовок сообщения: Ответить с цитатой

хорошо, что мне убирать не надо Smile
хоть и пользуюсь редко, но иногда помогают. при этом никого, вроде, не слеплю

_________________
| Бортовик | я на Drive2 |
Вернуться к началу
Посмотреть профиль Отправить личное сообщение Отправить e-mail
Юлиан
Италофан


Италофан

Возраст: 40
Знак зодиака: Весы
Зарегистрирован: 31.01.2013
Сообщения: 207
Откуда: Феодосия

Авто: Tipo 1.6 i.e. (1994)

СообщениеДобавлено: Пн Май 20, 2013 07:10    Заголовок сообщения: Ответить с цитатой

Syzyti писал(а):
хорошо, что мне убирать не надо Smile
хоть и пользуюсь редко, но иногда помогают. при этом никого, вроде, не слеплю


Так стоят так же как и у меня )

_________________
Вернуться к началу
Посмотреть профиль Отправить личное сообщение Отправить e-mail
в@ся
Италофан


Италофан

Возраст: 40
Знак зодиака: Рак
Зарегистрирован: 16.04.2012
Сообщения: 176
Откуда: Украина

Авто: fiat tempra

СообщениеДобавлено: Пн Май 20, 2013 09:23    Заголовок сообщения: Ответить с цитатой

Було те саме переробив.
По правому борту (біля бачка омивача )є рідня фішка на ПТФ
Вернуться к началу
Посмотреть профиль Отправить личное сообщение Отправить e-mail
Юлиан
Италофан


Италофан

Возраст: 40
Знак зодиака: Весы
Зарегистрирован: 31.01.2013
Сообщения: 207
Откуда: Феодосия

Авто: Tipo 1.6 i.e. (1994)

СообщениеДобавлено: Пн Май 20, 2013 14:52    Заголовок сообщения: Ответить с цитатой

в@ся писал(а):
Було те саме переробив.
По правому борту (біля бачка омивача )є рідня фішка на ПТФ

а можно подробней ? у меня тоже есть фишка возле правой фары, вот тут поднимал вопрос о назначении этого разьема http://fiat-club.org.ua/forum/viewtopic.php?t=43561&highlight=.

_________________
Вернуться к началу
Посмотреть профиль Отправить личное сообщение Отправить e-mail
Syzyti
Италомафиози


Италомафиози

Возраст: 35
Знак зодиака: Водолей
Зарегистрирован: 30.05.2010
Сообщения: 877
Откуда: Киев

Авто: Fiat Tipo 1.4 i.e.

СообщениеДобавлено: Пн Май 20, 2013 15:07    Заголовок сообщения: Ответить с цитатой

Юлиан
у меня родная решетка радиатора Smile



13050056.jpg
 Описание:
 Размер:  126.25 KB
 Просмотрено:  420 раз(а)

13050056.jpg



_________________
| Бортовик | я на Drive2 |
Вернуться к началу
Посмотреть профиль Отправить личное сообщение Отправить e-mail
Хрюкин
Италоманьячище


Италоманьячище

Возраст: 55
Знак зодиака: Телец
Зарегистрирован: 21.03.2009
Сообщения: 2975
Откуда: Россия, Нижний Новгород, Автозавод

Авто: SATURN VUE 2.2

СообщениеДобавлено: Пн Май 20, 2013 15:44    Заголовок сообщения: Ответить с цитатой

Юлиан писал(а):

а можно подробней ? у меня тоже есть фишка возле правой фары, вот тут поднимал вопрос о назначении этого разьема http://fiat-club.org.ua/forum/viewtopic.php?t=43561&highlight=.

Это может быть или противотуманки, или стеклоочистители фар.
Надо вызванивать. Схемы в "прилепленных темах" в помощь.
Вернуться к началу
Посмотреть профиль Отправить личное сообщение
Показать сообщения:   
Начать новую тему   Ответить на тему    Список форумов Український клуб фанів FIAT / CLUB UCRAINO TIFOSO DELLA FIAT -> FIAT Tipo, FIAT Tempra Часовой пояс: GMT + 3
На страницу 1, 2  След.
Страница 1 из 2

 
Перейти:  
Вы не можете начинать темы
Вы не можете отвечать на сообщения
Вы не можете редактировать свои сообщения
Вы не можете удалять свои сообщения
Вы не можете голосовать в опросах
Вы не можете присоединять файлы в этом форуме
Вы можете скачивать файлы в этом форуме






Powered by phpBB © 2001, 2005 phpBB Group
З питань розміщення реклами писати на цю адресу