 |
Український клуб фанів FIAT / CLUB UCRAINO TIFOSO DELLA FIAT
|
 |
| Предыдущая тема :: Следующая тема |
| Автор |
Сообщение |
mrv Италоманьячище


Возраст: 34 Знак зодиака:  Зарегистрирован: 09.01.2013 Сообщения: 1233 Откуда: Украина Золотоноша
Авто: FIAT Tempra 1.9 TD
|
Добавлено: Сб Янв 24, 2015 22:04 Заголовок сообщения: течь масла с масляного насоса |
|
|
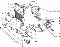
Извините сразу может такая теми есть где то но я её не нашел . Сегодня потекло масло возле фильтра масляного нашел схемку ну не могу понят что там под номером 15? прокладка или что вот там именно и текло .
| Описание: |
|
| Размер: |
11.46 KB |
| Просмотрено: |
312 раз(а) |

|
|
|
| Вернуться к началу |
|
 |
Андрей К Италоманьячище


Возраст: 53 Знак зодиака:  Зарегистрирован: 19.06.2006 Сообщения: 6990 Откуда: Кривой Рог
Авто: Tempra 1.9TDs DGT & AR145TD (когда-то Uno D & "зубило")
|
Добавлено: Сб Янв 24, 2015 22:29 Заголовок сообщения: |
|
|
Типа прокладки.
По сути все делается легко с ямы (без ямы просто неудобно).
Фильтр долой, штуцер 14 выкрутить, деталь 13 и штуцер отмыть, посадочное протереть. Все на моторный герметик и удержать в нужном положении при закручивании штуцера. Патрубки можно не откручивать.
Часик обождать. Фильтр залить маслом и водрузить на место.
_________________
 |
|
| Вернуться к началу |
|
 |
mrv Италоманьячище


Возраст: 34 Знак зодиака:  Зарегистрирован: 09.01.2013 Сообщения: 1233 Откуда: Украина Золотоноша
Авто: FIAT Tempra 1.9 TD
|
Добавлено: Ср Янв 28, 2015 14:56 Заголовок сообщения: |
|
|
| бля парни помогите может у кого то есть штуцер под №14, а то я сегодня полез туда а он облизанный , открутить то я смогу но потом не закручу я его , или дайте размеры его я до столяра схожу чтобы он выточил мне его
|
|
| Вернуться к началу |
|
 |
Uno Член клуба


Возраст: 53 Знак зодиака:  Зарегистрирован: 16.02.2009 Сообщения: 13805 Откуда: Киев Оболонь
Авто: Uno 45 (продан) , Uno 75sie (продан), Uno 1,3 turbo, Uno SX 70 1,3, Doblo 1,3 multijet
|
Добавлено: Ср Янв 28, 2015 15:22 Заголовок сообщения: |
|
|
Андрей К
и что, держит на герметике?
я подбирал колечко под это лабиринтовое уплотнение, позже подсказали что с маслофильтра можно выдрать и туда поставить
_________________ FuckFuelEconomy-Turbo Power I’m Lovin' it
турбік
добло |
|
| Вернуться к началу |
|
 |
Андрей К Италоманьячище


Возраст: 53 Знак зодиака:  Зарегистрирован: 19.06.2006 Сообщения: 6990 Откуда: Кривой Рог
Авто: Tempra 1.9TDs DGT & AR145TD (когда-то Uno D & "зубило")
|
Добавлено: Ср Янв 28, 2015 15:36 Заголовок сообщения: |
|
|
Uno
Ты знаешь, уже пару лет катаюсь и ничего, идеально сухо и чисто.
Герметики бывают разные...
А лабиринта там у нас никакого нет, все просто и колечко по кругу.
_________________
 |
|
| Вернуться к началу |
|
 |
|
|
Вы не можете начинать темы Вы не можете отвечать на сообщения Вы не можете редактировать свои сообщения Вы не можете удалять свои сообщения Вы не можете голосовать в опросах Вы не можете присоединять файлы в этом форуме Вы можете скачивать файлы в этом форуме
|
Powered by phpBB © 2001, 2005 phpBB Group
|