 |
Український клуб фанів FIAT / CLUB UCRAINO TIFOSO DELLA FIAT
|
 |
| Предыдущая тема :: Следующая тема |
| Автор |
Сообщение |
Vladimir TV Италомафиози


Возраст: 52 Знак зодиака:  Зарегистрирован: 25.07.2011 Сообщения: 1071 Откуда: Украина
Авто: Peugeot Expert, 2004 (2,0 HDI), RHX
|
Добавлено: Чт Июл 02, 2015 17:03 Заголовок сообщения: Ищу мелочевку на Пежо Эксперт 2004 г.в. |
|
|
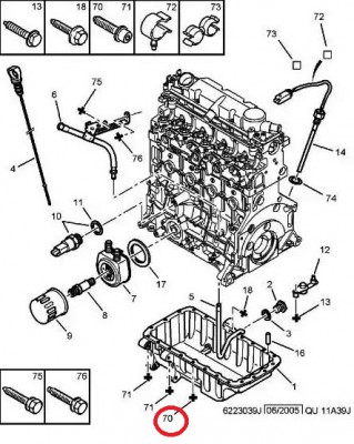
(двигун RHX 2,0 НДІ, 69 КВт, 2004 р.в.)
Потрібно:
1. 6 болтів, що прикручують направляючу зсувних дверей Пежо Експерт (фото - Болт1)
2. 2 болти, що прикручують скобу замка зсувної двері Пежо Експерт (фото - Болт2)
3. Розєм живлення (зеленого кольору) з дротами, що живить підігрівач палива на фільтрові (на 3 входи) на Пежо Експерт 2,0 НДІ (фото - Фільтр).
4. 5 болтів, що прикручують піддон масляний алюмінієвий (фото болт 3)
Можна ціни?
Дякую за відповідь!
| Описание: |
|
| Размер: |
49.45 KB |
| Просмотрено: |
217 раз(а) |

|
| Описание: |
|
| Размер: |
108.94 KB |
| Просмотрено: |
216 раз(а) |

|
| Описание: |
|
| Размер: |
82.41 KB |
| Просмотрено: |
201 раз(а) |

|
| Описание: |
|
| Размер: |
95.88 KB |
| Просмотрено: |
227 раз(а) |

|
|
|
| Вернуться к началу |
|
 |
Mrozek Amico


Возраст: 37 Знак зодиака:  Зарегистрирован: 08.01.2015 Сообщения: 32 Откуда: Луцк
Авто: Fiat Ducato
|
Добавлено: Вс Июл 05, 2015 17:51 Заголовок сообщения: |
|
|
| могу посоветовать хороший каталог мелочевки.
|
|
| Вернуться к началу |
|
 |
Vladimir TV Италомафиози


Возраст: 52 Знак зодиака:  Зарегистрирован: 25.07.2011 Сообщения: 1071 Откуда: Украина
Авто: Peugeot Expert, 2004 (2,0 HDI), RHX
|
Добавлено: Пн Июл 06, 2015 20:08 Заголовок сообщения: |
|
|
| Mrozek писал(а): | | могу посоветовать хороший каталог мелочевки. |
спасибо заподсказку!
|
|
| Вернуться к началу |
|
 |
|
|
Вы не можете начинать темы Вы не можете отвечать на сообщения Вы не можете редактировать свои сообщения Вы не можете удалять свои сообщения Вы не можете голосовать в опросах Вы не можете присоединять файлы в этом форуме Вы можете скачивать файлы в этом форуме
|
Powered by phpBB © 2001, 2005 phpBB Group
|