 |
Український клуб фанів FIAT / CLUB UCRAINO TIFOSO DELLA FIAT
|
 |
| Предыдущая тема :: Следующая тема |
| Автор |
Сообщение |
n1c3 Amico

Возраст: 36 Знак зодиака:  Зарегистрирован: 15.04.2016 Сообщения: 7 Откуда: Кривой Рог
Авто: Fiat Tempra 2.0 i.e.
|
Добавлено: Пт Апр 15, 2016 13:58 Заголовок сообщения: HELP Проблемы с инжектором Tempra 2.0 i.e. |
|
|
Всем доброго времени суток!
Приобрел я не давно Tempra 2.0 i.e.
Понимал конечно что она не идеальная, думал по чуть чуть буду делать, доводить до ума.
Когда я ее купил, она ездила только на газу, еще и 2-ое поколение. Мысля была таковой : первым делом восстановить подачу бензина в двигатель. Поставил бензонасос в бак(его там не было), поменял регулятор давления топлива(он оказывается заклинил), новый фильтр конечно. Попробовал завестись, но меня постигла не удача. Снял форсунки и поставил их на стенд...были забиты в хлам. После чистки форсунок снова попробовал, но не удача пришла второй раз. Искра есть, свечи новые, давление в рампе 3,5 бара, форсунки брызкают на стенде шикарно. На сколько я понимаю могзи не подают импульс на форсунки...или я ошибаюсь? Кстати форсунки с 1.8...или мозги увидели не те форсунки что нужно и отказываются давать импульс?? В общем, ХЕПЛ МИ!!! Чисто на газу ездить принципиально не буду, не хочу ушатывать мотор.
_________________ Шкафы купе по низким ценам  |
|
| Вернуться к началу |
|
 |
RomanLviv Италомафиози


Возраст: 38 Знак зодиака:  Зарегистрирован: 25.08.2009 Сообщения: 891 Откуда: Львов
Авто: Fiat UNOІІ 1.7D. Renault Grand Scenic3
|
Добавлено: Пт Апр 15, 2016 14:06 Заголовок сообщения: |
|
|
n1c3
ну якшо був газ то він якось мав виключати подачу топлива (емулятор форсунок) я думаю що все діло в тому що не поступає імпульс на форсунки, дивись добре проводку.
|
|
| Вернуться к началу |
|
 |
CreAtoR Италоманьячище


Возраст: 45 Знак зодиака:  Зарегистрирован: 05.11.2010 Сообщения: 25302 Откуда: Одеса
Авто: Fiat Ritmo60L(138В3.048); Lancia Dedra(835A8.046); AR GT (932A1.000)
|
Добавлено: Пт Апр 15, 2016 14:06 Заголовок сообщения: |
|
|
1. так ты проверь для начала: управление на форсы приходит или нет?
_________________ СТО [:ІЖАК] - діагностика, ремонт і кава ^-^
FIAT, Lancia, AR та не італійські авто.
т. О9З-О64-28-О6
т. О99-ОЧI-ЧЧ-Ч2 |
|
| Вернуться к началу |
|
 |
n1c3 Amico

Возраст: 36 Знак зодиака:  Зарегистрирован: 15.04.2016 Сообщения: 7 Откуда: Кривой Рог
Авто: Fiat Tempra 2.0 i.e.
|
Добавлено: Пт Апр 15, 2016 14:23 Заголовок сообщения: |
|
|
| CreAtoR писал(а): | | 1. так ты проверь для начала: управление на форсы приходит или нет? |
Ты имеешь в виду само питание? Если да, то как раз ищу лампочку и провода))
_________________ Шкафы купе по низким ценам  |
|
| Вернуться к началу |
|
 |
pog Италомафиози


Возраст: 61 Знак зодиака:  Зарегистрирован: 23.01.2006 Сообщения: 522 Откуда: Kiev, Позняки
Авто: Ford Focus III 2017
|
Добавлено: Пт Апр 15, 2016 14:49 Заголовок сообщения: Re: HELP Проблемы с инжектором Tempra 2.0 i.e. |
|
|
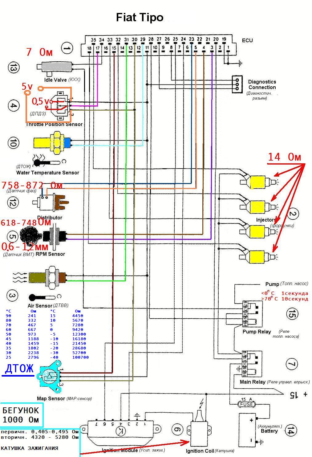
| n1c3 писал(а): | | Кстати форсунки с 1.8...или мозги увидели не те форсунки что нужно и отказываются давать импульс?? | Интересно, как это ЭБУ смог это увидеть? Наверное, следует разобраться во всех входящих и исходящих в ЭБУ сигналах.
Литературы на форуме, в соответствующем разделе, масса. Вот первое, что попалось под руку:
| Описание: |
|
| Размер: |
57.57 KB |
| Просмотрено: |
506 раз(а) |

|
| Описание: |
|
| Размер: |
245.36 KB |
| Просмотрено: |
431 раз(а) |

|
| Описание: |
|
 Скачать |
| Имя файла: |
ПАРАМЕТРЫ MPI IAW4.doc |
| Размер: |
115.5 KB |
| Загружен: |
381 раз(а) |
|
|
| Вернуться к началу |
|
 |
n1c3 Amico

Возраст: 36 Знак зодиака:  Зарегистрирован: 15.04.2016 Сообщения: 7 Откуда: Кривой Рог
Авто: Fiat Tempra 2.0 i.e.
|
Добавлено: Пт Апр 15, 2016 15:00 Заголовок сообщения: Re: HELP Проблемы с инжектором Tempra 2.0 i.e. |
|
|
| pog писал(а): | | n1c3 писал(а): | | Кстати форсунки с 1.8...или мозги увидели не те форсунки что нужно и отказываются давать импульс?? | Интересно, как это ЭБУ смог это увидеть? |
Не знаю как он мог увидеть)) я просто предположил)
Спасибо за инфу! Эл-к уже в пути ко мне. Сейчас будем копаться...
_________________ Шкафы купе по низким ценам  |
|
| Вернуться к началу |
|
 |
Nick Италоманьячище


Возраст: 45 Знак зодиака:  Зарегистрирован: 20.01.2006 Сообщения: 1503 Откуда: Kiev-Belaya Cerkov
Авто: Alfa 166, Alfa 164, Fiat Croma, Lancia Thema
|
Добавлено: Пт Апр 15, 2016 15:03 Заголовок сообщения: |
|
|
| перевір наявність плюсу на форсунках за роботи двигуна. тупо заведи і перевір на всіх форсах має бути плюс. з вірогідністю 90 % не приходить напруга з реле бензонасосу. Решту можеш не трогати. Перерізаний загальний плюс, чи , швидше за все кинутий через нештатне реле.
|
|
| Вернуться к началу |
|
 |
n1c3 Amico

Возраст: 36 Знак зодиака:  Зарегистрирован: 15.04.2016 Сообщения: 7 Откуда: Кривой Рог
Авто: Fiat Tempra 2.0 i.e.
|
Добавлено: Сб Апр 16, 2016 15:54 Заголовок сообщения: |
|
|
Всем огромное спасибо!!! Релюшки оказывается стояли не родные. И не давали + при включённом зажигании. Когда зажигание выключено + был. Все очень просто решилось без глобальных вложений.
_________________ Шкафы купе по низким ценам  |
|
| Вернуться к началу |
|
 |
CreAtoR Италоманьячище


Возраст: 45 Знак зодиака:  Зарегистрирован: 05.11.2010 Сообщения: 25302 Откуда: Одеса
Авто: Fiat Ritmo60L(138В3.048); Lancia Dedra(835A8.046); AR GT (932A1.000)
|
Добавлено: Сб Апр 16, 2016 16:12 Заголовок сообщения: |
|
|
колхоз - это состояние души.
_________________ СТО [:ІЖАК] - діагностика, ремонт і кава ^-^
FIAT, Lancia, AR та не італійські авто.
т. О9З-О64-28-О6
т. О99-ОЧI-ЧЧ-Ч2 |
|
| Вернуться к началу |
|
 |
n1c3 Amico

Возраст: 36 Знак зодиака:  Зарегистрирован: 15.04.2016 Сообщения: 7 Откуда: Кривой Рог
Авто: Fiat Tempra 2.0 i.e.
|
Добавлено: Чт Апр 21, 2016 18:21 Заголовок сообщения: |
|
|
Ребята!!!! Подскажите еще один вопрос.
На бензине то она наконец-то работает, но начала дыметь на холостых черным дымом. Если поднять обороты хотябы до 2тыс, то нормальный дым идет...на газу дым исключительно белый.
В чем вопрос? Неужели это кольца? И пора бы подкинуть кольца? Или капиталка... Надеюсь, что это форсунки переливают на холостых..
_________________ Шкафы купе по низким ценам  |
|
| Вернуться к началу |
|
 |
=aleks= Италоманьячище


Возраст: 49 Знак зодиака:  Зарегистрирован: 06.10.2009 Сообщения: 8633 Откуда: Харьков
Авто: была Tempra2.0 теперьTоyota carina-e 93 1.6
|
Добавлено: Чт Апр 21, 2016 18:28 Заголовок сообщения: |
|
|
| n1c3 писал(а): | Ребята!!!! Подскажите еще один вопрос.
На бензине то она наконец-то работает, но начала дыметь на холостых черным дымом. Если поднять обороты хотябы до 2тыс, то нормальный дым идет...на газу дым исключительно белый.
В чем вопрос? Неужели это кольца? И пора бы подкинуть кольца? Или капиталка... Надеюсь, что это форсунки переливают на холостых.. |
черный дым это идёт перелив,сизый дым это поршневая,кольца!!
_________________ Бортовик Темпра |
|
| Вернуться к началу |
|
 |
CreAtoR Италоманьячище


Возраст: 45 Знак зодиака:  Зарегистрирован: 05.11.2010 Сообщения: 25302 Откуда: Одеса
Авто: Fiat Ritmo60L(138В3.048); Lancia Dedra(835A8.046); AR GT (932A1.000)
|
Добавлено: Чт Апр 21, 2016 18:30 Заголовок сообщения: |
|
|
я просто помолчу тут в уголке...
_________________ СТО [:ІЖАК] - діагностика, ремонт і кава ^-^
FIAT, Lancia, AR та не італійські авто.
т. О9З-О64-28-О6
т. О99-ОЧI-ЧЧ-Ч2 |
|
| Вернуться к началу |
|
 |
n1c3 Amico

Возраст: 36 Знак зодиака:  Зарегистрирован: 15.04.2016 Сообщения: 7 Откуда: Кривой Рог
Авто: Fiat Tempra 2.0 i.e.
|
Добавлено: Чт Апр 21, 2016 19:15 Заголовок сообщения: |
|
|
| CreAtoR писал(а): | | я просто помолчу тут в уголке... |
Не молчи))) помогай советом...все? Наездился? Говори как есть.
Может подключить газоанализатор и не мучиться?
_________________ Шкафы купе по низким ценам  |
|
| Вернуться к началу |
|
 |
CreAtoR Италоманьячище


Возраст: 45 Знак зодиака:  Зарегистрирован: 05.11.2010 Сообщения: 25302 Откуда: Одеса
Авто: Fiat Ritmo60L(138В3.048); Lancia Dedra(835A8.046); AR GT (932A1.000)
|
Добавлено: Чт Апр 21, 2016 19:57 Заголовок сообщения: |
|
|
а может взять и проверить все компоненты по очереди? а не страшилки самому себе фантазировать.
сам говоришь: машина ездила на газу онли.
значит половиной инжектора не пользовались напрочь.
ты, как я вижу, УВЕРЕН, что всё до копейки там исправно.
а я вот - не уверен, даже очень.
_________________ СТО [:ІЖАК] - діагностика, ремонт і кава ^-^
FIAT, Lancia, AR та не італійські авто.
т. О9З-О64-28-О6
т. О99-ОЧI-ЧЧ-Ч2 |
|
| Вернуться к началу |
|
 |
Андрей К Италоманьячище


Возраст: 53 Знак зодиака:  Зарегистрирован: 19.06.2006 Сообщения: 6990 Откуда: Кривой Рог
Авто: Tempra 1.9TDs DGT & AR145TD (когда-то Uno D & "зубило")
|
Добавлено: Чт Апр 21, 2016 20:06 Заголовок сообщения: |
|
|
| Цитата: | | Может подключить газоанализатор и не мучиться? |
_________________
 |
|
| Вернуться к началу |
|
 |
|
|
Вы не можете начинать темы Вы не можете отвечать на сообщения Вы не можете редактировать свои сообщения Вы не можете удалять свои сообщения Вы не можете голосовать в опросах Вы не можете присоединять файлы в этом форуме Вы можете скачивать файлы в этом форуме
|
Powered by phpBB © 2001, 2005 phpBB Group
|