 |
Український клуб фанів FIAT / CLUB UCRAINO TIFOSO DELLA FIAT
|
 |
| Предыдущая тема :: Следующая тема |
| Автор |
Сообщение |
phosaly Италоманьячище


Возраст: 54 Знак зодиака:  Зарегистрирован: 27.05.2013 Сообщения: 1673 Откуда: Ровно
Авто: Fiat doblo 1.9Multijet 77kw 2007 Panaroma
|
Добавлено: Вс Сен 04, 2016 19:09 Заголовок сообщения: выбор подшипник ступицы передний Фиат Добло 01- (+ABS) |
|
|
Доброго дня
На 169070км гул подшипника и
помогите выбрать подшипник ступицы передний Фиат Добло 01- (+ABS)
по цене
-FAG $22
-FIAT $20
-SKF $17
-SNR $17
что брать ? еще они гайки и магнитное кольцо ?
_________________ ~Послуг дублікат чіп для фиат добло від 860грн
Последний раз редактировалось: phosaly (Сб Сен 10, 2016 18:40), всего редактировалось 1 раз |
|
| Вернуться к началу |
|
 |
CreAtoR Италоманьячище


Возраст: 45 Знак зодиака:  Зарегистрирован: 05.11.2010 Сообщения: 25288 Откуда: Одеса
Авто: Fiat Ritmo60L(138В3.048) Lancia Dedra(835A8.046)
|
Добавлено: Вс Сен 04, 2016 19:15 Заголовок сообщения: |
|
|
можно брать любой. геть без разницы.
_________________ СТО [:ІЖАК] - діагностика, ремонт і кава ^-^
FIAT, Lancia, AR та не італійські авто.
т. О9З-О64-28-О6
т. О99-ОЧI-ЧЧ-Ч2 |
|
| Вернуться к началу |
|
 |
phosaly Италоманьячище


Возраст: 54 Знак зодиака:  Зарегистрирован: 27.05.2013 Сообщения: 1673 Откуда: Ровно
Авто: Fiat doblo 1.9Multijet 77kw 2007 Panaroma
|
Добавлено: Вс Сен 04, 2016 19:16 Заголовок сообщения: |
|
|
беру SNR
XGB40706.R00 SNR
это походить для фиат добло 1.9 з АБС
_________________ ~Послуг дублікат чіп для фиат добло від 860грн |
|
| Вернуться к началу |
|
 |
@Саня@ Италомафиози


Возраст: 40 Знак зодиака:  Зарегистрирован: 29.04.2015 Сообщения: 864 Откуда: Рівне
Авто: Fiat Doblo Cargo 1.9 JTD 2005 г.в. старая морда
|
Добавлено: Вс Сен 04, 2016 20:07 Заголовок сообщения: |
|
|
Возьми лучше ступицу на розборке за 250 грн. И не прийдётся возится с перепресовкой подшипника! Себе так сделал!
_________________ +380637340730 |
|
| Вернуться к началу |
|
 |
phosaly Италоманьячище


Возраст: 54 Знак зодиака:  Зарегистрирован: 27.05.2013 Сообщения: 1673 Откуда: Ровно
Авто: Fiat doblo 1.9Multijet 77kw 2007 Panaroma
|
Добавлено: Вс Сен 04, 2016 20:56 Заголовок сообщения: |
|
|
| @Саня@ писал(а): | | Возьми лучше ступицу на розборке за 250 грн. И не прийдётся возится с перепресовкой подшипника! Себе так сделал! | Саша подскажите где ?
_________________ ~Послуг дублікат чіп для фиат добло від 860грн |
|
| Вернуться к началу |
|
 |
@Саня@ Италомафиози


Возраст: 40 Знак зодиака:  Зарегистрирован: 29.04.2015 Сообщения: 864 Откуда: Рівне
Авто: Fiat Doblo Cargo 1.9 JTD 2005 г.в. старая морда
|
Добавлено: Вс Сен 04, 2016 21:07 Заголовок сообщения: |
|
|
Я брал у Вити Дизеля! Всё робочое и легко переставить, а не выбивать подшипник, а потом возить что-бы его впресовали. И сразу уточняй что нужно с АБС. Пусть он и не 200 000км отходит ну и не 50000 км точно!
_________________ +380637340730 |
|
| Вернуться к началу |
|
 |
CreAtoR Италоманьячище


Возраст: 45 Знак зодиака:  Зарегистрирован: 05.11.2010 Сообщения: 25288 Откуда: Одеса
Авто: Fiat Ritmo60L(138В3.048) Lancia Dedra(835A8.046)
|
Добавлено: Вс Сен 04, 2016 21:59 Заголовок сообщения: |
|
|
а в чём проблема поставить новый подшипник?
когда носки продырявились - тоже по секонд-хендам бежишь?
ну что за люди...
и, да: подскажи, пожалуйста, как ему поможет ступица избежать перепрессовки подшипника?
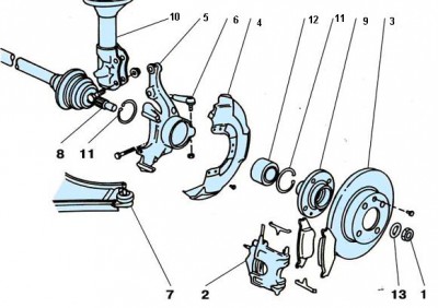
ступица - это №3, если вдруг кто не в курсе.
_________________ СТО [:ІЖАК] - діагностика, ремонт і кава ^-^
FIAT, Lancia, AR та не італійські авто.
т. О9З-О64-28-О6
т. О99-ОЧI-ЧЧ-Ч2 |
|
| Вернуться к началу |
|
 |
phosaly Италоманьячище


Возраст: 54 Знак зодиака:  Зарегистрирован: 27.05.2013 Сообщения: 1673 Откуда: Ровно
Авто: Fiat doblo 1.9Multijet 77kw 2007 Panaroma
|
Добавлено: Вс Сен 04, 2016 22:08 Заголовок сообщения: |
|
|
Саша как вариант если найду то мой старый будет запасный со новым подшипникам!
У меня нет сьемника и спросили меня за 300грн услуг замен.
| Описание: |
| Знаю и видел как меняли на добло |
|
| Размер: |
38.62 KB |
| Просмотрено: |
524 раз(а) |

|
_________________ ~Послуг дублікат чіп для фиат добло від 860грн |
|
| Вернуться к началу |
|
 |
CreAtoR Италоманьячище


Возраст: 45 Знак зодиака:  Зарегистрирован: 05.11.2010 Сообщения: 25288 Откуда: Одеса
Авто: Fiat Ritmo60L(138В3.048) Lancia Dedra(835A8.046)
|
Добавлено: Вс Сен 04, 2016 22:17 Заголовок сообщения: |
|
|
phosaly
300 грн - это замена с нуля.
то есть: ты приехал, ушел пить кофе, через час забрал машину.
о каком съёмнике идёт речь? шо ним снимать? легко справляюсь при наличии плоской отвёртки (стопор вынуть), молотка (шоб выбить и запхать новый) и наставки (шоб выбить ступицу с внутренней обоймой).
если руки растут не из жопы и хоть немного слушаются голову - запросто сделаешь сам, может потратишь больше времени - не каждый же день, наверное, подшипники меняешь, но тем не менее - ничо сложного в том нет. ну, разве шо внутренняя обойма если не слезет со ступицы - придётся пилить.
_________________ СТО [:ІЖАК] - діагностика, ремонт і кава ^-^
FIAT, Lancia, AR та не італійські авто.
т. О9З-О64-28-О6
т. О99-ОЧI-ЧЧ-Ч2 |
|
| Вернуться к началу |
|
 |
phosaly Италоманьячище


Возраст: 54 Знак зодиака:  Зарегистрирован: 27.05.2013 Сообщения: 1673 Откуда: Ровно
Авто: Fiat doblo 1.9Multijet 77kw 2007 Panaroma
|
Добавлено: Пн Сен 05, 2016 09:35 Заголовок сообщения: |
|
|
| CreAtoR писал(а): | phosaly
300 грн - это замена с нуля.
то есть: ты приехал, ушел пить кофе, через час забрал машину.
о каком съёмнике идёт речь? шо ним снимать? легко справляюсь при наличии плоской отвёртки (стопор вынуть), молотка (шоб выбить и запхать новый) и наставки (шоб выбить ступицу с внутренней обоймой).
если руки растут не из жопы и хоть немного слушаются голову - запросто сделаешь сам, может потратишь больше времени - не каждый же день, наверное, подшипники меняешь, но тем не менее - ничо сложного в том нет. ну, разве шо внутренняя обойма если не слезет со ступицы - придётся пилить. |
я имею в виду инструменты и без их не буду делать
1. пресс для вы\прессовки подшипников

2. съемник

иначе молоток и болгарка ..........
п.с где можно купить ?
_________________ ~Послуг дублікат чіп для фиат добло від 860грн |
|
| Вернуться к началу |
|
 |
@Саня@ Италомафиози


Возраст: 40 Знак зодиака:  Зарегистрирован: 29.04.2015 Сообщения: 864 Откуда: Рівне
Авто: Fiat Doblo Cargo 1.9 JTD 2005 г.в. старая морда
|
Добавлено: Пн Сен 05, 2016 10:36 Заголовок сообщения: |
|
|
[quote="CreAtoR"]
ступица - это №3, если вдруг кто не в курсе.
/quote]
В курсе!!! Я купил за 250 грн. то что под №3,2 и между ними!!!
_________________ +380637340730 |
|
| Вернуться к началу |
|
 |
CreAtoR Италоманьячище


Возраст: 45 Знак зодиака:  Зарегистрирован: 05.11.2010 Сообщения: 25288 Откуда: Одеса
Авто: Fiat Ritmo60L(138В3.048) Lancia Dedra(835A8.046)
|
Добавлено: Пн Сен 05, 2016 11:11 Заголовок сообщения: |
|
|
phosaly
для этой машины "СЪЁМНИК" не нужен.
_________________ СТО [:ІЖАК] - діагностика, ремонт і кава ^-^
FIAT, Lancia, AR та не італійські авто.
т. О9З-О64-28-О6
т. О99-ОЧI-ЧЧ-Ч2 |
|
| Вернуться к началу |
|
 |
CreAtoR Италоманьячище


Возраст: 45 Знак зодиака:  Зарегистрирован: 05.11.2010 Сообщения: 25288 Откуда: Одеса
Авто: Fiat Ritmo60L(138В3.048) Lancia Dedra(835A8.046)
|
Добавлено: Пн Сен 05, 2016 11:12 Заголовок сообщения: |
|
|
@Саня@
2 - это и есть подшипник
если ты имел ввиду, шо купил ПОВОРОТНЫЙ КУЛАК - то так и говори, не придумывай новых слов, их и так хватает.
_________________ СТО [:ІЖАК] - діагностика, ремонт і кава ^-^
FIAT, Lancia, AR та не італійські авто.
т. О9З-О64-28-О6
т. О99-ОЧI-ЧЧ-Ч2 |
|
| Вернуться к началу |
|
 |
phosaly Италоманьячище


Возраст: 54 Знак зодиака:  Зарегистрирован: 27.05.2013 Сообщения: 1673 Откуда: Ровно
Авто: Fiat doblo 1.9Multijet 77kw 2007 Panaroma
|
Добавлено: Пн Сен 05, 2016 12:53 Заголовок сообщения: |
|
|
да ПОВОРОТНЫЙ КУЛАК можно найти за 250грн + еще новый подшипник ...
все понятно спасибо
_________________ ~Послуг дублікат чіп для фиат добло від 860грн |
|
| Вернуться к началу |
|
 |
phosaly Италоманьячище


Возраст: 54 Знак зодиака:  Зарегистрирован: 27.05.2013 Сообщения: 1673 Откуда: Ровно
Авто: Fiat doblo 1.9Multijet 77kw 2007 Panaroma
|
Добавлено: Пн Сен 05, 2016 13:14 Заголовок сообщения: |
|
|
| CreAtoR писал(а): | phosaly
для этой машины "СЪЁМНИК" не нужен. |
значить будет ТАК

_________________ ~Послуг дублікат чіп для фиат добло від 860грн |
|
| Вернуться к началу |
|
 |
|
|
Вы не можете начинать темы Вы не можете отвечать на сообщения Вы не можете редактировать свои сообщения Вы не можете удалять свои сообщения Вы не можете голосовать в опросах Вы не можете присоединять файлы в этом форуме Вы можете скачивать файлы в этом форуме
|
Powered by phpBB © 2001, 2005 phpBB Group
|