 |
Український клуб фанів FIAT / CLUB UCRAINO TIFOSO DELLA FIAT
|
 |
| Предыдущая тема :: Следующая тема |
| Автор |
Сообщение |
Aleksei Amico


Возраст: 53 Знак зодиака:  Зарегистрирован: 01.02.2008 Сообщения: 33 Откуда: Israel
Авто: Fiat pynto2002
|
Добавлено: Пт Фев 01, 2008 22:18 Заголовок сообщения: Усилитель руля в Фиат пунто 2002 |
|
|
| Руль стал тяжёлым сейчас на режими сити надо применять усилия как раньше в простом режиме . Пару раз на езде вобще отказывал загоралась красная лампочка . Может кто знает можно ли его починить?
|
|
| Вернуться к началу |
|
 |
Massimo. Италоманьячище


Возраст: 42 Знак зодиака:  Зарегистрирован: 10.02.2006 Сообщения: 3065 Откуда: Дніпро
Авто: Alfa Romeo Crosswagon; Volvo 740 Turbo, 240 Turbo; Chrysler Sebring Convertible 2.7
|
Добавлено: Сб Фев 02, 2008 15:50 Заголовок сообщения: |
|
|
вероятне всего лечится заменой, но для начала я бі ег опоказал толковому єлектрику[/code]
_________________ 050 361 65 10 |
|
| Вернуться к началу |
|
 |
master155 Член клуба


Возраст: 49 Знак зодиака:  Зарегистрирован: 21.11.2005 Сообщения: 5319 Откуда: Россия.Москва.
Авто: Alfa Romeo Brera 3,2 Q4
|
Добавлено: Пн Фев 04, 2008 09:47 Заголовок сообщения: |
|
|
Я не видел случаев ремонта электроусилителя. Скорее замена.
_________________ Страсть и скорость - понятия идентичные. |
|
| Вернуться к началу |
|
 |
Aleksei Amico


Возраст: 53 Знак зодиака:  Зарегистрирован: 01.02.2008 Сообщения: 33 Откуда: Israel
Авто: Fiat pynto2002
|
Добавлено: Пн Фев 04, 2008 11:01 Заголовок сообщения: |
|
|
Но это рулевая Fiat Grande Punto кому интересно
| Описание: |
|
| Размер: |
33.34 KB |
| Просмотрено: |
643 раз(а) |

|
| Описание: |
|
| Размер: |
49.92 KB |
| Просмотрено: |
680 раз(а) |

|
_________________ Скуп : Aleksej |
|
| Вернуться к началу |
|
 |
Aleksei Amico


Возраст: 53 Знак зодиака:  Зарегистрирован: 01.02.2008 Сообщения: 33 Откуда: Israel
Авто: Fiat pynto2002
|
Добавлено: Пн Фев 11, 2008 15:17 Заголовок сообщения: |
|
|
Скажите кто знает как снять электроусилитель надо ли снимать руль , и какие там трудности есть ? Хочу снять посмотреть он ещё до конца не отказал может какой подшибник подклинивает
_________________ Скуп : Aleksej |
|
| Вернуться к началу |
|
 |
Djfj Италофан


Возраст: 43 Знак зодиака:  Зарегистрирован: 03.05.2007 Сообщения: 300 Откуда: Tver, Rus
Авто: Fiat Punto 188 1.2 8v 60hp + GP 1.4 77hp
|
Добавлено: Пн Фев 11, 2008 15:27 Заголовок сообщения: |
|
|
Aleksei
тама в контактах дело вроде....
_________________ Fiat Punto 188 1.2 8v 60hp + GP 1.4 8v 77hp
 |
|
| Вернуться к началу |
|
 |
Aleksei Amico


Возраст: 53 Знак зодиака:  Зарегистрирован: 01.02.2008 Сообщения: 33 Откуда: Israel
Авто: Fiat pynto2002
|
Добавлено: Пн Фев 11, 2008 22:22 Заголовок сообщения: |
|
|
| Djfj писал(а): | Aleksei
тама в контактах дело вроде.... | вполне возможно вот и спрашиваю может кто снимал
_________________ Скуп : Aleksej |
|
| Вернуться к началу |
|
 |
Aleksei Amico


Возраст: 53 Знак зодиака:  Зарегистрирован: 01.02.2008 Сообщения: 33 Откуда: Israel
Авто: Fiat pynto2002
|
Добавлено: Ср Фев 20, 2008 08:32 Заголовок сообщения: |
|
|
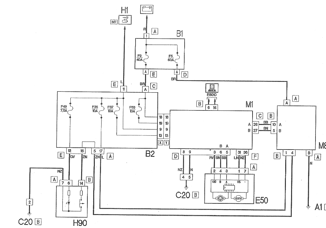
Вот схема его кто то спрашивал
| Описание: |
|
| Размер: |
210.13 KB |
| Просмотрено: |
1071 раз(а) |

|
_________________ Скуп : Aleksej |
|
| Вернуться к началу |
|
 |
|
|
Вы не можете начинать темы Вы не можете отвечать на сообщения Вы не можете редактировать свои сообщения Вы не можете удалять свои сообщения Вы не можете голосовать в опросах Вы не можете присоединять файлы в этом форуме Вы можете скачивать файлы в этом форуме
|
Powered by phpBB © 2001, 2005 phpBB Group
|