 |
Український клуб фанів FIAT / CLUB UCRAINO TIFOSO DELLA FIAT
|
 |
| Предыдущая тема :: Следующая тема |
| Автор |
Сообщение |
CreAtoR Италоманьячище


Возраст: 45 Знак зодиака:  Зарегистрирован: 05.11.2010 Сообщения: 25290 Откуда: Одеса
Авто: Fiat Ritmo60L(138В3.048) Lancia Dedra(835A8.046)
|
Добавлено: Чт Мар 15, 2018 00:31 Заголовок сообщения: |
|
|
papatut
та нема на них никакой нагрузки...
_________________ СТО [:ІЖАК] - діагностика, ремонт і кава ^-^
FIAT, Lancia, AR та не італійські авто.
т. О9З-О64-28-О6
т. О99-ОЧI-ЧЧ-Ч2 |
|
| Вернуться к началу |
|
 |
papatut Amico

Возраст: 37 Знак зодиака:  Зарегистрирован: 27.09.2017 Сообщения: 5 Откуда: Рівне
Авто: Fiat Bravo
|
Добавлено: Сб Мар 17, 2018 22:51 Заголовок сообщения: Кондуктора на 3d принтере. |
|
|
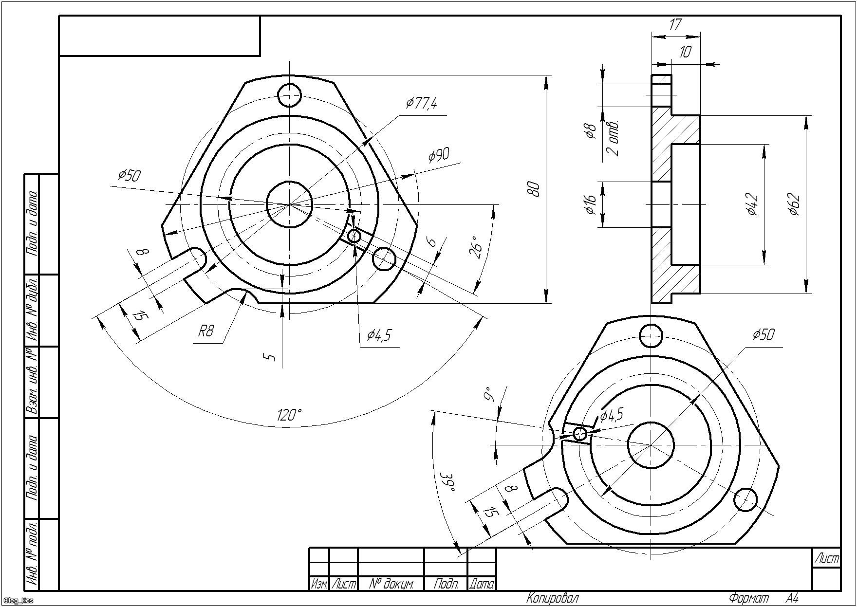
Знакомый скинул фото кондукторов, которые напечатал по моей модели. Модель делал сам, по этому чертежу http://fiat-club.org.ua/forum/download.php?id=85314. Угли 125 и 39. Что думаете, выйдет с ними заменить ремень ГРМ?
| Описание: |
|
| Размер: |
146.66 KB |
| Просмотрено: |
437 раз(а) |

|
| Описание: |
|
| Размер: |
137.69 KB |
| Просмотрено: |
410 раз(а) |

|
| Описание: |
|
| Размер: |
85.67 KB |
| Просмотрено: |
413 раз(а) |

|
|
|
| Вернуться к началу |
|
 |
H-Q Италолюбитель

Возраст: 76 Знак зодиака:  Зарегистрирован: 25.10.2017 Сообщения: 61 Откуда: Харьков
Авто: пешеход
|
Добавлено: Сб Мар 17, 2018 23:26 Заголовок сообщения: |
|
|
| а индикатор вмт есть?
|
|
| Вернуться к началу |
|
 |
CreAtoR Италоманьячище


Возраст: 45 Знак зодиака:  Зарегистрирован: 05.11.2010 Сообщения: 25290 Откуда: Одеса
Авто: Fiat Ritmo60L(138В3.048) Lancia Dedra(835A8.046)
|
Добавлено: Сб Мар 17, 2018 23:33 Заголовок сообщения: |
|
|
H-Q
Типа хотел шото умное ляпнуть?
На шестерне коленвала метка есть.
papatut
Только не сломай коленвала при сборке.
_________________ СТО [:ІЖАК] - діагностика, ремонт і кава ^-^
FIAT, Lancia, AR та не італійські авто.
т. О9З-О64-28-О6
т. О99-ОЧI-ЧЧ-Ч2 |
|
| Вернуться к началу |
|
 |
papatut Amico

Возраст: 37 Знак зодиака:  Зарегистрирован: 27.09.2017 Сообщения: 5 Откуда: Рівне
Авто: Fiat Bravo
|
Добавлено: Сб Мар 17, 2018 23:36 Заголовок сообщения: |
|
|
| H-Q писал(а): | | а индикатор вмт есть? |
Нет. Но менять будет мастер, думаю у него есть, или каким другим способом сможет определить.
|
|
| Вернуться к началу |
|
 |
|
|
Вы не можете начинать темы Вы не можете отвечать на сообщения Вы не можете редактировать свои сообщения Вы не можете удалять свои сообщения Вы не можете голосовать в опросах Вы не можете присоединять файлы в этом форуме Вы можете скачивать файлы в этом форуме
|
Powered by phpBB © 2001, 2005 phpBB Group
|