Сайт Українського клуба фанів FIAT Український клуб фанів FIAT / CLUB UCRAINO TIFOSO DELLA FIAT

 
ФотогалереяФотогалерея   FAQFAQ   ПоискПоиск   ПользователиПользователи   ГруппыГруппы   РегистрацияРегистрация 
 ПрофильПрофиль   Войти и проверить личные сообщенияВойти и проверить личные сообщения   ВходВход 

Fiat Uno 1.4 i.e.S 1995
На страницу Пред.  1, 2
 
Начать новую тему   Ответить на тему    Список форумов Український клуб фанів FIAT / CLUB UCRAINO TIFOSO DELLA FIAT -> Браття наші менші (FIAT Uno, FIAT Panda, Fiat Seicento, Fiat Cinquecento)
Предыдущая тема :: Следующая тема  
Автор Сообщение
Big_Daddy
Италофан


Италофан

Возраст: 35
Знак зодиака: Водолей
Зарегистрирован: 19.01.2010
Сообщения: 294
Откуда: Киев

Авто: Fiat Uno 1.0 mono injection, AR 33 1.5 Sport Wagon

СообщениеДобавлено: Пн Мар 29, 2010 00:53    Заголовок сообщения: Ответить с цитатой

Master
тише там!!!!!! redkard
нисметь на фаир гнать Exclamation Exclamation Exclamation
кстати а где тамп этот код глянуть то можна Question

_________________
Вернуться к началу
Посмотреть профиль Отправить личное сообщение
Хоттабыч
Италоманьячище


Италоманьячище

Возраст: 59
Знак зодиака: Водолей
Зарегистрирован: 25.04.2008
Сообщения: 12017
Откуда: Киев, Соломенка

Авто: Fiat Fiorino 1.3mjtd, ранее Tipo 1.6 MI

СообщениеДобавлено: Пн Мар 29, 2010 01:21    Заголовок сообщения: Ответить с цитатой

k_Ast
Пиши здесь, звони 0639989129, 0661694095, приезжай Волынская, 66 - поможем и с ремонтом, и с запчастями

_________________
СТО Fiat: пн-птн с 9.30 до 18.00, суб с 9.30 до 15.00. Оригинальные запчасти.
0661694095, 0639989129 (viber) 9.00 - 18.00
http://fiat-club.org.ua/forum/viewtopic.php?t=38938&start=0
Вернуться к началу
Посмотреть профиль Отправить личное сообщение Отправить e-mail Посетить сайт автора
aleeck
Amico


Amico

Возраст: 45
Знак зодиака: Овен
Зарегистрирован: 15.03.2010
Сообщения: 21
Откуда: Одесса

Авто: NAVARA + UNO = гремучая смесь

СообщениеДобавлено: Пн Мар 29, 2010 23:36    Заголовок сообщения: Ответить с цитатой

у меня точно такой же поляк
искал кулису на яме в Одессе
то же самое
зверь не извесной породы
каталогами не идетефицируется (хрен знает как пишется правильно)
с пятого захода нашли по картинке похожее от уно 88года
но в наличии нет
"Короче бразэр имеем счастье"

_________________
глаза бояться руки делают
Вернуться к началу
Посмотреть профиль Отправить личное сообщение
Master
Почетный кидала



Возраст: 37
Знак зодиака: Стрелец
Зарегистрирован: 12.10.2006
Сообщения: 7747
Откуда: Киев

Авто: VW Transporter T5 2.5TDI 2007гв,Fiat Tempra 1.9TDs DGT+clima 96г.в(бешеный трактор)

СообщениеДобавлено: Вт Мар 30, 2010 23:15    Заголовок сообщения: Ответить с цитатой

Вообщем сегодня видел эту унку на ВолынскойWinkдвигатель 1.4 160 А1 046 (Типошный),коробка на вид Типо
_________________
Безумие-это наш запасной Выход!!!©Street NRG
VW Transporter T5 2.5TDI 2007гв(174л.с)(большoй Икарус)
Fiat Tempra 1.6 ie=>Fiat Tempra 1.9TDs DGT+clima,96г.в(TURBO трактор)
067 763 30 38
Вернуться к началу
Посмотреть профиль Отправить личное сообщение Отправить e-mail
finenko
Италоманьячище


Италоманьячище

Возраст: 50
Знак зодиака: Телец
Зарегистрирован: 16.10.2006
Сообщения: 2271
Откуда: Днепр

Авто: был UNO 1,4ies, Tempra 1,6ie, теперь Stilo 1,6

СообщениеДобавлено: Вт Мар 30, 2010 23:29    Заголовок сообщения: Ответить с цитатой

Ну вот, идентифицировали наконец Smile Только коробка там по другому (чем у Типо) тяжками кулисы должна быть обвязана.
Вернуться к началу
Посмотреть профиль Отправить личное сообщение
Master
Почетный кидала



Возраст: 37
Знак зодиака: Стрелец
Зарегистрирован: 12.10.2006
Сообщения: 7747
Откуда: Киев

Авто: VW Transporter T5 2.5TDI 2007гв,Fiat Tempra 1.9TDs DGT+clima 96г.в(бешеный трактор)

СообщениеДобавлено: Вт Мар 30, 2010 23:32    Заголовок сообщения: Ответить с цитатой

Ну насколько разгледел то кулиса включения передач аналогична типо,теже тяги,тот же игольчатый на рейке
_________________
Безумие-это наш запасной Выход!!!©Street NRG
VW Transporter T5 2.5TDI 2007гв(174л.с)(большoй Икарус)
Fiat Tempra 1.6 ie=>Fiat Tempra 1.9TDs DGT+clima,96г.в(TURBO трактор)
067 763 30 38
Вернуться к началу
Посмотреть профиль Отправить личное сообщение Отправить e-mail
finenko
Италоманьячище


Италоманьячище

Возраст: 50
Знак зодиака: Телец
Зарегистрирован: 16.10.2006
Сообщения: 2271
Откуда: Днепр

Авто: был UNO 1,4ies, Tempra 1,6ie, теперь Stilo 1,6

СообщениеДобавлено: Вт Мар 30, 2010 23:38    Заголовок сообщения: Ответить с цитатой

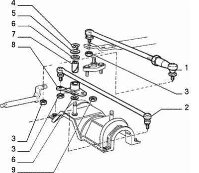
Отаке должно стоять по идее с 514 коробкой


Безымянный.JPG
 Описание:
 Размер:  26.46 KB
 Просмотрено:  257 раз(а)

Безымянный.JPG


Вернуться к началу
Посмотреть профиль Отправить личное сообщение
Master
Почетный кидала



Возраст: 37
Знак зодиака: Стрелец
Зарегистрирован: 12.10.2006
Сообщения: 7747
Откуда: Киев

Авто: VW Transporter T5 2.5TDI 2007гв,Fiat Tempra 1.9TDs DGT+clima 96г.в(бешеный трактор)

СообщениеДобавлено: Вт Мар 30, 2010 23:41    Заголовок сообщения: Ответить с цитатой

Точно тяги вроде две виделWinkвообщем суть неважнаWinkпри желании и Типовская должна стать
_________________
Безумие-это наш запасной Выход!!!©Street NRG
VW Transporter T5 2.5TDI 2007гв(174л.с)(большoй Икарус)
Fiat Tempra 1.6 ie=>Fiat Tempra 1.9TDs DGT+clima,96г.в(TURBO трактор)
067 763 30 38
Вернуться к началу
Посмотреть профиль Отправить личное сообщение Отправить e-mail
Stan
Италоманьячище


Италоманьячище

Возраст: 40
Знак зодиака: Водолей
Зарегистрирован: 09.05.2009
Сообщения: 3210
Откуда: ЗСУ

Авто: Ford C-Max 2.0 Chia

СообщениеДобавлено: Вт Мар 30, 2010 23:44    Заголовок сообщения: Ответить с цитатой

k_Ast
Видел сегодня твою машинку на Волынской. Ляля! Wink

_________________
Ford C-Max 2.0 (були: Opel Vectra C, Opel Omega B, Opel Vectra B, Opel Omega A, Opel Kadett E, Opel Kadett E, Fiat Regata 75 i.e.)
Вернуться к началу
Посмотреть профиль Отправить личное сообщение Отправить e-mail
k_Ast
Amico


Amico

Возраст: 42
Знак зодиака: Рыбы
Зарегистрирован: 05.03.2007
Сообщения: 17
Откуда: Киев, Лукьяновка

Авто: Fiat Uno

СообщениеДобавлено: Ср Мар 31, 2010 15:01    Заголовок сообщения: Ответить с цитатой

Уже как сутки там стоит..надеюсь сегодня заберу)))правда Master Wink?
Вернуться к началу
Посмотреть профиль Отправить личное сообщение
Vaschek
Италоманьячище


Италоманьячище

Возраст: 50
Знак зодиака: Дева
Зарегистрирован: 25.07.2008
Сообщения: 4501
Откуда: Киевские мы

Авто: VW Passat B3 / Peugeot 106

СообщениеДобавлено: Ср Мар 31, 2010 16:15    Заголовок сообщения: Ответить с цитатой

k_Ast писал(а):
Уже как сутки там стоит..надеюсь сегодня заберу)))правда Master Wink?


Кому ты веришь...! Twisted Evil
Master пока не накатаеться не отдаст Laughing

_________________
Морква на городi, У саду бджола.
Жаба на болотi Крила розвела.
Хоче полетiти, Тихо каже "Ква!"
Але в небо взмити Hе дає Москва.
Вернуться к началу
Посмотреть профиль Отправить личное сообщение Отправить e-mail
Показать сообщения:   
Начать новую тему   Ответить на тему    Список форумов Український клуб фанів FIAT / CLUB UCRAINO TIFOSO DELLA FIAT -> Браття наші менші (FIAT Uno, FIAT Panda, Fiat Seicento, Fiat Cinquecento) Часовой пояс: GMT + 3
На страницу Пред.  1, 2
Страница 2 из 2

 
Перейти:  
Вы не можете начинать темы
Вы не можете отвечать на сообщения
Вы не можете редактировать свои сообщения
Вы не можете удалять свои сообщения
Вы не можете голосовать в опросах
Вы не можете присоединять файлы в этом форуме
Вы можете скачивать файлы в этом форуме






Powered by phpBB © 2001, 2005 phpBB Group
З питань розміщення реклами писати на цю адресу