Сайт Українського клуба фанів FIAT Український клуб фанів FIAT / CLUB UCRAINO TIFOSO DELLA FIAT

 
ФотогалереяФотогалерея   FAQFAQ   ПоискПоиск   ПользователиПользователи   ГруппыГруппы   РегистрацияРегистрация 
 ПрофильПрофиль   Войти и проверить личные сообщенияВойти и проверить личные сообщения   ВходВход 

у кого дедра вагон? нужна помощь !!!!

 
Начать новую тему   Ответить на тему    Список форумов Український клуб фанів FIAT / CLUB UCRAINO TIFOSO DELLA FIAT -> Ремонт та обслуговування Lancia
Предыдущая тема :: Следующая тема  
Автор Сообщение
t309
Италоманьячище


Италоманьячище

Возраст: 42
Знак зодиака: Телец
Зарегистрирован: 10.01.2009
Сообщения: 1335
Откуда: Львов

Авто: dedra

СообщениеДобавлено: Сб Июл 10, 2010 23:14    Заголовок сообщения: у кого дедра вагон? нужна помощь !!!! Ответить с цитатой

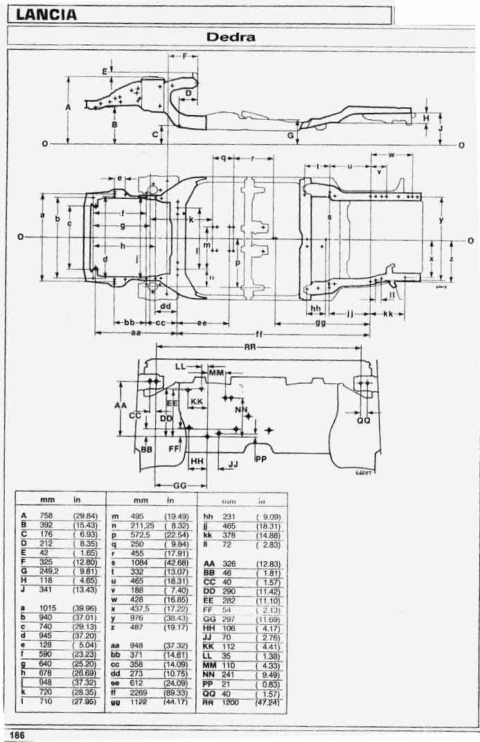
у кого дедра вагон с не битым задком отзовитесь, надо померять пару размеров чтоб знать как должно быть!!!!
Вернуться к началу
Посмотреть профиль Отправить личное сообщение
iggi1711
Италомафиози


Италомафиози

Возраст: 48
Знак зодиака: Скорпион
Зарегистрирован: 11.03.2009
Сообщения: 972
Откуда: Киев

Авто: Lancia Delta Nova 1,6 i.e. 160 км/ч больше не пробовал->Пешкарус 5-10 км\ч->Renault Laguna II\2.0\140hp\260км\ч на приборке

СообщениеДобавлено: Ср Июл 14, 2010 07:22    Заголовок сообщения: Ответить с цитатой

Может это поможет


Dedra.jpg
 Описание:
 Размер:  63.26 KB
 Просмотрено:  210 раз(а)

Dedra.jpg



_________________
Вернуться к началу
Посмотреть профиль Отправить личное сообщение
t309
Италоманьячище


Италоманьячище

Возраст: 42
Знак зодиака: Телец
Зарегистрирован: 10.01.2009
Сообщения: 1335
Откуда: Львов

Авто: dedra

СообщениеДобавлено: Чт Июл 15, 2010 01:48    Заголовок сообщения: Ответить с цитатой

iggi1711
штука хорошая но у мну есть ет размери силовой части а мне надо по багажнику пару размеров тамвисоки криши ширіна акна потом на фото покажуи какие именно размери надо, но всеравно спасибо!!!

_________________
฿:1C6gircuFWS6oE6ivUiHrxvafbjJQ3MbS5
Ніяких хабарів, відкатів, порушень законів та ПДР!
Yootube https://goo.gl/TcJrkr
Продам https://goo.gl/vxIwZB
Вернуться к началу
Посмотреть профиль Отправить личное сообщение
Показать сообщения:   
Начать новую тему   Ответить на тему    Список форумов Український клуб фанів FIAT / CLUB UCRAINO TIFOSO DELLA FIAT -> Ремонт та обслуговування Lancia Часовой пояс: GMT + 3
Страница 1 из 1

 
Перейти:  
Вы не можете начинать темы
Вы не можете отвечать на сообщения
Вы не можете редактировать свои сообщения
Вы не можете удалять свои сообщения
Вы не можете голосовать в опросах
Вы не можете присоединять файлы в этом форуме
Вы можете скачивать файлы в этом форуме






Powered by phpBB © 2001, 2005 phpBB Group
З питань розміщення реклами писати на цю адресу