Сайт Українського клуба фанів FIAT Український клуб фанів FIAT / CLUB UCRAINO TIFOSO DELLA FIAT

 
ФотогалереяФотогалерея   FAQFAQ   ПоискПоиск   ПользователиПользователи   ГруппыГруппы   РегистрацияРегистрация 
 ПрофильПрофиль   Войти и проверить личные сообщенияВойти и проверить личные сообщения   ВходВход 

Требуеться схема топливной системы SPI-Motronic MA1.7.2

 
Начать новую тему   Ответить на тему    Список форумов Український клуб фанів FIAT / CLUB UCRAINO TIFOSO DELLA FIAT -> FIAT Tipo, FIAT Tempra
Предыдущая тема :: Следующая тема  
Автор Сообщение
Freeman_81
Amico


Amico

Возраст: 44
Знак зодиака: Стрелец
Зарегистрирован: 08.09.2010
Сообщения: 43
Откуда: Белорусь

Авто: FIAT TEMPRA 1,6 1993г. SPI Motronic MA1.7 ZFA15900007551676

СообщениеДобавлено: Пт Фев 18, 2011 19:34    Заголовок сообщения: Требуеться схема топливной системы SPI-Motronic MA1.7.2 Ответить с цитатой

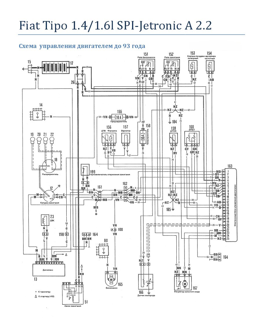
Всем привет!!! Вот хочу проверить проводку от ЭБУ к датчикам, много схем пересмотрел, они либо плохого качества, либо ни то, что надо.
По этому если у кого есть схема на SPI-Motronic MA1.7.2 просьба поделиться!
Вот хорошая схема на русском (даже датчики подписаны),да только на SPI-Jetronic A2.2,может у кого есть данный мануал?



2.JPG
 Описание:
 Размер:  200.77 KB
 Просмотрено:  1388 раз(а)

2.JPG



_________________
1993г. SPI Motronic MA1.7 ZFA15900007551676
Вернуться к началу
Посмотреть профиль Отправить личное сообщение
iggi1711
Италомафиози


Италомафиози

Возраст: 48
Знак зодиака: Скорпион
Зарегистрирован: 11.03.2009
Сообщения: 972
Откуда: Киев

Авто: Lancia Delta Nova 1,6 i.e. 160 км/ч больше не пробовал->Пешкарус 5-10 км\ч->Renault Laguna II\2.0\140hp\260км\ч на приборке

СообщениеДобавлено: Чт Фев 24, 2011 23:05    Заголовок сообщения: Ответить с цитатой

Тут по Типо/Темпра http://depositfiles.com/files/ci6ft43gd, а тут по всем http://ftp.fiat-club.org.ua/Manuals/%ce%e1%f9%e8%e5/contatto.pdf
Твой Бошевский моник в Типо\Темпра скорей всего не найдёш, ищи в Дедра\Дельта2. Посмори на нешем ФТП, там много интересного http://ftp.fiat-club.org.ua/Manuals/
И чего ты решил что у тебя SPI-Motronic MA1.7.2, скоее просто Бош Моно Мотроник МА1.7, сними крышку и посмотри что на мозгу написано.

_________________
Вернуться к началу
Посмотреть профиль Отправить личное сообщение
Показать сообщения:   
Начать новую тему   Ответить на тему    Список форумов Український клуб фанів FIAT / CLUB UCRAINO TIFOSO DELLA FIAT -> FIAT Tipo, FIAT Tempra Часовой пояс: GMT + 3
Страница 1 из 1

 
Перейти:  
Вы не можете начинать темы
Вы не можете отвечать на сообщения
Вы не можете редактировать свои сообщения
Вы не можете удалять свои сообщения
Вы не можете голосовать в опросах
Вы не можете присоединять файлы в этом форуме
Вы можете скачивать файлы в этом форуме






Powered by phpBB © 2001, 2005 phpBB Group
З питань розміщення реклами писати на цю адресу