 |
Український клуб фанів FIAT / CLUB UCRAINO TIFOSO DELLA FIAT
|
 |
| Предыдущая тема :: Следующая тема |
| Автор |
Сообщение |
igor_s Amico

Возраст: 68 Знак зодиака:  Зарегистрирован: 18.06.2010 Сообщения: 7 Откуда: Львів
Авто: Tipo 1,6
|
Добавлено: Пн Апр 04, 2011 13:49 Заголовок сообщения: 149c2.046, схема ECU |
|
|
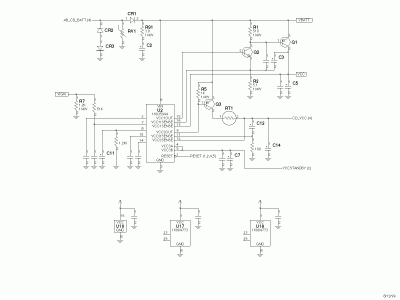
Можливо, багатьом власникам Тіпо 1,6 DOHC стане корисною електрична схема ECU GM 1228746, яка є практично ідентичною схемі ECU GM 1228254, що встановлена на цих машинах з двигуном 149с2.046. Наприклад, на платі не встановлені елементи керування
другою форсункою. Вочевидь, різний вміст ПЗУ, УФ ПЗУ, тощо.
| Описание: |
|
| Размер: |
34 KB |
| Просмотрено: |
561 раз(а) |

|
| Описание: |
|
| Размер: |
32.44 KB |
| Просмотрено: |
488 раз(а) |

|
| Описание: |
|
| Размер: |
25.58 KB |
| Просмотрено: |
326 раз(а) |

|
| Описание: |
|
| Размер: |
51.17 KB |
| Просмотрено: |
399 раз(а) |

|
| Описание: |
|
| Размер: |
51.34 KB |
| Просмотрено: |
377 раз(а) |

|
|
|
| Вернуться к началу |
|
 |
igor_s Amico

Возраст: 68 Знак зодиака:  Зарегистрирован: 18.06.2010 Сообщения: 7 Откуда: Львів
Авто: Tipo 1,6
|
Добавлено: Пн Апр 04, 2011 13:50 Заголовок сообщения: |
|
|
Додатково.
| Описание: |
|
| Размер: |
19.83 KB |
| Просмотрено: |
372 раз(а) |

|
|
|
| Вернуться к началу |
|
 |
Romko Италоманьячище


Возраст: 44 Знак зодиака:  Зарегистрирован: 25.07.2006 Сообщения: 3653 Откуда: Львів
Авто: Cherokee KL 3.2 4*4 Limited; Mito 135 TCT
|
Добавлено: Пн Апр 04, 2011 13:56 Заголовок сообщения: |
|
|
привіт, а Ваш Тіпо котрого року? номер не 1957 випадково?
_________________ Слава Україні!! |
|
| Вернуться к началу |
|
 |
Вальдемар Amico

Возраст: 38 Знак зодиака:  Зарегистрирован: 27.03.2011 Сообщения: 12 Откуда: Харьков
Авто: Fiat Tipo 90 1.6 ---149.c2.046
|
Добавлено: Вт Апр 05, 2011 01:49 Заголовок сообщения: |
|
|
| доброй ночи! а у вас нету случайно рисунка или схемы сборки двигателя 149с2046, за ранее спасибо!
|
|
| Вернуться к началу |
|
 |
tiipo Италомафиози


Возраст: 41 Знак зодиака:  Зарегистрирован: 29.11.2009 Сообщения: 786 Откуда: Город Героев Смела
Авто: Fiat Tipo 1.6 DOHC 149С2046 был \\ Brava 1.8 16v GT газ\бензин OPEL OMEGA B 2.5 ,бенз
|
Добавлено: Вт Апр 05, 2011 07:52 Заголовок сообщения: |
|
|
Вальдемар Зачем тибе схема?Двиг интерестный но собираеться как и все (в принципе) У мя бля был таков я его немного капиталил. (колечки, сальнички,башку делали,сцепу_____ и тд.)короче ниче сложного!
_________________ Найкраща та на якій гоцаєш!!! |
|
| Вернуться к началу |
|
 |
igor_s Amico

Возраст: 68 Знак зодиака:  Зарегистрирован: 18.06.2010 Сообщения: 7 Откуда: Львів
Авто: Tipo 1,6
|
Добавлено: Ср Апр 06, 2011 15:59 Заголовок сообщения: |
|
|
[Romko]привіт, а Ваш Тіпо котрого року? номер не 1957 випадково?[/quote]
Мій Тіпо 1991 року, номер не 1957.
|
|
| Вернуться к началу |
|
 |
|
|
Вы не можете начинать темы Вы не можете отвечать на сообщения Вы не можете редактировать свои сообщения Вы не можете удалять свои сообщения Вы не можете голосовать в опросах Вы не можете присоединять файлы в этом форуме Вы можете скачивать файлы в этом форуме
|
Powered by phpBB © 2001, 2005 phpBB Group
|