Сайт Українського клуба фанів FIAT Український клуб фанів FIAT / CLUB UCRAINO TIFOSO DELLA FIAT

 
ФотогалереяФотогалерея   FAQFAQ   ПоискПоиск   ПользователиПользователи   ГруппыГруппы   РегистрацияРегистрация 
 ПрофильПрофиль   Войти и проверить личные сообщенияВойти и проверить личные сообщения   ВходВход 

Світиться слабо ламп. акумулят. +проблема з зарядк. на Скудо

 
Начать новую тему   Ответить на тему    Список форумов Український клуб фанів FIAT / CLUB UCRAINO TIFOSO DELLA FIAT -> Мінівени, мікроавтобуси (FIAT Scudo, FIAT Ducato, FIAT Ulysse)
Предыдущая тема :: Следующая тема  
Автор Сообщение
scudo_diesel
Италоманьяк


Италоманьяк

Возраст: 49
Знак зодиака: Лев
Зарегистрирован: 02.01.2008
Сообщения: 404
Откуда: Закарпаття

Авто: Fiat Doblo Panorama 1.6Multijet Emotion bordo 2011р.в., Hyundai IX20 1.4 CRDI 2011 р.в, Fiat Scudo 1.9TDI 1996р.в.

СообщениеДобавлено: Вс Июл 17, 2011 13:52    Заголовок сообщения: Світиться слабо ламп. акумулят. +проблема з зарядк. на Скудо Ответить с цитатой

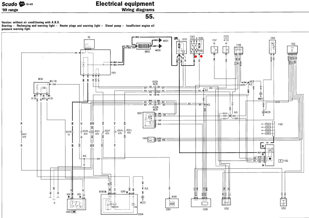
Шановні форумчани! Всі власники Скудо знають, що коли повертаєш ключ запалювання з нульового положення до першого положення- палиться лампочка акумулятора. Далі коли повертаєш- включаються свічки накалювання, коли вони гаснуть- повертаєш далі для запуска стартера. Як двигун запуститься- лампа акумулятора світить. Вентилятор вентиляції не працює. Далі є два варіанти - або трошки підвищиш обороти мотора, почуєш як клацне релюшка, після того починає працювати вентилятор обдува і відповідно гасне лампочка зарядки. Або сама релюшка через дікілька хвилин запускає зарядку на генераторі, а потім включається обдув.
Проблема в якійсь мірі виникла минулої осені. Проблема періодично сама пропадала без яких-небо дій. Проявлялося так, що в положенні, коли має світитися лампочка акумулятора- світила дуже слабо. Далі при прогріву свічок працював ветилятор обдува салону. Після запуску мотора лампочка таким же чином світила далі- не гасла. Зарядка була в порядку. Я шукав причину- не знайшов. Перечистив генератор, щітки були в порядку. Причина на якийсь період сама зникла. Далі зимою почала пропадати зарядка. Саме цікаво, що з'являлася після прогазовки над 3500об/хв, і далі була постійно. Було замінено реле, в якому клацало при переключанні, на нове. Проблема не зникла. Тепер замінив "таблетку" генератора. Без змін. Якщо відкрутити клеме D+ від генератора, лампочка сама по собі світить. Якщо напрямик до маси- починає лампочка світити в повну силу. По схемї контролька акумулятора особливо нічого немає. На яких небо схемах нічого нема про реле, яке запускає вентилятор салона. Хто знає, як зв'язана та релюшка з запуском двигуна? Де шукати ще причину?
Подібна тема http://fiat-club.org.ua/forum/viewtopic.php?t=30411&postdays=0&postorder=asc&start=0
Але там проблема пропала після заміни "таблетки" генератора.
Вернуться к началу
Посмотреть профиль Отправить личное сообщение
alex-lv
Италоманьячище


Италоманьячище

Возраст: 30
Знак зодиака: Дева
Зарегистрирован: 14.09.2009
Сообщения: 1306
Откуда: Львів

Авто: продано

СообщениеДобавлено: Вс Июл 17, 2011 19:31    Заголовок сообщения: Re: Світиться слабо ламп. акумулят. +проблема з зарядк. на С Ответить с цитатой

scudo_diesel писал(а):
Шановні форумчани! Всі власники Скудо знають, що коли повертаєш ключ запалювання з нульового положення до першого положення- палиться лампочка акумулятора. Далі коли повертаєш- включаються свічки накалювання, коли вони гаснуть- повертаєш далі для запуска стартера. Як двигун запуститься- лампа акумулятора світить. Вентилятор вентиляції не працює. Далі є два варіанти - або трошки підвищиш обороти мотора, почуєш як клацне релюшка, після того починає працювати вентилятор обдува і відповідно гасне лампочка зарядки. Або сама релюшка через дікілька хвилин запускає зарядку на генераторі, а потім включається обдув.

Shocked Для мене , це новина!
Що б лампочка зарядки не горіла, між двома клемами на генераторі повина бути нульова напруга. Як що напруга якась є, генератор потребує ремонту. Hi



zarjad.JPG
 Описание:
 Размер:  99.13 KB
 Просмотрено:  1067 раз(а)

zarjad.JPG


Вернуться к началу
Посмотреть профиль Отправить личное сообщение
Aryll
Италоманьяк


Италоманьяк

Возраст: 54
Знак зодиака: Стрелец
Зарегистрирован: 26.05.2010
Сообщения: 460
Откуда: Хмельницкая обл.г.Городок

Авто: Fiat Scudo 2.0jtd 2003г.в.

СообщениеДобавлено: Вс Июл 17, 2011 21:23    Заголовок сообщения: Ответить с цитатой

Думаю пробитий діод на випрямляючому мості.
Вернуться к началу
Посмотреть профиль Отправить личное сообщение
Сергій
Италофан


Италофан

Возраст: 58
Знак зодиака: Овен
Зарегистрирован: 19.01.2010
Сообщения: 333
Откуда: УкраЇна

Авто: фиат-скудо 1.9тд продав, зараз Рено-трафік 1.9 дсі

СообщениеДобавлено: Вс Июл 17, 2011 22:23    Заголовок сообщения: Ответить с цитатой

Може діодний мостик, а може щітки. У мене були зношені щітки.
Вернуться к началу
Посмотреть профиль Отправить личное сообщение
scudo_diesel
Италоманьяк


Италоманьяк

Возраст: 49
Знак зодиака: Лев
Зарегистрирован: 02.01.2008
Сообщения: 404
Откуда: Закарпаття

Авто: Fiat Doblo Panorama 1.6Multijet Emotion bordo 2011р.в., Hyundai IX20 1.4 CRDI 2011 р.в, Fiat Scudo 1.9TDI 1996р.в.

СообщениеДобавлено: Пн Июл 18, 2011 01:39    Заголовок сообщения: Ответить с цитатой

Сергій
Комплекс "регулятор напруги- щітки" замінений на новий. При відключенні провода контрольки лампа таким же чином слабо світить. Тобто лампа звідкись отримує ще "-". Піля прогазовки мабуть за рахунок самозбудження генератора зарядка є нормальна.
Вернуться к началу
Посмотреть профиль Отправить личное сообщение
Jroslav
Италофан


Италофан

Возраст: 52
Знак зодиака: Весы
Зарегистрирован: 20.06.2010
Сообщения: 191
Откуда: Львів

Авто: Фіат Скудо 1,9TDI

СообщениеДобавлено: Пн Июл 18, 2011 12:01    Заголовок сообщения: Ответить с цитатой

Aryll писал(а):
Думаю пробитий діод на випрямляючому мості.

Також думаю що проблема у діодному мості.
Вернуться к началу
Посмотреть профиль Отправить личное сообщение
Показать сообщения:   
Начать новую тему   Ответить на тему    Список форумов Український клуб фанів FIAT / CLUB UCRAINO TIFOSO DELLA FIAT -> Мінівени, мікроавтобуси (FIAT Scudo, FIAT Ducato, FIAT Ulysse) Часовой пояс: GMT + 3
Страница 1 из 1

 
Перейти:  
Вы не можете начинать темы
Вы не можете отвечать на сообщения
Вы не можете редактировать свои сообщения
Вы не можете удалять свои сообщения
Вы не можете голосовать в опросах
Вы не можете присоединять файлы в этом форуме
Вы можете скачивать файлы в этом форуме






Powered by phpBB © 2001, 2005 phpBB Group
З питань розміщення реклами писати на цю адресу