 |
Український клуб фанів FIAT / CLUB UCRAINO TIFOSO DELLA FIAT
|
 |
| Предыдущая тема :: Следующая тема |
| Автор |
Сообщение |
Diesel-N Amico


Возраст: 63 Знак зодиака:  Зарегистрирован: 23.01.2011 Сообщения: 8 Откуда: Смела
Авто: Fiat Scudo 1.9D
|
Добавлено: Сб Авг 13, 2011 21:44 Заголовок сообщения: Нужна схема блока предохранителей |
|
|
| Нужна схема блока предохранителей (того что под капотом и под рулем)
|
|
| Вернуться к началу |
|
 |
Diesel-N Amico


Возраст: 63 Знак зодиака:  Зарегистрирован: 23.01.2011 Сообщения: 8 Откуда: Смела
Авто: Fiat Scudo 1.9D
|
Добавлено: Сб Авг 13, 2011 21:46 Заголовок сообщения: |
|
|
| Автомобиль: Fiat Scudo, 2003, 1.9D
|
|
| Вернуться к началу |
|
 |
alex-lv Италоманьячище


Возраст: 30 Знак зодиака:  Зарегистрирован: 14.09.2009 Сообщения: 1306 Откуда: Львів
Авто: продано
|
Добавлено: Сб Авг 13, 2011 22:35 Заголовок сообщения: |
|
|
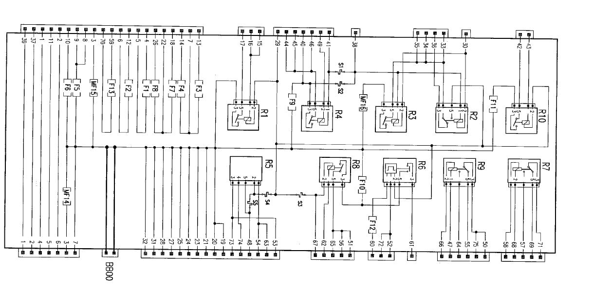
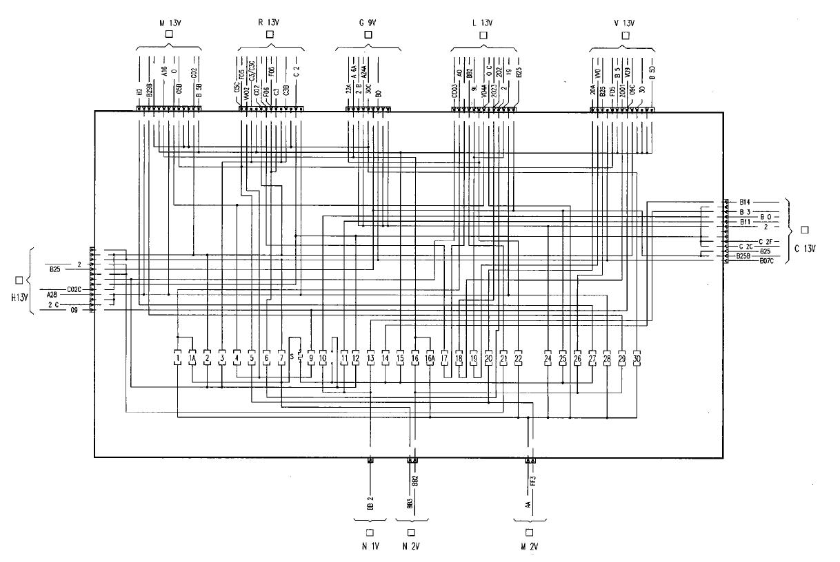
Можливо це вони.
| Описание: |
|
| Размер: |
131.81 KB |
| Просмотрено: |
771 раз(а) |

|
| Описание: |
|
| Размер: |
107.95 KB |
| Просмотрено: |
597 раз(а) |

|
|
|
| Вернуться к началу |
|
 |
Diesel-N Amico


Возраст: 63 Знак зодиака:  Зарегистрирован: 23.01.2011 Сообщения: 8 Откуда: Смела
Авто: Fiat Scudo 1.9D
|
Добавлено: Вс Авг 14, 2011 10:41 Заголовок сообщения: |
|
|
Это не то... нужна схема, желательно цветная, что бы было видно какой предохранитель за что отвечает.[img][/list]
| Описание: |
| Вот так выглядит мой блок предохранителей, тот что под рулем. |
|
| Размер: |
99.16 KB |
| Просмотрено: |
903 раз(а) |

|
|
|
| Вернуться к началу |
|
 |
alex-lv Италоманьячище


Возраст: 30 Знак зодиака:  Зарегистрирован: 14.09.2009 Сообщения: 1306 Откуда: Львів
Авто: продано
|
Добавлено: Вс Авг 14, 2011 11:38 Заголовок сообщения: |
|
|
На італійській.
| Описание: |
|
| Размер: |
145.92 KB |
| Просмотрено: |
791 раз(а) |

|
| Описание: |
|
| Размер: |
133.99 KB |
| Просмотрено: |
6233 раз(а) |

|
| Описание: |
|
| Размер: |
112.41 KB |
| Просмотрено: |
622 раз(а) |

|
|
|
| Вернуться к началу |
|
 |
Diesel-N Amico


Возраст: 63 Знак зодиака:  Зарегистрирован: 23.01.2011 Сообщения: 8 Откуда: Смела
Авто: Fiat Scudo 1.9D
|
Добавлено: Вс Авг 14, 2011 21:42 Заголовок сообщения: |
|
|
| Спасибо! Вроде бы оно. Буду переводить на русский и проверять на практике. А с какого сайта эта информация?
|
|
| Вернуться к началу |
|
 |
|
|
Вы не можете начинать темы Вы не можете отвечать на сообщения Вы не можете редактировать свои сообщения Вы не можете удалять свои сообщения Вы не можете голосовать в опросах Вы не можете присоединять файлы в этом форуме Вы можете скачивать файлы в этом форуме
|
Powered by phpBB © 2001, 2005 phpBB Group
|