Сайт Українського клуба фанів FIAT Український клуб фанів FIAT / CLUB UCRAINO TIFOSO DELLA FIAT

 
ФотогалереяФотогалерея   FAQFAQ   ПоискПоиск   ПользователиПользователи   ГруппыГруппы   РегистрацияРегистрация 
 ПрофильПрофиль   Войти и проверить личные сообщенияВойти и проверить личные сообщения   ВходВход 

Разные вопросы по Scudo
На страницу Пред.  1, 2, 3 ... 64, 65, 66 ... 285, 286, 287  След.
 
Начать новую тему   Ответить на тему    Список форумов Український клуб фанів FIAT / CLUB UCRAINO TIFOSO DELLA FIAT -> Мінівени, мікроавтобуси (FIAT Scudo, FIAT Ducato, FIAT Ulysse)
Предыдущая тема :: Следующая тема  
Автор Сообщение
Freedom
Италоманьячище


Италоманьячище

Возраст: 41
Знак зодиака: Водолей
Зарегистрирован: 21.07.2012
Сообщения: 1613
Откуда: Тернопіль

Авто: Peugeot Expert 2.0 HDi 80кВт Long

СообщениеДобавлено: Пн Июл 30, 2012 10:02    Заголовок сообщения: Ответить с цитатой

Лего.
Особисто я включаю 5 на шв 70 км/год (1,9 Д), або якщо згорба то можна і при 60-50. На дв 1,9 Д кпп має інші передаточні числа, ніж на 2,0 жтд, і там 5 не включиш нижче 70 це на моїй машині. А так треба дивитись по обстановці, як тягне мотор, підгорку, чи накатом, і т.д. і т.п.
Вернуться к началу
Посмотреть профиль Отправить личное сообщение
teofil
Италомафиози


Италомафиози

Возраст: 56
Знак зодиака: Овен
Зарегистрирован: 31.12.2011
Сообщения: 596
Откуда: Львів

Авто: Scudo SX 2.0JTD 8v 80kW 2006

СообщениеДобавлено: Пн Июл 30, 2012 12:24    Заголовок сообщения: Ответить с цитатой

[quote="Дима 717"]Подскажите пожалуйста где скачать инструкцию по эксплуатации (тех. описание)?[/quote]

Зареєструйся на "братньому" форумі і скачаєш
http://club-fiat.org.ua/forum/49-555-1

тобі ж для 1999 року?
Вернуться к началу
Посмотреть профиль Отправить личное сообщение
Колобок
Италомафиози


Италомафиози

Возраст: 46
Знак зодиака: Рыбы
Зарегистрирован: 11.03.2011
Сообщения: 982
Откуда: Тернопіль

Авто: FIAT SCUDO 2006 р.н. 2.0 JTD L2H1

СообщениеДобавлено: Пн Июл 30, 2012 22:27    Заголовок сообщения: Ответить с цитатой

Тернопільчани, в кого мотор DW8, паливна Лукас, простий дізель, - відгукнітся! Потрібно заглянути під Ваш капот і списати каталожний номер запчастини. Наперед дякую!
_________________

067-790-69-45
Вернуться к началу
Посмотреть профиль Отправить личное сообщение
Freedom
Италоманьячище


Италоманьячище

Возраст: 41
Знак зодиака: Водолей
Зарегистрирован: 21.07.2012
Сообщения: 1613
Откуда: Тернопіль

Авто: Peugeot Expert 2.0 HDi 80кВт Long

СообщениеДобавлено: Вт Июл 31, 2012 07:29    Заголовок сообщения: Ответить с цитатой

Ну в мене DW8В, Лукас, міжними різниця всього в ЕГР, конкретно, що треба пиши.
Вернуться к началу
Посмотреть профиль Отправить личное сообщение
Колобок
Италомафиози


Италомафиози

Возраст: 46
Знак зодиака: Рыбы
Зарегистрирован: 11.03.2011
Сообщения: 982
Откуда: Тернопіль

Авто: FIAT SCUDO 2006 р.н. 2.0 JTD L2H1

СообщениеДобавлено: Вт Июл 31, 2012 10:10    Заголовок сообщения: Ответить с цитатой

Freedom писал(а):
Ну в мене DW8В, Лукас, міжними різниця всього в ЕГР, конкретно, що треба пиши.

На паливному насосі є шарнір (пластмасова конструкція) до якого чіпляється трос газу. Він в мене тріснув і розламався на 2 частини. Я поставив від Бошовського насосу - задовга.
Вернуться к началу
Посмотреть профиль Отправить личное сообщение
Лего
Италолюбитель


Италолюбитель

Возраст: 44
Знак зодиака: Овен
Зарегистрирован: 09.07.2012
Сообщения: 59
Откуда: Конотоп

Авто: Фиат Скудо 1,9Д DW8 1999г.в.

СообщениеДобавлено: Вт Июл 31, 2012 12:31    Заголовок сообщения: Ответить с цитатой

Freedom благодарюза ответы Hi Drinks or Beer
Вернуться к началу
Посмотреть профиль Отправить личное сообщение Отправить e-mail
Freedom
Италоманьячище


Италоманьячище

Возраст: 41
Знак зодиака: Водолей
Зарегистрирован: 21.07.2012
Сообщения: 1613
Откуда: Тернопіль

Авто: Peugeot Expert 2.0 HDi 80кВт Long

СообщениеДобавлено: Вт Июл 31, 2012 15:59    Заголовок сообщения: Ответить с цитатой

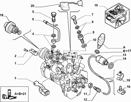
Ти маєш на увазі цю деталь:
1. КАБЕЛЬНЫЙ ЗАЖИМ 9623051680
Якщо ще щось треба шукай тут:
http://eper.fiatforum.com
або
http://fiatonline.com.ua/
На терко авто Віділл Запчастини, є знайомий Толік, він мені дістає оригінальні запчастини, вплоть до кнопок на ключі брелоку дістав.



naread.png
 Описание:
 Размер:  16.6 KB
 Просмотрено:  304 раз(а)

naread.png


Вернуться к началу
Посмотреть профиль Отправить личное сообщение
Колобок
Италомафиози


Италомафиози

Возраст: 46
Знак зодиака: Рыбы
Зарегистрирован: 11.03.2011
Сообщения: 982
Откуда: Тернопіль

Авто: FIAT SCUDO 2006 р.н. 2.0 JTD L2H1

СообщениеДобавлено: Вт Июл 31, 2012 17:50    Заголовок сообщения: Ответить с цитатой

На малюнку під номером 3.
_________________

067-790-69-45
Вернуться к началу
Посмотреть профиль Отправить личное сообщение
Freedom
Италоманьячище


Италоманьячище

Возраст: 41
Знак зодиака: Водолей
Зарегистрирован: 21.07.2012
Сообщения: 1613
Откуда: Тернопіль

Авто: Peugeot Expert 2.0 HDi 80кВт Long

СообщениеДобавлено: Вт Июл 31, 2012 18:13    Заголовок сообщения: Ответить с цитатой

По фіату номер 9424445580
по пежо ШАРНИРНЫЙ ПАЛЕЦ LONG 68,5 номер 1631 51
Удачи Smile
Вернуться к началу
Посмотреть профиль Отправить личное сообщение
Колобок
Италомафиози


Италомафиози

Возраст: 46
Знак зодиака: Рыбы
Зарегистрирован: 11.03.2011
Сообщения: 982
Откуда: Тернопіль

Авто: FIAT SCUDO 2006 р.н. 2.0 JTD L2H1

СообщениеДобавлено: Ср Авг 01, 2012 06:23    Заголовок сообщения: Ответить с цитатой

Freedom писал(а):
По фіату номер 9424445580
по пежо ШАРНИРНЫЙ ПАЛЕЦ LONG 68,5 номер 1631 51
Удачи Smile

В тому то і справа, що задовгий буде. В мене зараз від бошовського насосу - довжина 50 мм. Педаль в полік - а на насосі ричаг газу тільки на півхода. І візуально пам"ятаю, що коротший був той шарнір....
Вернуться к началу
Посмотреть профиль Отправить личное сообщение
Freedom
Италоманьячище


Италоманьячище

Возраст: 41
Знак зодиака: Водолей
Зарегистрирован: 21.07.2012
Сообщения: 1613
Откуда: Тернопіль

Авто: Peugeot Expert 2.0 HDi 80кВт Long

СообщениеДобавлено: Ср Авг 01, 2012 08:25    Заголовок сообщения: Ответить с цитатой

Може взагалі справа не вцьому, а в тросі, неправильно встановлений, або не той, це ж номера з каталогів оригінальних запчастин, які ставили на насос, інших нема.
Може на цій фотці
8. 1475856080 но це не лукас, а бош.
і ще один 9350252380 тоже бош
Сьогодні дивився в себе на пижику 1,9 2004 шарнир білий пластмасовий, такий як на рис. номер 8. не довший 3,5 см. але по каталогу має бути такий як писав вище. Під номером 3 на рисунку вище він тільки виглядає довшим, але кріпиться до ричага насоса, посередині, виходить десь 3,5 см. подивись уважно на фото.



87EF3F1BC87AA081BEA612CC8EC1CE55.png
 Описание:
 Размер:  52.04 KB
 Просмотрено:  160 раз(а)

87EF3F1BC87AA081BEA612CC8EC1CE55.png


Вернуться к началу
Посмотреть профиль Отправить личное сообщение
Feederal_74
Amico


Amico

Возраст: 50
Знак зодиака: Стрелец
Зарегистрирован: 15.12.2011
Сообщения: 23
Откуда: Днепропетровск

Авто: Peugeot Expert

СообщениеДобавлено: Пн Авг 13, 2012 17:27    Заголовок сообщения: Ответить с цитатой

Ребята подскажите т.к. поиск по форуму ничего не дал.
В режиме холостого хода на моём Пыжике (2.0 HDI 2001 г.)начала загораться лампочка масла. Буквально слегка тронешь педаль газа она тухнет. Уровень в норме. Я думаю, что упало давление масла. Может кто что подскажет по этому вопросу.
И ещё т.к. нет мануала подскажите какое давление масла для двигателя (ДВИГАТЕЛЬ ТУРБОДИЗЕЛЬ DW10BTED "W3") должно быть при холостом ходе и при бОльших оборотах
Вернуться к началу
Посмотреть профиль Отправить личное сообщение Отправить e-mail
alex-lv
Италоманьячище


Италоманьячище

Возраст: 30
Знак зодиака: Дева
Зарегистрирован: 14.09.2009
Сообщения: 1306
Откуда: Львів

Авто: продано

СообщениеДобавлено: Пн Авг 13, 2012 19:19    Заголовок сообщения: Ответить с цитатой

Feederal_74 писал(а):
какое давление масла для двигателя

Hi



ДАВЛЕНИЕ МАСЛА.doc
 Описание:

Скачать
 Имя файла:  ДАВЛЕНИЕ МАСЛА.doc
 Размер:  29.5 KB
 Загружен:  193 раз(а)


_________________
0б77бб9119
Вернуться к началу
Посмотреть профиль Отправить личное сообщение
Freedom
Италоманьячище


Италоманьячище

Возраст: 41
Знак зодиака: Водолей
Зарегистрирован: 21.07.2012
Сообщения: 1613
Откуда: Тернопіль

Авто: Peugeot Expert 2.0 HDi 80кВт Long

СообщениеДобавлено: Пн Авг 13, 2012 21:17    Заголовок сообщения: Ответить с цитатой

краще поїдь на хороше СТО і провір тиск масла, в мене така ситуація була на пасаті, заклинив рекупераційний клапан (наявність на ХДІ не знаю) на холостих світить лампочка, а принажаті педальки перестає. Зняв, почистив, все внормі.
Вернуться к началу
Посмотреть профиль Отправить личное сообщение
Feederal_74
Amico


Amico

Возраст: 50
Знак зодиака: Стрелец
Зарегистрирован: 15.12.2011
Сообщения: 23
Откуда: Днепропетровск

Авто: Peugeot Expert

СообщениеДобавлено: Пн Авг 13, 2012 21:47    Заголовок сообщения: Ответить с цитатой

alex-lv, спасибо, только в той таблице нет моего двигателя.
Вернуться к началу
Посмотреть профиль Отправить личное сообщение Отправить e-mail
Показать сообщения:   
Начать новую тему   Ответить на тему    Список форумов Український клуб фанів FIAT / CLUB UCRAINO TIFOSO DELLA FIAT -> Мінівени, мікроавтобуси (FIAT Scudo, FIAT Ducato, FIAT Ulysse) Часовой пояс: GMT + 3
На страницу Пред.  1, 2, 3 ... 64, 65, 66 ... 285, 286, 287  След.
Страница 65 из 287

 
Перейти:  
Вы не можете начинать темы
Вы не можете отвечать на сообщения
Вы не можете редактировать свои сообщения
Вы не можете удалять свои сообщения
Вы не можете голосовать в опросах
Вы не можете присоединять файлы в этом форуме
Вы можете скачивать файлы в этом форуме






Powered by phpBB © 2001, 2005 phpBB Group
З питань розміщення реклами писати на цю адресу