Сайт Українського клуба фанів FIAT Український клуб фанів FIAT / CLUB UCRAINO TIFOSO DELLA FIAT

 
ФотогалереяФотогалерея   FAQFAQ   ПоискПоиск   ПользователиПользователи   ГруппыГруппы   РегистрацияРегистрация 
 ПрофильПрофиль   Войти и проверить личные сообщенияВойти и проверить личные сообщения   ВходВход 

Дальний свет

 
Начать новую тему   Ответить на тему    Список форумов Український клуб фанів FIAT / CLUB UCRAINO TIFOSO DELLA FIAT -> FIAT Brava, FIAT Bravo, FIAT Marea, FIAT Linea
Предыдущая тема :: Следующая тема  
Автор Сообщение
^@^
Италолюбитель


Италолюбитель

Возраст: 57
Знак зодиака: Лев
Зарегистрирован: 13.11.2008
Сообщения: 51
Откуда: ------------

Авто: Fiat Marea 1.6

СообщениеДобавлено: Вс Сен 02, 2012 18:11    Заголовок сообщения: Дальний свет Ответить с цитатой

Доброго времени суток. Случилась проблемка с дальним светом. Ближний и габаритные работают как положено . Когда переключаю рычаг на дальний - полная темнота. Если рычаг притянуть к себе как для моргания , то дальний свет горит . В чём может быть проблема ?
Вернуться к началу
Посмотреть профиль Отправить личное сообщение
tyzz
Amico


Amico

Возраст: 48
Знак зодиака: Лев
Зарегистрирован: 13.05.2011
Сообщения: 30
Откуда: рб

Авто: marea 1.6 103

СообщениеДобавлено: Вс Сен 02, 2012 22:38    Заголовок сообщения: Ответить с цитатой

В стрекозе
Вернуться к началу
Посмотреть профиль Отправить личное сообщение
^@^
Италолюбитель


Италолюбитель

Возраст: 57
Знак зодиака: Лев
Зарегистрирован: 13.11.2008
Сообщения: 51
Откуда: ------------

Авто: Fiat Marea 1.6

СообщениеДобавлено: Пн Сен 03, 2012 04:18    Заголовок сообщения: Ответить с цитатой

tyzz , спасибо за ответ . Самому сделать реально ? Что обычно происходит , контакты отходят или... ?
Вернуться к началу
Посмотреть профиль Отправить личное сообщение
kozhan1977
Amico


Amico

Возраст: 48
Знак зодиака: Стрелец
Зарегистрирован: 20.08.2012
Сообщения: 15
Откуда: Киев

Авто: фиат браво

СообщениеДобавлено: Пн Сен 03, 2012 09:58    Заголовок сообщения: Ответить с цитатой

При таких симптомах проблема в самом переключателе если есть время и нерви то можна сделать самому я когдато сам делал Проблема в самих контактах они там могут подгореть т.д. Только нужно бить очень осторожним при разборе переключателя там есть всякие пружинки которие могуть разлететься в разние сторони.
Вернуться к началу
Посмотреть профиль Отправить личное сообщение
jenya
Amico


Amico

Возраст: 41
Знак зодиака: Близнецы
Зарегистрирован: 18.02.2010
Сообщения: 17
Откуда: Киев

Авто: Fiat Brava 1.6 SX

СообщениеДобавлено: Пн Сен 03, 2012 11:29    Заголовок сообщения: Ответить с цитатой

Нашел когда-то на забугорном сайте пару инструкций как снять и разобрать подрулевой, может как-то поможет или заинтересует.


stalkrepair.pdf
 Описание:

Скачать
 Имя файла:  stalkrepair.pdf
 Размер:  320.57 KB
 Загружен:  826 раз(а)


Stalkunitremoval.pdf
 Описание:

Скачать
 Имя файла:  Stalkunitremoval.pdf
 Размер:  243.57 KB
 Загружен:  703 раз(а)

Вернуться к началу
Посмотреть профиль Отправить личное сообщение
Romko
Италоманьячище


Италоманьячище

Возраст: 44
Знак зодиака: Телец
Зарегистрирован: 25.07.2006
Сообщения: 3653
Откуда: Львів

Авто: Cherokee KL 3.2 4*4 Limited; Mito 135 TCT

СообщениеДобавлено: Пн Сен 03, 2012 14:45    Заголовок сообщения: Ответить с цитатой

ребята, релюхи надо ставить на ближний и дальний свет, а то заводская схема это писец - все комутации вешаются на подрулевой Laughing
_________________
Слава Україні!!
Вернуться к началу
Посмотреть профиль Отправить личное сообщение
jenya
Amico


Amico

Возраст: 41
Знак зодиака: Близнецы
Зарегистрирован: 18.02.2010
Сообщения: 17
Откуда: Киев

Авто: Fiat Brava 1.6 SX

СообщениеДобавлено: Пн Сен 03, 2012 15:15    Заголовок сообщения: Ответить с цитатой

Romko писал(а):
ребята, релюхи надо ставить на ближний и дальний свет, а то заводская схема это писец - все комутации вешаются на подрулевой Laughing


а можешь поделится опытом по этому вопросу (если ставил)?
Вернуться к началу
Посмотреть профиль Отправить личное сообщение
^@^
Италолюбитель


Италолюбитель

Возраст: 57
Знак зодиака: Лев
Зарегистрирован: 13.11.2008
Сообщения: 51
Откуда: ------------

Авто: Fiat Marea 1.6

СообщениеДобавлено: Ср Сен 05, 2012 06:19    Заголовок сообщения: Ответить с цитатой

Большое спасибо всем за ответы и за инструкцию по разборке. Пока с ближним езжу.
Появится время попробую сам разобрать . Может удастся исправить.
Romko, разве на дальний свет не стоит реле ?
Вернуться к началу
Посмотреть профиль Отправить личное сообщение
Romko
Италоманьячище


Италоманьячище

Возраст: 44
Знак зодиака: Телец
Зарегистрирован: 25.07.2006
Сообщения: 3653
Откуда: Львів

Авто: Cherokee KL 3.2 4*4 Limited; Mito 135 TCT

СообщениеДобавлено: Ср Сен 05, 2012 10:04    Заголовок сообщения: Ответить с цитатой

Цитата:
Romko, разве на дальний свет не стоит реле ?

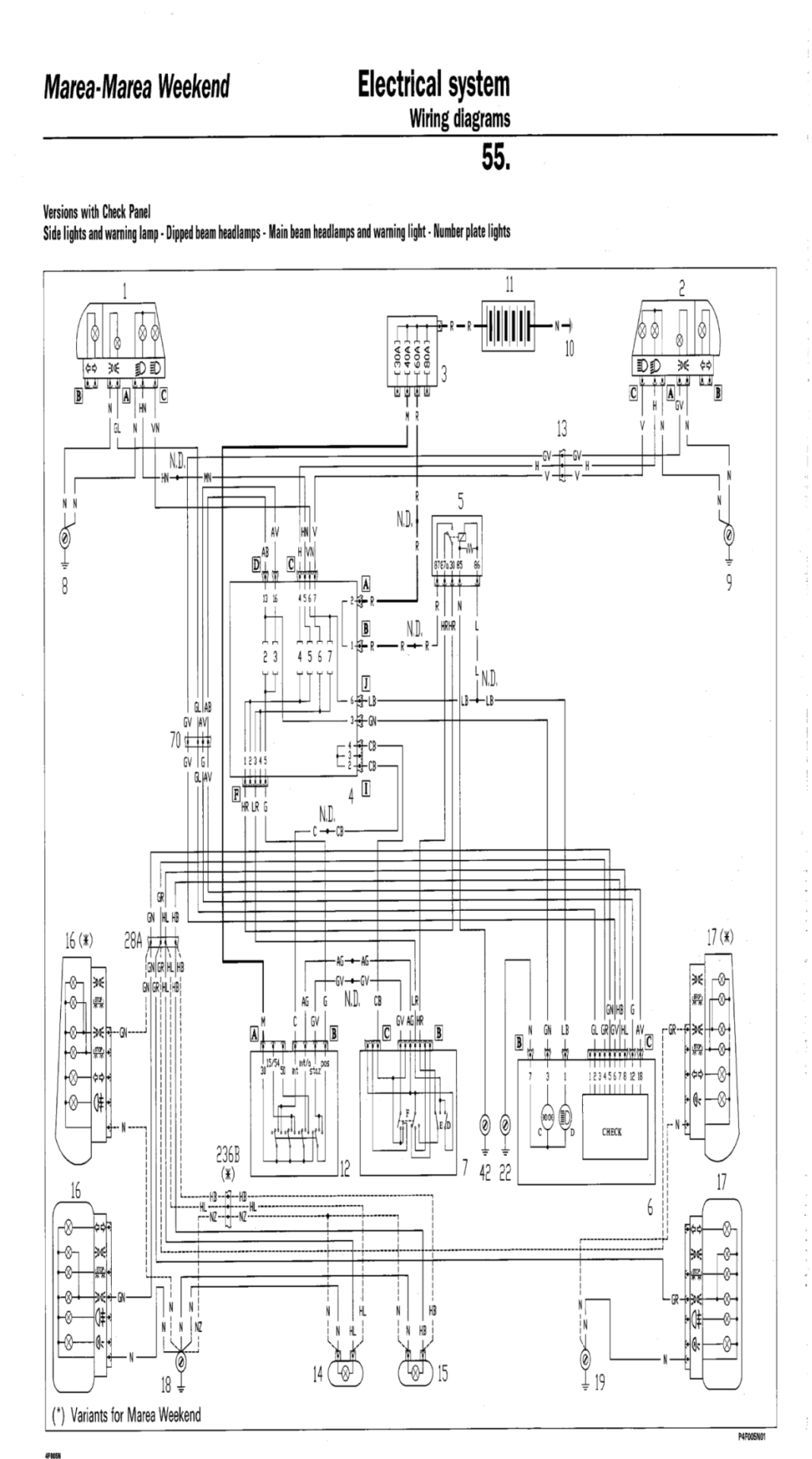
нет там тупая схема, вот она...[/b]



marea.png
 Описание:
 Размер:  407.56 KB
 Просмотрено:  2374 раз(а)

marea.png



_________________
Слава Україні!!
Вернуться к началу
Посмотреть профиль Отправить личное сообщение
Romko
Италоманьячище


Италоманьячище

Возраст: 44
Знак зодиака: Телец
Зарегистрирован: 25.07.2006
Сообщения: 3653
Откуда: Львів

Авто: Cherokee KL 3.2 4*4 Limited; Mito 135 TCT

СообщениеДобавлено: Ср Сен 05, 2012 10:24    Заголовок сообщения: Ответить с цитатой

вот что придумали Марио:
при включении ближнего света контакт F переключателя 7 занимает крайнее правое положение, при этом загорается ближний свет... - без каких либо разгрузочных реле в цепи ("+" подается через замкнутый контак 87а и 30 реле ближнего света 5, как оно разумно называется в книге ) Smile ...
при включении дальнего света - контакт Е подрулевого переключателя 7 занимает свое крайнее правое положение, запитывая цепь дальнего света, опять же без каких либо реле)), но этим он фактически разрывает цепь ближнего света, - но не беда в таком режиме появляется "+" на обмотке 85-86, реле 5 и оно переключает ближний свет на постоянный "+" от блока предохранителей R...
все это хорошо, но с годами контакты Е подрулевого нехило подгорают, так как держат все комутации фактически на себе, ну и кто то любит лампы помощнее всунуть)) и в результате получаем как и топик стартера - при включении дальнего в момент разрыва цепи, не срабатывает реле 5, не запитывается дальний свет - фактически пропадает все Confused , работает только контак D - моргание дальним светом....

такой режим часто не нравится блокам разжига ксенона - у меня например пропадал ближний при включении дальнего...
у себя - реле 5 выкинул нах, поставил 2 жиговских дополнительных реле на 30А в цепь дальнего и ближнего света около щитка предохранителей (в цепь HR,LR) "+" на которые берется от питания щитка, "+" управления на дальний свет оставил от подрулевого, на ближний свет установил отдельную кнопку "+" на которую берется от щитка предохранителей при включении зажигания - так решил проблемы с ксеноном...
у кого еще все работает советую реле 5 не трогать, а врезать 2 дополнительных реле для розгрузки цепей HR,LR...
...фух, надеюсь подробно расписал Rolling Eyes

_________________
Слава Україні!!
Вернуться к началу
Посмотреть профиль Отправить личное сообщение
Роман Хромко@
Amico


Amico

Возраст: 41
Знак зодиака: Водолей
Зарегистрирован: 14.03.2012
Сообщения: 24
Откуда: Снежное, Донецкая обл.

Авто: Fiat Brava 1.6 16V

СообщениеДобавлено: Пт Сен 07, 2012 18:16    Заголовок сообщения: Ответить с цитатой

Было при включении дальнего,тух ближний.Снял блок предохранителей,а там сзади на кассете расплавился контакт.зачистил,поправил и все стало ОК.Уже два года никаких проблем.
Вернуться к началу
Посмотреть профиль Отправить личное сообщение
Показать сообщения:   
Начать новую тему   Ответить на тему    Список форумов Український клуб фанів FIAT / CLUB UCRAINO TIFOSO DELLA FIAT -> FIAT Brava, FIAT Bravo, FIAT Marea, FIAT Linea Часовой пояс: GMT + 3
Страница 1 из 1

 
Перейти:  
Вы не можете начинать темы
Вы не можете отвечать на сообщения
Вы не можете редактировать свои сообщения
Вы не можете удалять свои сообщения
Вы не можете голосовать в опросах
Вы не можете присоединять файлы в этом форуме
Вы можете скачивать файлы в этом форуме






Powered by phpBB © 2001, 2005 phpBB Group
З питань розміщення реклами писати на цю адресу