Сайт Українського клуба фанів FIAT Український клуб фанів FIAT / CLUB UCRAINO TIFOSO DELLA FIAT

 
ФотогалереяФотогалерея   FAQFAQ   ПоискПоиск   ПользователиПользователи   ГруппыГруппы   РегистрацияРегистрация 
 ПрофильПрофиль   Войти и проверить личные сообщенияВойти и проверить личные сообщения   ВходВход 

диагностика автоматического отопителя
На страницу Пред.  1, 2, 3, 4, 5, 6, 7, 8  След.
 
Начать новую тему   Ответить на тему    Список форумов Український клуб фанів FIAT / CLUB UCRAINO TIFOSO DELLA FIAT -> FIAT Tipo, FIAT Tempra
Предыдущая тема :: Следующая тема  
Автор Сообщение
ksv
Италоманьячище


Италоманьячище

Возраст: 47
Знак зодиака: Овен
Зарегистрирован: 21.09.2006
Сообщения: 3352
Откуда: Киев

Авто: Leaf 13 S+/Leaf 19 SV/Chrysler Pacifica 17 LX

СообщениеДобавлено: Ср Дек 08, 2010 14:38    Заголовок сообщения: Ответить с цитатой

А вариант концевиков на откр-закр с шунтированием диодами не расматривал?
Вернуться к началу
Посмотреть профиль Отправить личное сообщение
Croma
Италоманьячище


Италоманьячище

Возраст: 68
Знак зодиака: Овен
Зарегистрирован: 30.11.2009
Сообщения: 6091
Откуда: Окупированный Харьков

Авто: Fiat Croma TURBO IE

СообщениеДобавлено: Ср Дек 08, 2010 15:55    Заголовок сообщения: Ответить с цитатой

Если реле установить в диагональ моста
то неполярные конденсаторы не понадобяться и один можно исключить.
Лучше все таки поставить датчики положения. ksv пишет ниже.
Или ХОЛЛА.

Для инфы.
М моей Кроме 1986г.
Два идентичных моторредуктора. В мануалах такого не видел.
Резистор имеет возможнось проворачиваться на трении.
Ставить можно как попало. При перемещении от края до края самоцентрируеться. Имеет возможность подрегулировки снаружи.
Это что бы заслонку воздухараспределителя выставить в правильные положения.

В моторредукторе "салон/улица" резистор не используеться. Таймер есть. Оганичения тока не обнаружил.
Зато толстенький силуминовый рычажок стоящий на стальном валу упираеться в крепкие стальные упоры. (только не сглазить) Laughing
Напугали. Впору компаратор ставить на неиспользуемый резистор.
Вернуться к началу
Посмотреть профиль Отправить личное сообщение
Хрюкин
Италоманьячище


Италоманьячище

Возраст: 55
Знак зодиака: Телец
Зарегистрирован: 21.03.2009
Сообщения: 2975
Откуда: Россия, Нижний Новгород, Автозавод

Авто: SATURN VUE 2.2

СообщениеДобавлено: Ср Дек 08, 2010 18:51    Заголовок сообщения: Ответить с цитатой

ksv писал(а):
А вариант концевиков на откр-закр с шунтированием диодами не расматривал?

Рассматривал. Схемку, плиз.


Последний раз редактировалось: Хрюкин (Чт Дек 09, 2010 12:03), всего редактировалось 1 раз
Вернуться к началу
Посмотреть профиль Отправить личное сообщение
Хрюкин
Италоманьячище


Италоманьячище

Возраст: 55
Знак зодиака: Телец
Зарегистрирован: 21.03.2009
Сообщения: 2975
Откуда: Россия, Нижний Новгород, Автозавод

Авто: SATURN VUE 2.2

СообщениеДобавлено: Ср Дек 08, 2010 19:04    Заголовок сообщения: Ответить с цитатой

Croma писал(а):
Если реле установить в диагональ моста
то неполярные конденсаторы не понадобяться и один можно исключить.

Мне сказали, кондёры от ложных срабатываний при пуске.
Я их вообще выкинул- разница=0.
Croma писал(а):
Для инфы.
В моей Кроме 1986г.
Два идентичных моторредуктора. В мануалах такого не видел.
Резистор имеет возможнось проворачиваться на трении.
Ставить можно как попало. При перемещении от края до края самоцентрируеться. Имеет возможность подрегулировки снаружи.
Это что бы заслонку воздухараспределителя выставить в правильные положения.

На Темприных приводах резистор как попало не поставишь .

Croma писал(а):
В моторредукторе "салон/улица" резистор не используеться. Таймер есть. Оганичения тока не обнаружил.
Зато толстенький силуминовый рычажок стоящий на стальном валу упираеться в крепкие стальные упоры. (только не сглазить) Laughing
Напугали. Впору компаратор ставить на неиспользуемый резистор.

На Темпре пластиковый рычаг на пластиковом валу упирается в стальные упоры.
Вернуться к началу
Посмотреть профиль Отправить личное сообщение
ksv
Италоманьячище


Италоманьячище

Возраст: 47
Знак зодиака: Овен
Зарегистрирован: 21.09.2006
Сообщения: 3352
Откуда: Киев

Авто: Leaf 13 S+/Leaf 19 SV/Chrysler Pacifica 17 LX

СообщениеДобавлено: Ср Дек 08, 2010 20:42    Заголовок сообщения: Ответить с цитатой

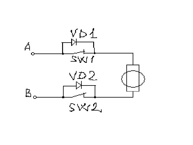
Отак типа (звините за чертеж - в пейнте исполнено).
SW1 SW2 - нормально замкнутые концевики (стоят в крайних положениях заслонки)
VD1 VD2 - диоды соотв.

Закрытие
Клема А "+" В "-"
Заслонка гдето посредине оба концевика замкнуты -мотор тянет заслонку пока она через концевик SW2 не разомкнет цепь - встали.
Открытие
Клема А "-" В "+"
Ток через диод VD2 - мотор - SW1

ну итд

Кидайтесь Crazy



123.JPG
 Описание:
123
 Размер:  16.62 KB
 Просмотрено:  291 раз(а)

123.JPG


Вернуться к началу
Посмотреть профиль Отправить личное сообщение
Хрюкин
Италоманьячище


Италоманьячище

Возраст: 55
Знак зодиака: Телец
Зарегистрирован: 21.03.2009
Сообщения: 2975
Откуда: Россия, Нижний Новгород, Автозавод

Авто: SATURN VUE 2.2

СообщениеДобавлено: Чт Дек 09, 2010 11:57    Заголовок сообщения: Ответить с цитатой

Переделал я на всякий случай сломанное место- не вызывает доверия вариант с саморезом.
Отломанный квадрат просверлил насквозь сверлом 3мм, ось шестерни просверлил насквозь сверлом на 2.5мм и нарезал резьбу М3. Штивты изготовил из бабьей заколки для волос. Из карбюраторной тонкостенной трубочки изготовил маленькую гильзу, которая с небольшим натягом надевается на конец вала (наверняка предназначенный для переменного резистора! Evil or Very Mad). Длинным винтом всё это безобразие вместе с рычагом стягивается, и для страховки на конец винта поверх гильзы поставил шайбу, гровер и гайку. На мой взгляд, такая конструкция получилась надёжнее, чем с саморезом. В корпусе на месте "клёпок" просверлил отверстия 1.5мм и нарезал резьбу М2 под винты.



DSC01212.JPG
 Описание:
 Размер:  48.8 KB
 Просмотрено:  405 раз(а)

DSC01212.JPG



DSC01216.JPG
 Описание:
 Размер:  318.76 KB
 Просмотрено:  310 раз(а)

DSC01216.JPG



DSC01213.JPG
 Описание:
 Размер:  331.02 KB
 Просмотрено:  326 раз(а)

DSC01213.JPG



DSC01211.JPG
 Описание:
 Размер:  282.07 KB
 Просмотрено:  316 раз(а)

DSC01211.JPG


Вернуться к началу
Посмотреть профиль Отправить личное сообщение
Хрюкин
Италоманьячище


Италоманьячище

Возраст: 55
Знак зодиака: Телец
Зарегистрирован: 21.03.2009
Сообщения: 2975
Откуда: Россия, Нижний Новгород, Автозавод

Авто: SATURN VUE 2.2

СообщениеДобавлено: Чт Дек 09, 2010 15:05    Заголовок сообщения: Ответить с цитатой

Пожалуй, вариант на концевиках самый хороший- никакого перегруза редуктора, т.е. его поломки.
ksv Respekt
Вернуться к началу
Посмотреть профиль Отправить личное сообщение
olegrez
Amico


Amico

Возраст: 48
Знак зодиака: Водолей
Зарегистрирован: 22.11.2010
Сообщения: 6
Откуда: беларусь г. минск

Авто: fiat tipo 1.6 карб.

СообщениеДобавлено: Пт Дек 10, 2010 12:32    Заголовок сообщения: Ответить с цитатой

вчера произошло чудо-----снимал карб для прочистки и прочего техобслуживания. который раз глянул на торчащую и незанятую фишку. и вдруг меня "торкнуло"---с фиатом достался пакетик с разным добром. там был провод с похожей фишкой.... провод быстро нашел, подсоединил, конец кинул на массу.... и о чудо----на табло появилась цифра 24, никуда не пропадает. ее даже менять можно. неужели не придется лесть "в недра"????? на днях заведемся и проверим.
Вернуться к началу
Посмотреть профиль Отправить личное сообщение
Croma
Италоманьячище


Италоманьячище

Возраст: 68
Знак зодиака: Овен
Зарегистрирован: 30.11.2009
Сообщения: 6091
Откуда: Окупированный Харьков

Авто: Fiat Croma TURBO IE

СообщениеДобавлено: Пт Дек 10, 2010 12:57    Заголовок сообщения: Ответить с цитатой

Хрюкин
Уважаю!
За винтики М2 вдвойне!
Вернуться к началу
Посмотреть профиль Отправить личное сообщение
Хрюкин
Италоманьячище


Италоманьячище

Возраст: 55
Знак зодиака: Телец
Зарегистрирован: 21.03.2009
Сообщения: 2975
Откуда: Россия, Нижний Новгород, Автозавод

Авто: SATURN VUE 2.2

СообщениеДобавлено: Пт Дек 10, 2010 20:06    Заголовок сообщения: Ответить с цитатой

Croma писал(а):
Хрюкин
Уважаю!
За винтики М2 вдвойне!

Да чего там... Лишь бы обществу на пользу пошло.
Завтра выложу фотки с концевиками.
Вернуться к началу
Посмотреть профиль Отправить личное сообщение
t309
Италоманьячище


Италоманьячище

Возраст: 42
Знак зодиака: Телец
Зарегистрирован: 10.01.2009
Сообщения: 1335
Откуда: Львов

Авто: dedra

СообщениеДобавлено: Пт Дек 10, 2010 22:10    Заголовок сообщения: Ответить с цитатой

Хрюкин писал(а):
Пожалуй, вариант на концевиках самый хороший- никакого перегруза редуктора, т.е. его поломки.
ksv Respekt

есть варянт полутше, и понадежней, и щелкать ниче не будет, но дороже
судя по опросу оно никому не надо так как нет климата или дорого ну можна пойти на встречу и сделать так, паяйте сами и секономте 15 баксов
цена прошитого контроллера 10$
еслиб набралось человек 30-50 желающих можно било б заказать плати а не делать в ручную и цена готового девайса била б гривен 100-120 но гдеж их взять 50человеков

http://fiat-club.org.ua/forum/viewtopic.php?t=16480&highlight=%EF%F1%EE%EA
Вернуться к началу
Посмотреть профиль Отправить личное сообщение
Хрюкин
Италоманьячище


Италоманьячище

Возраст: 55
Знак зодиака: Телец
Зарегистрирован: 21.03.2009
Сообщения: 2975
Откуда: Россия, Нижний Новгород, Автозавод

Авто: SATURN VUE 2.2

СообщениеДобавлено: Сб Дек 11, 2010 16:07    Заголовок сообщения: Ответить с цитатой

t309
Спасибо за ссылку. Оказывается, проблема стара, как мир Very Happy .
50 человек ни в жизни не наберёшь- одним некогда, другим денег жалко, третьи делать нифига не умеют или не хотят, а четвёртым просто по...ю, что у них в машине творится. Отсюда появляются тумблеры для управления отопителем, и тросики подсоса взамен нормальных приводов.

ЗЫ: Я уже на концевиках сделал, всё отлично работает. Надеюсь, на этом мытарства с этим злосчастным приводом навсегда закончились. Осталось грамотно приколхозить шаровый кран взамен дохнущего штатного, и сопрячь его с соответствующим приводом. Только это уже совсем другая тема.



DSC01224.JPG
 Описание:
 Размер:  356.86 KB
 Просмотрено:  376 раз(а)

DSC01224.JPG


Вернуться к началу
Посмотреть профиль Отправить личное сообщение
Vanu4
Amico


Amico

Возраст: 39
Знак зодиака: Рыбы
Зарегистрирован: 01.12.2012
Сообщения: 2
Откуда: Россия, Санкт-Петербург

Авто: Tempra 2.0

СообщениеДобавлено: Сб Дек 01, 2012 08:23    Заголовок сообщения: Ответить с цитатой

подскажите пожалуйста,заслонки потока воздуха никак не реагируют.постоянно дует в лоб. заслонку лоб лицо нашел а где заслонка на ноги находиться?
Вернуться к началу
Посмотреть профиль Отправить личное сообщение
Vanu4
Amico


Amico

Возраст: 39
Знак зодиака: Рыбы
Зарегистрирован: 01.12.2012
Сообщения: 2
Откуда: Россия, Санкт-Петербург

Авто: Tempra 2.0

СообщениеДобавлено: Вт Дек 04, 2012 01:58    Заголовок сообщения: Ответить с цитатой

спасибо оч информативный форум
Вернуться к началу
Посмотреть профиль Отправить личное сообщение
Клованич
Италоманьяк


Италоманьяк

Возраст: 39
Знак зодиака: Дева
Зарегистрирован: 21.10.2012
Сообщения: 467
Откуда: Хуст Закарпаття

Авто: Lancia Dedra 1.8 gt 16v 1998

СообщениеДобавлено: Вс Сен 08, 2013 12:33    Заголовок сообщения: Ответить с цитатой

Камрады, поделитесь той инструкцией по диагностике климата.
_________________
Бортовик http://fiat-club.org.ua/forum/viewtopic.php?t=41313&highlight=
97 933 о7 о1
Вернуться к началу
Посмотреть профиль Отправить личное сообщение Отправить e-mail
Показать сообщения:   
Начать новую тему   Ответить на тему    Список форумов Український клуб фанів FIAT / CLUB UCRAINO TIFOSO DELLA FIAT -> FIAT Tipo, FIAT Tempra Часовой пояс: GMT + 3
На страницу Пред.  1, 2, 3, 4, 5, 6, 7, 8  След.
Страница 7 из 8

 
Перейти:  
Вы не можете начинать темы
Вы не можете отвечать на сообщения
Вы не можете редактировать свои сообщения
Вы не можете удалять свои сообщения
Вы не можете голосовать в опросах
Вы не можете присоединять файлы в этом форуме
Вы можете скачивать файлы в этом форуме






Powered by phpBB © 2001, 2005 phpBB Group
З питань розміщення реклами писати на цю адресу