| 
			
		
                                |  | Український клуб фанів FIAT / CLUB UCRAINO TIFOSO DELLA FIAT 
 
 |  |  
 
	
		| Предыдущая тема :: Следующая тема |  
		| Автор | Сообщение |  
		| saha1980 Amico
 
 
 
  
 Возраст: 45
 Знак зодиака:
  Зарегистрирован: 03.02.2013
 Сообщения: 29
 Откуда: ГадЯч
 
 Авто: Scudo
 
 | 
			
				|  Добавлено: Ср Сен 11, 2013 22:24    Заголовок сообщения: датчик уровня масла |   |  
				| 
 |  
				| Подскажите где находится датчик уровня масла |  |  
		| Вернуться к началу |  |  
		|  |  
		| yaryk1980 Италофан
 
  
 
  
 Возраст: 45
 Знак зодиака:
  Зарегистрирован: 14.07.2013
 Сообщения: 374
 Откуда: Київ
 
 Авто: Фіат Скудо 120 Multijet (88kw) 2009 р.в., Був Фіат Скудо 1,9ТD 1998 р.в.
 
 | 
			
				|  Добавлено: Ср Сен 11, 2013 22:26    Заголовок сообщения: |   |  
				| 
 |  
				| Ти маєш на увазі щуп? _________________
 drive2.ru
 |  |  
		| Вернуться к началу |  |  
		|  |  
		| zanski Член клуба
 
  
 
  
 Возраст: 43
 Знак зодиака:
  Зарегистрирован: 03.04.2007
 Сообщения: 6607
 Откуда: Киев
 
 Авто: Шальоный хаврашок... Не турбувати))) УАЗ 31512 Rob Zombie
 
 | 
			
				|  Добавлено: Ср Сен 11, 2013 22:30    Заголовок сообщения: |   |  
				| 
 |  
				| Под капотом 146% _________________
 Давите пешеходов. Они должны усвоить, что раз они не платят дорожный налог, то не имеют права шляться по тому, что им не принадлежит.
 (ц) Дж. Кларксон.
 Zanski's Garage O6ЗЗЧIOI8I
 |  |  
		| Вернуться к началу |  |  
		|  |  
		| yaryk1980 Италофан
 
  
 
  
 Возраст: 45
 Знак зодиака:
  Зарегистрирован: 14.07.2013
 Сообщения: 374
 Откуда: Київ
 
 Авто: Фіат Скудо 120 Multijet (88kw) 2009 р.в., Був Фіат Скудо 1,9ТD 1998 р.в.
 
 | 
			
				|  Добавлено: Ср Сен 11, 2013 22:35    Заголовок сообщения: |   |  
				| 
 |  
				|   _________________
 drive2.ru
 |  |  
		| Вернуться к началу |  |  
		|  |  
		| saha1980 Amico
 
 
 
  
 Возраст: 45
 Знак зодиака:
  Зарегистрирован: 03.02.2013
 Сообщения: 29
 Откуда: ГадЯч
 
 Авто: Scudo
 
 | 
			
				|  Добавлено: Ср Сен 11, 2013 23:15    Заголовок сообщения: |   |  
				| 
 |  
				| нет просто мигает ошибка на панеле приборов. меняли сцепление может не подключили |  |  
		| Вернуться к началу |  |  
		|  |  
		| Olegs Италомафиози
 
 
 
  
 Возраст: 57
 Знак зодиака:
  Зарегистрирован: 24.11.2012
 Сообщения: 578
 Откуда: Житомир, Украина
 
 Авто: Fiat Scudo D9B 1999-продан, 2.0JTD - махнул на Renault Kangoo2
 
 | 
			
				|  Добавлено: Ср Сен 11, 2013 23:29    Заголовок сообщения: |   |  
				| 
 |  
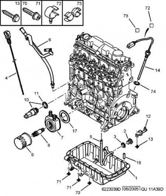
				| Если у Вас двигатель 2.0 JTD-69кВт , то на фото под номером 14. 
 
 
 
	
		
	 
		| Описание: |  |  
		| Размер: | 57.27 KB |  
		| Просмотрено: | 607 раз(а) |  
		| 
  
 
 |  
 |  |  
		| Вернуться к началу |  |  
		|  |  
		| saha1980 Amico
 
 
 
  
 Возраст: 45
 Знак зодиака:
  Зарегистрирован: 03.02.2013
 Сообщения: 29
 Откуда: ГадЯч
 
 Авто: Scudo
 
 | 
			
				|  Добавлено: Ср Сен 11, 2013 23:38    Заголовок сообщения: |   |  
				| 
 |  
				| 1,9 простой |  |  
		| Вернуться к началу |  |  
		|  |  
		| SabitofF Италомафиози
 
  
 
  
 Возраст: 37
 Знак зодиака:
  Зарегистрирован: 27.06.2012
 Сообщения: 545
 Откуда: Винница
 
 Авто: Citroen Jumpy 2005 г.в., 1.9TD, Bosch
 
 | 
			
				|  Добавлено: Ср Сен 11, 2013 23:41    Заголовок сообщения: |   |  
				| 
 |  
				| возле генератора есть разьем - это и есть датчик масла _________________
 Коняга Виталик
 
  +38 (066) 161-10-91 |  |  
		| Вернуться к началу |  |  
		|  |  
		| Freedom Италоманьячище
 
  
 
  
 Возраст: 41
 Знак зодиака:
  Зарегистрирован: 21.07.2012
 Сообщения: 1613
 Откуда: Тернопіль
 
 Авто: Peugeot Expert 2.0 HDi 80кВт Long
 
 | 
			
				|  Добавлено: Чт Сен 12, 2013 14:38    Заголовок сообщения: |   |  
				| 
 |  
				| saha1980 в тебе там само де показав Olegs
 |  |  
		| Вернуться к началу |  |  
		|  |  
		|  |  
  
	| 
 
 | Вы не можете начинать темы Вы не можете отвечать на сообщения
 Вы не можете редактировать свои сообщения
 Вы не можете удалять свои сообщения
 Вы не можете голосовать в опросах
 Вы не можете присоединять файлы в этом форуме
 Вы можете скачивать файлы в этом форуме
 
 |  
 
 
 
 
 Powered by phpBB © 2001, 2005 phpBB Group
 |