| 
			
		
                                |  | Український клуб фанів FIAT / CLUB UCRAINO TIFOSO DELLA FIAT 
 
 |  |  
 
	
		| Предыдущая тема :: Следующая тема |  
		| Автор | Сообщение |  
		| sotovl Amico
 
 
 
  
 Возраст: 51
 Знак зодиака:
  Зарегистрирован: 01.02.2011
 Сообщения: 9
 Откуда: Киев
 
 Авто: Пежо Експерт
 
 | 
			
				|  Добавлено: Сб Дек 28, 2013 11:56    Заголовок сообщения: Реле дворников Скудо 08 |   |  
				| 
 |  
				| Подскажите, где находится реле 0005 ? 
 
 
 
	
		
	 
		| Описание: |  |  
		| Размер: | 121.95 KB |  
		| Просмотрено: | 765 раз(а) |  
		| 
  
 
 |  
 |  |  
		| Вернуться к началу |  |  
		|  |  
		| zheneva Италофан
 
  
 
  
 Возраст: 48
 Знак зодиака:
  Зарегистрирован: 28.02.2011
 Сообщения: 119
 Откуда: Рівне
 
 Авто: Peugeot Expert 2.0 HDI 2005р.
 
 | 
			
				|  Добавлено: Сб Дек 28, 2013 19:25    Заголовок сообщения: Re: Реле дворников Скудо 08 |   |  
				| 
 |  
				|  	  | sotovl писал(а): |  	  | Подскажите, где находится реле 0005 ? | 
 Це не реле, це підрульовий перемикач.
 |  |  
		| Вернуться к началу |  |  
		|  |  
		| sotovl Amico
 
 
 
  
 Возраст: 51
 Знак зодиака:
  Зарегистрирован: 01.02.2011
 Сообщения: 9
 Откуда: Киев
 
 Авто: Пежо Експерт
 
 | 
			
				|  Добавлено: Вс Дек 29, 2013 18:28    Заголовок сообщения: |   |  
				| 
 |  
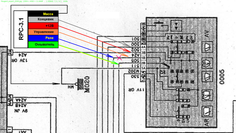
				| когда я снял нижнюю крышку под рулем, то увидел там три разъема: первый на 2 провода - airbag, второй и третий по 4 провода, в каждом плюс и масса. Вопрос - куда мне подключить регулятор частоты дворников (на схеме RPC 3.1) ? |  |  
		| Вернуться к началу |  |  
		|  |  
		| Vladimir TV Италомафиози
 
  
 
  
 Возраст: 51
 Знак зодиака:
  Зарегистрирован: 25.07.2011
 Сообщения: 1071
 Откуда: Украина
 
 Авто: Peugeot Expert, 2004 (2,0 HDI), RHX
 
 | 
			
				|  Добавлено: Вс Дек 29, 2013 20:22    Заголовок сообщения: |   |  
				| 
 |  
				| Попробую тебе помочь. Я думаю, что надо подсоединить к разъему серого цвета (на схеме 6VGR) CVOO - модуль управления на рулевой колонке (СОМ 2000)
 
 ЭТО КАК ВАРИАНТ!!! Все надо перепроверить!
 
 
 
 
	
		
	 
		| Описание: |  |  
		| Размер: | 82.83 KB |  
		| Просмотрено: | 563 раз(а) |  
		| 
  
 
 |  
 
 
	
		
	 
		| Описание: |  |  
		| Размер: | 142.2 KB |  
		| Просмотрено: | 830 раз(а) |  
		| 
  
 
 |  
 
 
	
		
	 
		| Описание: |  |  
		| Размер: | 140.89 KB |  
		| Просмотрено: | 562 раз(а) |  
		| 
  
 
 |  
 |  |  
		| Вернуться к началу |  |  
		|  |  
		|  |  
  
	| 
 
 | Вы не можете начинать темы Вы не можете отвечать на сообщения
 Вы не можете редактировать свои сообщения
 Вы не можете удалять свои сообщения
 Вы не можете голосовать в опросах
 Вы не можете присоединять файлы в этом форуме
 Вы можете скачивать файлы в этом форуме
 
 |  
 
 
 
 
 Powered by phpBB © 2001, 2005 phpBB Group
 |