Сайт Українського клуба фанів FIAT Український клуб фанів FIAT / CLUB UCRAINO TIFOSO DELLA FIAT

 
ФотогалереяФотогалерея   FAQFAQ   ПоискПоиск   ПользователиПользователи   ГруппыГруппы   РегистрацияРегистрация 
 ПрофильПрофиль   Войти и проверить личные сообщенияВойти и проверить личные сообщения   ВходВход 

Не показывает датчик ОЖ
На страницу Пред.  1, 2
 
Начать новую тему   Ответить на тему    Список форумов Український клуб фанів FIAT / CLUB UCRAINO TIFOSO DELLA FIAT -> Мінівени, мікроавтобуси (FIAT Scudo, FIAT Ducato, FIAT Ulysse)
Предыдущая тема :: Следующая тема  
Автор Сообщение
Mishanya
Amico


Amico

Возраст: 54
Знак зодиака: Скорпион
Зарегистрирован: 19.01.2014
Сообщения: 15
Откуда: Первомайск,Ник.обл.

Авто: Fiat Scudo 1.9D 2000г.

СообщениеДобавлено: Ср Янв 22, 2014 21:19    Заголовок сообщения: Ответить с цитатой

Vladimir TVна этом фото(Безымянный 2.jpg) мой датчик №8,но мне нужна схема что куда идет(провода в смысле)чтобы можно было бы поверить саму цепь,потому что у местных автоэлектриков таковой нет(объездил человек 6 мастеров со своей проблемой)поэтому и ищу толковых и небезразличных людей которые могли бы хоть чем то помочь Crying or Very sad
Вернуться к началу
Посмотреть профиль Отправить личное сообщение
Dmytro1960
Италолюбитель


Италолюбитель

Возраст: 66
Знак зодиака: Козерог
Зарегистрирован: 12.01.2014
Сообщения: 99
Откуда: Львів

Авто: Scudo 2006 2.0JTD 80 kW 8v

СообщениеДобавлено: Ср Янв 22, 2014 21:29    Заголовок сообщения: Ответить с цитатой

Mishanya писал(а):
буду благодарен если скинеш на murza.mikhail1971@ukr.net

Качай
Вернуться к началу
Посмотреть профиль Отправить личное сообщение
Mishanya
Amico


Amico

Возраст: 54
Знак зодиака: Скорпион
Зарегистрирован: 19.01.2014
Сообщения: 15
Откуда: Первомайск,Ник.обл.

Авто: Fiat Scudo 1.9D 2000г.

СообщениеДобавлено: Ср Янв 22, 2014 22:30    Заголовок сообщения: Ответить с цитатой

Dmytro1960 файлы не открываются не в укрнете для просмотра, не скаченные у меня на компе в чем может быть проблема?
Вернуться к началу
Посмотреть профиль Отправить личное сообщение
Vladimir TV
Италомафиози


Италомафиози

Возраст: 52
Знак зодиака: Стрелец
Зарегистрирован: 25.07.2011
Сообщения: 1071
Откуда: Украина

Авто: Peugeot Expert, 2004 (2,0 HDI), RHX

СообщениеДобавлено: Ср Янв 22, 2014 23:13    Заголовок сообщения: Ответить с цитатой

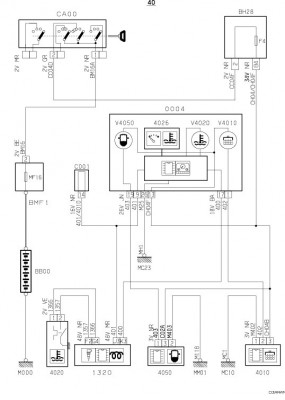
Может эти схемки подойдут?
4010 : контактная пара датчика уровня охлаждающей жидкости двигателя
4020 : термоконтакт охлаждающей жидкости двигателя
4050 : датчик наличия воды (сепаратор топлива)
1320 : компьютер управления двигателем



Безымянный 2.jpg
 Описание:
 Размер:  75.72 KB
 Просмотрено:  385 раз(а)

Безымянный 2.jpg



Безымянный 1.jpg
 Описание:
 Размер:  114.66 KB
 Просмотрено:  309 раз(а)

Безымянный 1.jpg



Безымянный.jpg
 Описание:
 Размер:  138.08 KB
 Просмотрено:  428 раз(а)

Безымянный.jpg


Вернуться к началу
Посмотреть профиль Отправить личное сообщение
Dmytro1960
Италолюбитель


Италолюбитель

Возраст: 66
Знак зодиака: Козерог
Зарегистрирован: 12.01.2014
Сообщения: 99
Откуда: Львів

Авто: Scudo 2006 2.0JTD 80 kW 8v

СообщениеДобавлено: Чт Янв 23, 2014 00:22    Заголовок сообщения: Ответить с цитатой

Mishanya писал(а):
Dmytro1960 файлы не открываются не в укрнете для просмотра, не скаченные у меня на компе в чем может быть проблема?

Пробуй ще раз - якщо не піде, то книжки є викладені в контактах - в "ОСТАННІ НОВИНИ" в групі http://vk.com/club16358787
Вернуться к началу
Посмотреть профиль Отправить личное сообщение
Mishanya
Amico


Amico

Возраст: 54
Знак зодиака: Скорпион
Зарегистрирован: 19.01.2014
Сообщения: 15
Откуда: Первомайск,Ник.обл.

Авто: Fiat Scudo 1.9D 2000г.

СообщениеДобавлено: Чт Янв 23, 2014 12:09    Заголовок сообщения: Ответить с цитатой

Dmytro1960
Спасибо,скачал,открывал,смотрел Very Happy но меня интересует ещё один вопрос,от самого датчика провода идут на электронный блок управления впрыском по схеме,есть ли он у меня на машине,если есть то где он находится?Всем огромное спасибо кто пытается мне помочь Exclamation Exclamation Exclamation
Вернуться к началу
Посмотреть профиль Отправить личное сообщение
Dmytro1960
Италолюбитель


Италолюбитель

Возраст: 66
Знак зодиака: Козерог
Зарегистрирован: 12.01.2014
Сообщения: 99
Откуда: Львів

Авто: Scudo 2006 2.0JTD 80 kW 8v

СообщениеДобавлено: Чт Янв 23, 2014 13:10    Заголовок сообщения: Ответить с цитатой

Mishanya писал(а):
Dmytro1960
Спасибо,скачал,открывал,смотрел Very Happy но меня интересует ещё один вопрос,от самого датчика провода идут на электронный блок управления впрыском по схеме,есть ли он у меня на машине,если есть то где он находится?Всем огромное спасибо кто пытается мне помочь Exclamation Exclamation Exclamation

Подивись схеми в Scudo work manual - там для різних років.
Його здається почали ставити тільки з кінця 2001 року - з електронною системою впорскування "Дельфі" - мав би стояти на правому крилі. В мене 2.0JTD - 1.9 не цікавився.
Вернуться к началу
Посмотреть профиль Отправить личное сообщение
Mishanya
Amico


Amico

Возраст: 54
Знак зодиака: Скорпион
Зарегистрирован: 19.01.2014
Сообщения: 15
Откуда: Первомайск,Ник.обл.

Авто: Fiat Scudo 1.9D 2000г.

СообщениеДобавлено: Сб Янв 25, 2014 00:31    Заголовок сообщения: Ответить с цитатой

перепотрошил кучу литературы но так ни чего найти и не смог Sad может быть среди форумчан есть электрики или просто знающие люди могущие подсказать или направить у кого можно спросить по моей проблеме?
Вернуться к началу
Посмотреть профиль Отправить личное сообщение
alex-lv
Италоманьячище


Италоманьячище

Возраст: 30
Знак зодиака: Дева
Зарегистрирован: 14.09.2009
Сообщения: 1306
Откуда: Львів

Авто: продано

СообщениеДобавлено: Сб Янв 25, 2014 01:58    Заголовок сообщения: Re: Не показывает датчик ОЖ Ответить с цитатой

Mishanya писал(а):
может кто знает характеристики и параметры самого датчика

http://fiat-club.org.ua/forum/viewtopic.php?p=542756#542756
Hi

_________________
0б77бб9119
Вернуться к началу
Посмотреть профиль Отправить личное сообщение
Mishanya
Amico


Amico

Возраст: 54
Знак зодиака: Скорпион
Зарегистрирован: 19.01.2014
Сообщения: 15
Откуда: Первомайск,Ник.обл.

Авто: Fiat Scudo 1.9D 2000г.

СообщениеДобавлено: Вс Янв 26, 2014 21:05    Заголовок сообщения: Ответить с цитатой

спасибо alex-lv
Very Happy если бы кто то ещё знал куда идут провода от датчика температуры ОЖ или может быть знает автоэлектрика к которому можно было бы позвонить что бы проконсультироваться,то я был бы очень благодарен la-la
Вернуться к началу
Посмотреть профиль Отправить личное сообщение
Mishanya
Amico


Amico

Возраст: 54
Знак зодиака: Скорпион
Зарегистрирован: 19.01.2014
Сообщения: 15
Откуда: Первомайск,Ник.обл.

Авто: Fiat Scudo 1.9D 2000г.

СообщениеДобавлено: Вт Фев 18, 2014 21:51    Заголовок сообщения: Ответить с цитатой

Наконец то решил проблемку со своим датчиком,если кому интересно могу написать как Very Happy Very Happy Very Happy
Вернуться к началу
Посмотреть профиль Отправить личное сообщение
Ярослав Черепин
Италофан


Италофан

Возраст: 39
Знак зодиака: Телец
Зарегистрирован: 20.10.2013
Сообщения: 196
Откуда: Кролевец

Авто: ФИАТ Скудо 1,9 тд

СообщениеДобавлено: Вт Фев 18, 2014 23:21    Заголовок сообщения: Ответить с цитатой

Good Good Good
Вернуться к началу
Посмотреть профиль Отправить личное сообщение
1ksa
Италофан


Италофан

Возраст: 52
Знак зодиака: Рыбы
Зарегистрирован: 01.06.2013
Сообщения: 314
Откуда: Украина

Авто: peugeot expert 2008, 2,0 HDI

СообщениеДобавлено: Ср Фев 19, 2014 00:52    Заголовок сообщения: Ответить с цитатой

Mishanya
так напиши
а то помогите всем миром - а как решил - так никому...
Вернуться к началу
Посмотреть профиль Отправить личное сообщение
Mishanya
Amico


Amico

Возраст: 54
Знак зодиака: Скорпион
Зарегистрирован: 19.01.2014
Сообщения: 15
Откуда: Первомайск,Ник.обл.

Авто: Fiat Scudo 1.9D 2000г.

СообщениеДобавлено: Пн Фев 24, 2014 22:36    Заголовок сообщения: Ответить с цитатой

Так я же не против поделиться решением проблемы,просто не всегда есть время,а решилось всё элементарно,после того как объездил всех более или менее значимых мастеров-электриков в своём городе и после предварительного звонка к мастерам в другой город,было пару дней свободных я решил самолично заглянуть под капот и узнать куда идут провода от самого датчика, один провод шел напрямую на массу двигателя, другой заходил в жмут проводов, распаковав этот самый жмут проводов в гофре увидел оборванный или обрезанный провод такого же цвета и с такими же цифровыми обозначениями как и провод который шел на массу двигателя(каждый провод имеет свои цифровые обозначения)не много поколебавшись рискнул подсоединить провод с массы к оборванному проводу и,слава Богу, датчик ожил,первые несколько дней не мог нарадоваться, всё во время езды поглядывал на изменения показаний температуры ОЖ, сейчас уже немного привык,все работает прекрасно Very Happy Very Happy Very Happy И ещё хочу поблагодарить всех кто участвовал в решении этой проблемы.Всем большое спасибо Exclamation Exclamation Exclamation
Вернуться к началу
Посмотреть профиль Отправить личное сообщение
Показать сообщения:   
Начать новую тему   Ответить на тему    Список форумов Український клуб фанів FIAT / CLUB UCRAINO TIFOSO DELLA FIAT -> Мінівени, мікроавтобуси (FIAT Scudo, FIAT Ducato, FIAT Ulysse) Часовой пояс: GMT + 3
На страницу Пред.  1, 2
Страница 2 из 2

 
Перейти:  
Вы не можете начинать темы
Вы не можете отвечать на сообщения
Вы не можете редактировать свои сообщения
Вы не можете удалять свои сообщения
Вы не можете голосовать в опросах
Вы не можете присоединять файлы в этом форуме
Вы можете скачивать файлы в этом форуме






Powered by phpBB © 2001, 2005 phpBB Group
З питань розміщення реклами писати на цю адресу