 |
Український клуб фанів FIAT / CLUB UCRAINO TIFOSO DELLA FIAT
|
 |
| Предыдущая тема :: Следующая тема |
| Автор |
Сообщение |
шурік Италоманьячище


Возраст: 49 Знак зодиака:  Зарегистрирован: 14.04.2010 Сообщения: 1760 Откуда: Нетішин Хмельницька
Авто: Був Експерт 2011р.2.0 Зараз С4 гранд пікасо 1.6 2014р
|
Добавлено: Вт Дек 03, 2013 14:01 Заголовок сообщения: Re: Как замудрить, чтоб окна опускались/поднимались без ключ |
|
|
| Игорь Свердловск писал(а): | | шурік писал(а): | | Игорь Свердловск писал(а): | Доброго времени!
Как так сделать, чтоб окна опускались/поднимались без поворота ключа зажигания? Плюс отдельно кидать на кнопки неохота, мож какое реле вытащить/закоротить? Слышал что-то подобное, но не нашел как и где.
Добло 1,4 2006 | Переключити туди де постійна напруга. |
Что переключить? Да, плюс можно на кнопки кинуть, но повторюсь - неохота резать родную проводку. | Для чого різати?Знайти де береться на них + і переключити туди де постіний +.Ставити реле-також потрібно різати провод.Або додатково подати + на тей запобіжник де підключені склопідйомники.Можливо(подивитись схему) і появиться + на підсвітці.
|
|
| Вернуться к началу |
|
 |
Croma Италоманьячище


Возраст: 67 Знак зодиака:  Зарегистрирован: 30.11.2009 Сообщения: 6091 Откуда: Окупированный Харьков
Авто: Fiat Croma TURBO IE
|
Добавлено: Вт Дек 03, 2013 14:39 Заголовок сообщения: |
|
|
Если неохота резать(и это правильно!), так надо глаза пялить в схему.
Восприятие( примитивное кстати) современных проводок как клемма аккумулятора, кнопка, лампочка чревата большими электрическими неприятностями.
Наверняка возможно на предохранителях все сделать.
Есть же предохранитель для стеклоподьемников.
Одним краем на сами стеклоподьемники "смотрит",
а на другом появляеться плюс при включении зажигания.
Вот и надо надо вытащить имеющийся и воткнуть клемку подходящую в дырочу. А на клемку через висячий предохранитель постоянный плюс подать. Плюс этот найти по месту.
Решение тащить провод к клемме аккумулятора самое бестолковое что может быть.
Когда надоест, то дополнительные детали быстренько ликвидируються и штатный предохранитель возвращаеться на место.
|
|
| Вернуться к началу |
|
 |
Stas_Bar Италомафиози


Возраст: 54 Знак зодиака:  Зарегистрирован: 02.02.2009 Сообщения: 967 Откуда: Киев
Авто: Fiat Doblo Maxi 1,9Multijet
|
Добавлено: Вт Дек 03, 2013 17:05 Заголовок сообщения: |
|
|
Игорь Свердловск
При постоянном плюсе на стеклоподьемнике акума на ночь может и не хватить, так как будут жрать лампочки подсветки кнопок. Оно тебе надо?
_________________ Стас |
|
| Вернуться к началу |
|
 |
ru8la Италомафиози


Возраст: 48 Знак зодиака:  Зарегистрирован: 23.10.2009 Сообщения: 505 Откуда: Киев
Авто: Fiat Tempra 1.6 SPI Jetronic A2.2
|
Добавлено: Вт Дек 03, 2013 17:35 Заголовок сообщения: |
|
|
| Stas_Bar писал(а): | Игорь Свердловск
При постоянном плюсе на стеклоподьемнике акума на ночь может и не хватить, так как будут жрать лампочки подсветки кнопок. Оно тебе надо? |
а подсветка не с габаритами включается?)))
|
|
| Вернуться к началу |
|
 |
Игорь Свердловск Италофан

Возраст: 42 Знак зодиака:  Зарегистрирован: 25.06.2013 Сообщения: 171 Откуда: Украина
Авто: Doblo 1.4
|
Добавлено: Вт Дек 03, 2013 23:03 Заголовок сообщения: |
|
|
| Croma писал(а): | Если неохота резать(и это правильно!), так надо глаза пялить в схему.
Восприятие( примитивное кстати) современных проводок как клемма аккумулятора, кнопка, лампочка чревата большими электрическими неприятностями.
Наверняка возможно на предохранителях все сделать.
Есть же предохранитель для стеклоподьемников.
Одним краем на сами стеклоподьемники "смотрит",
а на другом появляеться плюс при включении зажигания.
Вот и надо надо вытащить имеющийся и воткнуть клемку подходящую в дырочу. А на клемку через висячий предохранитель постоянный плюс подать. Плюс этот найти по месту.
Решение тащить провод к клемме аккумулятора самое бестолковое что может быть.
Когда надоест, то дополнительные детали быстренько ликвидируються и штатный предохранитель возвращаеться на место. |
|
|
| Вернуться к началу |
|
 |
=Avtorarytet= Италоманьячище


Возраст: 38 Знак зодиака:  Зарегистрирован: 13.05.2008 Сообщения: 1875 Откуда: Україна
Авто: Alfa Romeo 155 1.7TS 93' + Fiat Doblo 1.9Mjet 06'
|
Добавлено: Чт Дек 05, 2013 14:48 Заголовок сообщения: |
|
|
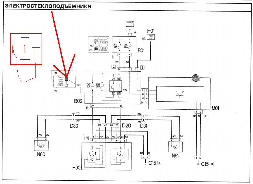
Достаєш реле, розбираєш і перемикаєш два контакта:
Итого:
Постійно, незалежно від запалювання працюють склопідйомники.
У мене ні разу не сів акум через підсвітку кнопок, там світлодіод.
Правда я повісив доп реле і зав'язав на ЦЗ. Якщо замок відкритий - працює, закритий - ні.
| Описание: |
|
| Размер: |
62.79 KB |
| Просмотрено: |
1064 раз(а) |

|
|
|
| Вернуться к началу |
|
 |
grv864 Италомафиози

Возраст: 40 Знак зодиака:  Зарегистрирован: 05.11.2013 Сообщения: 883 Откуда: Харьков
Авто: Фиат Добло Карго 1,3
|
Добавлено: Пн Фев 09, 2015 19:12 Заголовок сообщения: |
|
|
| =Avtorarytet= писал(а): | Достаєш реле, розбираєш і перемикаєш два контакта:
Итого:
Постійно, незалежно від запалювання працюють склопідйомники.
У мене ні разу не сів акум через підсвітку кнопок, там світлодіод.
Правда я повісив доп реле і зав'язав на ЦЗ. Якщо замок відкритий - працює, закритий - ні. |
как установили реле,к привязке цз?
|
|
| Вернуться к началу |
|
 |
=Avtorarytet= Италоманьячище


Возраст: 38 Знак зодиака:  Зарегистрирован: 13.05.2008 Сообщения: 1875 Откуда: Україна
Авто: Alfa Romeo 155 1.7TS 93' + Fiat Doblo 1.9Mjet 06'
|
Добавлено: Пт Фев 20, 2015 15:13 Заголовок сообщения: |
|
|
grv864.
Додаткове реле.
Силовий + взяв з великої клеми папа на щитку запобіжників і підключив на 86 і 87 контакт
Контакт 30 підключив прямо на силовий провід + склопідйомників. Перевіряв, ні на що інше не впливає.
Контакт 85 потягнув з провода, на якому (-) при відкритому Ц.З. При наявності сигналізації краше підключити до провода блоування, на якому (-) при знятті з охорони.
Приклад підключки
|
|
| Вернуться к началу |
|
 |
=Avtorarytet= Италоманьячище


Возраст: 38 Знак зодиака:  Зарегистрирован: 13.05.2008 Сообщения: 1875 Откуда: Україна
Авто: Alfa Romeo 155 1.7TS 93' + Fiat Doblo 1.9Mjet 06'
|
Добавлено: Пт Фев 20, 2015 16:43 Заголовок сообщения: |
|
|
Стандартне реле споживає 0.2А, тому якщо машина не закрита або не на охороні - сідатиме акум...
Варіант взяти реле, яке споживає менше (зустрічав 50мА)
Самий кращий варіант сворганити або купити таймерне реле на, наприклад, 10 хв...
"Стандартне реле"
Малоспоживаюче реле було схоже на таке
|
|
| Вернуться к началу |
|
 |
grv864 Италомафиози

Возраст: 40 Знак зодиака:  Зарегистрирован: 05.11.2013 Сообщения: 883 Откуда: Харьков
Авто: Фиат Добло Карго 1,3
|
Добавлено: Пт Фев 20, 2015 19:10 Заголовок сообщения: |
|
|
| =Avtorarytet= писал(а): | grv864.
Додаткове реле.
Силовий + взяв з великої клеми папа на щитку запобіжників і підключив на 86 і 87 контакт
Контакт 30 підключив прямо на силовий провід + склопідйомників. Перевіряв, ні на що інше не впливає.
Контакт 85 потягнув з провода, на якому (-) при відкритому Ц.З. При наявності сигналізації краше підключити до провода блоування, на якому (-) при знятті з охорони.
Приклад підключки
 |
Спасибо.
|
|
| Вернуться к началу |
|
 |
phosaly Италоманьячище


Возраст: 54 Знак зодиака:  Зарегистрирован: 27.05.2013 Сообщения: 1673 Откуда: Ровно
Авто: Fiat doblo 1.9Multijet 77kw 2007 Panaroma
|
Добавлено: Пт Фев 20, 2015 22:30 Заголовок сообщения: |
|
|
| alimxan писал(а): | | Чтобы стекла роботали без ключа нужно поставить доводчик и будет тебе счастье! У меня так и закрываются сами при постановка на охрану с пульта сигналки. |
если авто есть кнопку поднимать /отпускать стекло и сигнализация -но у меня не поднимать стекло при постановка на охрану !
мне всеравно надо купить модуль доводчик ?
Если все такие нужная модуль
Нашего стеклоподьемника поддерживал прямой сигнал ?
в противном случае с водительской двери прийдется тянуть еще два провода в пасажирскую.
_________________ ~Послуг дублікат чіп для фиат добло від 860грн |
|
| Вернуться к началу |
|
 |
|
|
Вы не можете начинать темы Вы не можете отвечать на сообщения Вы не можете редактировать свои сообщения Вы не можете удалять свои сообщения Вы не можете голосовать в опросах Вы не можете присоединять файлы в этом форуме Вы можете скачивать файлы в этом форуме
|
Powered by phpBB © 2001, 2005 phpBB Group
|