Сайт Українського клуба фанів FIAT Український клуб фанів FIAT / CLUB UCRAINO TIFOSO DELLA FIAT

 
ФотогалереяФотогалерея   FAQFAQ   ПоискПоиск   ПользователиПользователи   ГруппыГруппы   РегистрацияРегистрация 
 ПрофильПрофиль   Войти и проверить личные сообщенияВойти и проверить личные сообщения   ВходВход 

Подушка Двигателя(Croma 2.0)

 
Начать новую тему   Ответить на тему    Список форумов Український клуб фанів FIAT / CLUB UCRAINO TIFOSO DELLA FIAT -> FIAT Ritmo, FIAT Regata, FIAT Croma, FIAT Croma Nuova
Предыдущая тема :: Следующая тема  
Автор Сообщение
NoComments
Amico


Amico

Возраст: 36
Знак зодиака: Рыбы
Зарегистрирован: 19.04.2015
Сообщения: 9
Откуда: Днепропетровск

Авто: Croma

СообщениеДобавлено: Вс Апр 19, 2015 22:04    Заголовок сообщения: Подушка Двигателя(Croma 2.0) Ответить с цитатой

Всем доброго времени суток!Подскажите пожалуйста , нужна замена подушки двигателя Croma2.0(задняя правая)как на фото мне подойдет?


-fiat-lancia-croma-thema-fotografii.jpg
 Описание:
 Размер:  112.69 KB
 Просмотрено:  276 раз(а)

-fiat-lancia-croma-thema-fotografii.jpg



fiat-lancia-croma-thema-chernigov.jpg
 Описание:
 Размер:  55.75 KB
 Просмотрено:  308 раз(а)

fiat-lancia-croma-thema-chernigov.jpg


Вернуться к началу
Посмотреть профиль Отправить личное сообщение
CreAtoR
Италоманьячище


Италоманьячище

Возраст: 45
Знак зодиака: Весы
Зарегистрирован: 05.11.2010
Сообщения: 25295
Откуда: Одеса

Авто: Fiat Ritmo60L(138В3.048); Lancia Dedra(835A8.046); AR GT (932A1.000)

СообщениеДобавлено: Вс Апр 19, 2015 22:07    Заголовок сообщения: Ответить с цитатой

задняя или правая?
_________________
СТО [:ІЖАК] - діагностика, ремонт і кава ^-^
FIAT, Lancia, AR та не італійські авто.
т. О9З-О64-28-О6
т. О99-ОЧI-ЧЧ-Ч2
Вернуться к началу
Посмотреть профиль Отправить личное сообщение
NoComments
Amico


Amico

Возраст: 36
Знак зодиака: Рыбы
Зарегистрирован: 19.04.2015
Сообщения: 9
Откуда: Днепропетровск

Авто: Croma

СообщениеДобавлено: Вс Апр 19, 2015 22:34    Заголовок сообщения: Ответить с цитатой

Не знаю как правильно её назвать,скину фото Embarassed


крома.jpg
 Описание:
 Размер:  220.61 KB
 Просмотрено:  429 раз(а)

крома.jpg


Вернуться к началу
Посмотреть профиль Отправить личное сообщение
CreAtoR
Италоманьячище


Италоманьячище

Возраст: 45
Знак зодиака: Весы
Зарегистрирован: 05.11.2010
Сообщения: 25295
Откуда: Одеса

Авто: Fiat Ritmo60L(138В3.048); Lancia Dedra(835A8.046); AR GT (932A1.000)

СообщениеДобавлено: Пн Апр 20, 2015 00:46    Заголовок сообщения: Ответить с цитатой

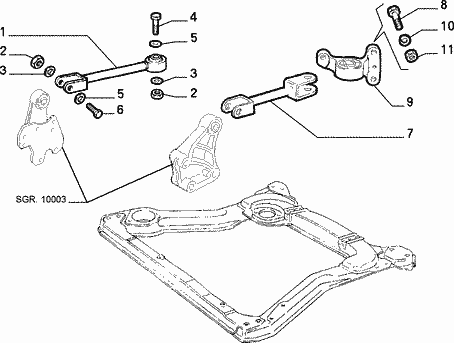
правая верхняя...
а там разве не шото такое типа?
1 или 7+9



naread.exe.png
 Описание:
 Размер:  9.79 KB
 Просмотрено:  277 раз(а)

naread.exe.png



_________________
СТО [:ІЖАК] - діагностика, ремонт і кава ^-^
FIAT, Lancia, AR та не італійські авто.
т. О9З-О64-28-О6
т. О99-ОЧI-ЧЧ-Ч2
Вернуться к началу
Посмотреть профиль Отправить личное сообщение
Lexville
Италоманьячище


Италоманьячище

Возраст: 39
Знак зодиака: Стрелец
Зарегистрирован: 08.12.2010
Сообщения: 1458
Откуда: Ташкент, Узбекистан

Авто: Fiat Croma 16V Turbo (продан), SAAB 9000CS M92, ВАЗ 2101

СообщениеДобавлено: Пн Апр 20, 2015 06:12    Заголовок сообщения: Ответить с цитатой

Жень, он не верхнюю показал на фото, просто нету у него нужного ракурса.

Автору: судя по фото подушки - подойдет.

_________________
ФИАТ - это не марка автомобилей, а образ жизни!

http://vk.com/lexville
Skype: galkin.prolog
MRA: lexmail(собачка)bk.ru
Вернуться к началу
Посмотреть профиль Отправить личное сообщение Посетить сайт автора
Disel-n
Италолюбитель


Италолюбитель

Возраст: 38
Знак зодиака: Рак
Зарегистрирован: 16.02.2015
Сообщения: 58
Откуда: Полтава

Авто: Fiat Croma 2.0 i.e. 1987

СообщениеДобавлено: Пн Апр 20, 2015 11:38    Заголовок сообщения: Ответить с цитатой

Нужно смотреть какая именно у Вас, потому как у меня крепление подушки на три болта, но кто-то переделал под такую как на фото.
Вернуться к началу
Посмотреть профиль Отправить личное сообщение Отправить e-mail
Unchik
Италоманьячище


Италоманьячище

Возраст: 45
Знак зодиака: Водолей
Зарегистрирован: 30.12.2009
Сообщения: 4893
Откуда: Молодогвардейск

Авто: Samand

СообщениеДобавлено: Пн Апр 20, 2015 17:12    Заголовок сообщения: Ответить с цитатой

Задняя правая ему нужна.В зависимости от года были на 2 болта и на 3.
_________________
Diesel Smoke, Dangerous Curves
Дизель без турбины-это кот без яиц)
Вернуться к началу
Посмотреть профиль Отправить личное сообщение
Disel-n
Италолюбитель


Италолюбитель

Возраст: 38
Знак зодиака: Рак
Зарегистрирован: 16.02.2015
Сообщения: 58
Откуда: Полтава

Авто: Fiat Croma 2.0 i.e. 1987

СообщениеДобавлено: Вт Апр 21, 2015 21:31    Заголовок сообщения: Ответить с цитатой

Unchik писал(а):
Задняя правая ему нужна.В зависимости от года были на 2 болта и на 3.
Это я и имею ввиду....
Вернуться к началу
Посмотреть профиль Отправить личное сообщение Отправить e-mail
SkyNet
Италофан


Италофан

Возраст: 35
Знак зодиака: Стрелец
Зарегистрирован: 21.02.2011
Сообщения: 223
Откуда: Россия

Авто: FIAT Croma, 86 г.в, 2,0 i.e

СообщениеДобавлено: Ср Июл 15, 2015 09:34    Заголовок сообщения: Ответить с цитатой

Можно приколхозить от Ваз 2110, с небольшими переделками, она немного меньше.
_________________
FIAT Croma, 86 г.в, 2,0 i.e
Вернуться к началу
Посмотреть профиль Отправить личное сообщение
Показать сообщения:   
Начать новую тему   Ответить на тему    Список форумов Український клуб фанів FIAT / CLUB UCRAINO TIFOSO DELLA FIAT -> FIAT Ritmo, FIAT Regata, FIAT Croma, FIAT Croma Nuova Часовой пояс: GMT + 3
Страница 1 из 1

 
Перейти:  
Вы не можете начинать темы
Вы не можете отвечать на сообщения
Вы не можете редактировать свои сообщения
Вы не можете удалять свои сообщения
Вы не можете голосовать в опросах
Вы не можете присоединять файлы в этом форуме
Вы можете скачивать файлы в этом форуме






Powered by phpBB © 2001, 2005 phpBB Group
З питань розміщення реклами писати на цю адресу