Сайт Українського клуба фанів FIAT Український клуб фанів FIAT / CLUB UCRAINO TIFOSO DELLA FIAT

 
ФотогалереяФотогалерея   FAQFAQ   ПоискПоиск   ПользователиПользователи   ГруппыГруппы   РегистрацияРегистрация 
 ПрофильПрофиль   Войти и проверить личные сообщенияВойти и проверить личные сообщения   ВходВход 

И снова трабла - НЕ ЗАВОДИТСЯ !!!
На страницу Пред.  1, 2, 3, 4  След.
 
Начать новую тему   Ответить на тему    Список форумов Український клуб фанів FIAT / CLUB UCRAINO TIFOSO DELLA FIAT -> FIAT Tipo, FIAT Tempra
Предыдущая тема :: Следующая тема  
Автор Сообщение
naskul777
Италоманьячище


Италоманьячище

Возраст: 59
Знак зодиака: Весы
Зарегистрирован: 15.03.2008
Сообщения: 1226
Откуда: Харьков

Авто: Был Fiat Tipo 1.4 Моник, теперь - Fiat Tempra 1.6S 1992 г.в. моновжик

СообщениеДобавлено: Ср Янв 25, 2012 15:05    Заголовок сообщения: Ответить с цитатой

ОК! Бл...дь! Вчера заглушил, заводить через пять минут, а хера, всё таже песня, форса не срабатывает, насос не включается. Шо за твою мать...............
_________________
http://www.youtube.com/watch?v=hTe3B8SfYIs
Слава ВДВ!!!
Вернуться к началу
Посмотреть профиль Отправить личное сообщение
naskul777
Италоманьячище


Италоманьячище

Возраст: 59
Знак зодиака: Весы
Зарегистрирован: 15.03.2008
Сообщения: 1226
Откуда: Харьков

Авто: Был Fiat Tipo 1.4 Моник, теперь - Fiat Tempra 1.6S 1992 г.в. моновжик

СообщениеДобавлено: Ср Янв 25, 2012 18:18    Заголовок сообщения: Ответить с цитатой

До ковырялся.Согласно схемы, на релюху бензонасоса, на 85-ю ногу (электромагнитную катушку, что смыкает контакты) минус приходит с компа и его, зараза, нет. Ни у кого нет никаких соображений?
_________________
http://www.youtube.com/watch?v=hTe3B8SfYIs
Слава ВДВ!!!
Вернуться к началу
Посмотреть профиль Отправить личное сообщение
naskul777
Италоманьячище


Италоманьячище

Возраст: 59
Знак зодиака: Весы
Зарегистрирован: 15.03.2008
Сообщения: 1226
Откуда: Харьков

Авто: Был Fiat Tipo 1.4 Моник, теперь - Fiat Tempra 1.6S 1992 г.в. моновжик

СообщениеДобавлено: Ср Янв 25, 2012 19:55    Заголовок сообщения: Ответить с цитатой

Ребята, подскажите, откуда начинать считать ноги на разъеме ЭБУ, провод со стороны руки. Чё-т я запамятовал. Прошу прощения за резкость, но, сдается, понятно.


IMG_9078.jpg
 Описание:
 Размер:  195.74 KB
 Просмотрено:  244 раз(а)

IMG_9078.jpg



_________________
http://www.youtube.com/watch?v=hTe3B8SfYIs
Слава ВДВ!!!
Вернуться к началу
Посмотреть профиль Отправить личное сообщение
Pustynnikov
Италоманьячище


Италоманьячище

Возраст: 50
Знак зодиака: Близнецы
Зарегистрирован: 28.07.2007
Сообщения: 2881
Откуда: Бобруйск Беларусь

Авто: Peugeot 405 II Break (4E) 1.8 LFZ (XU7JP)

СообщениеДобавлено: Ср Янв 25, 2012 20:12    Заголовок сообщения: Ответить с цитатой

Смотри в прикрепленном документе.


Tipo_Wire_Side.pdf
 Описание:
Это распиновка со стороны кабеля

Скачать
 Имя файла:  Tipo_Wire_Side.pdf
 Размер:  308.23 KB
 Загружен:  370 раз(а)


_________________
Fiat Tipo 1.4 i.e. (160A1046) DGT 90 г.в. Продан. Разбит новой хозяйкой Crying or Very sad Восстановлен!!! Перепродан другой хозяйке. Убит... Crying or Very sad Мне так его жаль!
Вернуться к началу
Посмотреть профиль Отправить личное сообщение
naskul777
Италоманьячище


Италоманьячище

Возраст: 59
Знак зодиака: Весы
Зарегистрирован: 15.03.2008
Сообщения: 1226
Откуда: Харьков

Авто: Был Fiat Tipo 1.4 Моник, теперь - Fiat Tempra 1.6S 1992 г.в. моновжик

СообщениеДобавлено: Ср Янв 25, 2012 20:15    Заголовок сообщения: Ответить с цитатой

Миша, верхний рисунок? Там, где слева-направо?
_________________
http://www.youtube.com/watch?v=hTe3B8SfYIs
Слава ВДВ!!!
Вернуться к началу
Посмотреть профиль Отправить личное сообщение
Pustynnikov
Италоманьячище


Италоманьячище

Возраст: 50
Знак зодиака: Близнецы
Зарегистрирован: 28.07.2007
Сообщения: 2881
Откуда: Бобруйск Беларусь

Авто: Peugeot 405 II Break (4E) 1.8 LFZ (XU7JP)

СообщениеДобавлено: Ср Янв 25, 2012 20:17    Заголовок сообщения: Ответить с цитатой

Слушай, а сопротивление на форсунку живое?
_________________
Fiat Tipo 1.4 i.e. (160A1046) DGT 90 г.в. Продан. Разбит новой хозяйкой Crying or Very sad Восстановлен!!! Перепродан другой хозяйке. Убит... Crying or Very sad Мне так его жаль!
Вернуться к началу
Посмотреть профиль Отправить личное сообщение
naskul777
Италоманьячище


Италоманьячище

Возраст: 59
Знак зодиака: Весы
Зарегистрирован: 15.03.2008
Сообщения: 1226
Откуда: Харьков

Авто: Был Fiat Tipo 1.4 Моник, теперь - Fiat Tempra 1.6S 1992 г.в. моновжик

СообщениеДобавлено: Ср Янв 25, 2012 20:21    Заголовок сообщения: Ответить с цитатой

Так тут же ж как, согласно схеме, плюс на резистор, а потом и на форсу подается с релюхи бензонасоса, т.е., после того как сомкнутся контакты в релюхе БН, а контакты то в релюхе и не смыкаются, потому что на электромагнит не подается минус с компа.
_________________
http://www.youtube.com/watch?v=hTe3B8SfYIs
Слава ВДВ!!!
Вернуться к началу
Посмотреть профиль Отправить личное сообщение
Pustynnikov
Италоманьячище


Италоманьячище

Возраст: 50
Знак зодиака: Близнецы
Зарегистрирован: 28.07.2007
Сообщения: 2881
Откуда: Бобруйск Беларусь

Авто: Peugeot 405 II Break (4E) 1.8 LFZ (XU7JP)

СообщениеДобавлено: Ср Янв 25, 2012 20:24    Заголовок сообщения: Ответить с цитатой

naskul777 писал(а):
Миша, верхний рисунок? Там, где слева-направо?

Нет, нижний. Terminal Side - со стороны блока, Wire Side - со стороны жгута
naskul777 писал(а):
...а контакты то в релюхе и не смыкаются, потому что на электромагнит не подается минус с компа.

Ну да, ступил чё-то

_________________
Fiat Tipo 1.4 i.e. (160A1046) DGT 90 г.в. Продан. Разбит новой хозяйкой Crying or Very sad Восстановлен!!! Перепродан другой хозяйке. Убит... Crying or Very sad Мне так его жаль!
Вернуться к началу
Посмотреть профиль Отправить личное сообщение
naskul777
Италоманьячище


Италоманьячище

Возраст: 59
Знак зодиака: Весы
Зарегистрирован: 15.03.2008
Сообщения: 1226
Откуда: Харьков

Авто: Был Fiat Tipo 1.4 Моник, теперь - Fiat Tempra 1.6S 1992 г.в. моновжик

СообщениеДобавлено: Ср Янв 25, 2012 20:28    Заголовок сообщения: Ответить с цитатой

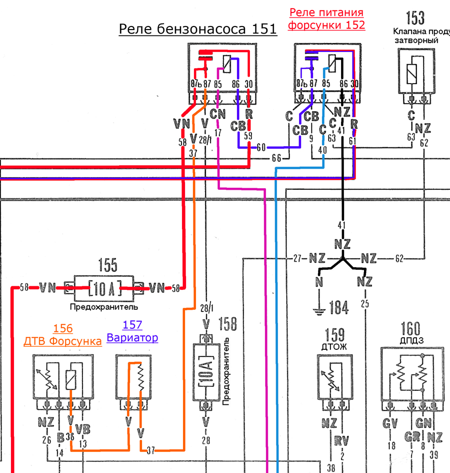
Вот, на 85-ю ногу реле бензонасоса, а она в свою очередь (смыкая контакты) подает напругу на насос и форсу через резистор ( в схеме - как вариатор)


JetronicA22211.jpg
 Описание:
 Размер:  414.67 KB
 Просмотрено:  306 раз(а)

JetronicA22211.jpg



_________________
http://www.youtube.com/watch?v=hTe3B8SfYIs
Слава ВДВ!!!


Последний раз редактировалось: naskul777 (Ср Янв 25, 2012 20:30), всего редактировалось 1 раз
Вернуться к началу
Посмотреть профиль Отправить личное сообщение
naskul777
Италоманьячище


Италоманьячище

Возраст: 59
Знак зодиака: Весы
Зарегистрирован: 15.03.2008
Сообщения: 1226
Откуда: Харьков

Авто: Был Fiat Tipo 1.4 Моник, теперь - Fiat Tempra 1.6S 1992 г.в. моновжик

СообщениеДобавлено: Ср Янв 25, 2012 20:29    Заголовок сообщения: Ответить с цитатой

Пользую твою, кстати, схему.
_________________
http://www.youtube.com/watch?v=hTe3B8SfYIs
Слава ВДВ!!!
Вернуться к началу
Посмотреть профиль Отправить личное сообщение
Pustynnikov
Италоманьячище


Италоманьячище

Возраст: 50
Знак зодиака: Близнецы
Зарегистрирован: 28.07.2007
Сообщения: 2881
Откуда: Бобруйск Беларусь

Авто: Peugeot 405 II Break (4E) 1.8 LFZ (XU7JP)

СообщениеДобавлено: Ср Янв 25, 2012 20:49    Заголовок сообщения: Ответить с цитатой

Да понял, я, понял Smile Говорю ж - ступил. Работы сегодня много было...
_________________
Fiat Tipo 1.4 i.e. (160A1046) DGT 90 г.в. Продан. Разбит новой хозяйкой Crying or Very sad Восстановлен!!! Перепродан другой хозяйке. Убит... Crying or Very sad Мне так его жаль!
Вернуться к началу
Посмотреть профиль Отправить личное сообщение
naskul777
Италоманьячище


Италоманьячище

Возраст: 59
Знак зодиака: Весы
Зарегистрирован: 15.03.2008
Сообщения: 1226
Откуда: Харьков

Авто: Был Fiat Tipo 1.4 Моник, теперь - Fiat Tempra 1.6S 1992 г.в. моновжик

СообщениеДобавлено: Ср Янв 25, 2012 21:00    Заголовок сообщения: Ответить с цитатой

Да это я сказал к тому, что спасибо тебе за схему. Smile
_________________
http://www.youtube.com/watch?v=hTe3B8SfYIs
Слава ВДВ!!!
Вернуться к началу
Посмотреть профиль Отправить личное сообщение
naskul777
Италоманьячище


Италоманьячище

Возраст: 59
Знак зодиака: Весы
Зарегистрирован: 15.03.2008
Сообщения: 1226
Откуда: Харьков

Авто: Был Fiat Tipo 1.4 Моник, теперь - Fiat Tempra 1.6S 1992 г.в. моновжик

СообщениеДобавлено: Ср Янв 25, 2012 21:01    Заголовок сообщения: Ответить с цитатой

Пошел звонить разъем.
_________________
http://www.youtube.com/watch?v=hTe3B8SfYIs
Слава ВДВ!!!
Вернуться к началу
Посмотреть профиль Отправить личное сообщение
Pustynnikov
Италоманьячище


Италоманьячище

Возраст: 50
Знак зодиака: Близнецы
Зарегистрирован: 28.07.2007
Сообщения: 2881
Откуда: Бобруйск Беларусь

Авто: Peugeot 405 II Break (4E) 1.8 LFZ (XU7JP)

СообщениеДобавлено: Ср Янв 25, 2012 22:18    Заголовок сообщения: Ответить с цитатой

naskul777 писал(а):
Да это я сказал к тому, что спасибо тебе за схему. Smile

ай, да нема за шо Wink

_________________
Fiat Tipo 1.4 i.e. (160A1046) DGT 90 г.в. Продан. Разбит новой хозяйкой Crying or Very sad Восстановлен!!! Перепродан другой хозяйке. Убит... Crying or Very sad Мне так его жаль!
Вернуться к началу
Посмотреть профиль Отправить личное сообщение
naskul777
Италоманьячище


Италоманьячище

Возраст: 59
Знак зодиака: Весы
Зарегистрирован: 15.03.2008
Сообщения: 1226
Откуда: Харьков

Авто: Был Fiat Tipo 1.4 Моник, теперь - Fiat Tempra 1.6S 1992 г.в. моновжик

СообщениеДобавлено: Чт Янв 26, 2012 01:09    Заголовок сообщения: Ответить с цитатой

Вот задачка так задачка, все пере лопатил, все про звонил, что только можно, а найти причину так и не удалось Evil or Very Mad
_________________
http://www.youtube.com/watch?v=hTe3B8SfYIs
Слава ВДВ!!!
Вернуться к началу
Посмотреть профиль Отправить личное сообщение
Показать сообщения:   
Начать новую тему   Ответить на тему    Список форумов Український клуб фанів FIAT / CLUB UCRAINO TIFOSO DELLA FIAT -> FIAT Tipo, FIAT Tempra Часовой пояс: GMT + 3
На страницу Пред.  1, 2, 3, 4  След.
Страница 2 из 4

 
Перейти:  
Вы не можете начинать темы
Вы не можете отвечать на сообщения
Вы не можете редактировать свои сообщения
Вы не можете удалять свои сообщения
Вы не можете голосовать в опросах
Вы не можете присоединять файлы в этом форуме
Вы можете скачивать файлы в этом форуме






Powered by phpBB © 2001, 2005 phpBB Group
З питань розміщення реклами писати на цю адресу