 |
Український клуб фанів FIAT / CLUB UCRAINO TIFOSO DELLA FIAT
|
 |
| Предыдущая тема :: Следующая тема |
| Автор |
Сообщение |
diavard Италоманьяк


Возраст: 45 Знак зодиака:  Зарегистрирован: 04.05.2010 Сообщения: 424 Откуда: Одесса
Авто: Fiat Doblo Panorama 1.4 8V 2008г ориг пасс, мотор 350 A1.000
|
Добавлено: Пн Июн 17, 2013 21:25 Заголовок сообщения: |
|
|
| Bogdan.lv84 писал(а): | | Аналогічна фішка і вмене є.вікон в дверях немає. |
Спасибо конечно, КЭП, только речь идет о том, что у меня оригинальный пассажир и обогрев задних стекол есть и работает, так что тогда за фишка - вот в чем вопрос.
Avtorarytet просил фото - вот я и выкладываю.
|
|
| Вернуться к началу |
|
 |
andriylv Италофан


Возраст: 49 Знак зодиака:  Зарегистрирован: 03.04.2013 Сообщения: 216 Откуда: Україна, Львів
Авто: Fiat Doblo 1,6 16V natural power
|
Добавлено: Пн Июн 17, 2013 21:31 Заголовок сообщения: |
|
|
| diavard писал(а): | | Bogdan.lv84 писал(а): | | Аналогічна фішка і вмене є.вікон в дверях немає. |
Спасибо конечно, КЭП, только речь идет о том, что у меня оригинальный пассажир и обогрев задних стекол есть и работает, так что тогда за фишка - вот в чем вопрос.
Avtorarytet просил фото - вот я и выкладываю. |
В дверці, чи над арками?
|
|
| Вернуться к началу |
|
 |
николай 1976 Италомафиози


Возраст: 50 Знак зодиака:  Зарегистрирован: 18.11.2012 Сообщения: 742 Откуда: николаев украина
Авто: фиат добло 1,6 16v Natural Power 103л.с 75кВ.т
|
Добавлено: Пн Июн 17, 2013 21:38 Заголовок сообщения: |
|
|
похожа на выход динамиков
_________________ 02041976 |
|
| Вернуться к началу |
|
 |
diavard Италоманьяк


Возраст: 45 Знак зодиака:  Зарегистрирован: 04.05.2010 Сообщения: 424 Откуда: Одесса
Авто: Fiat Doblo Panorama 1.4 8V 2008г ориг пасс, мотор 350 A1.000
|
Добавлено: Пн Июн 17, 2013 22:23 Заголовок сообщения: |
|
|
| andriylv писал(а): | | В дверці, чи над арками? |
andriylv
Над арками.
николай 1976, тоже бы хотелось так думать, только вот у меня машина пассажир в базовой комплектации, не было проводки под музыку ни в передних дверях, нигде. Навряд ли турки оставили такой подарок...
P.S. По-моему в карго есть маленький плафон, в багажнике, может это от него??
|
|
| Вернуться к началу |
|
 |
николай 1976 Италомафиози


Возраст: 50 Знак зодиака:  Зарегистрирован: 18.11.2012 Сообщения: 742 Откуда: николаев украина
Авто: фиат добло 1,6 16v Natural Power 103л.с 75кВ.т
|
Добавлено: Пн Июн 17, 2013 22:40 Заголовок сообщения: |
|
|
| diavard писал(а): | | andriylv писал(а): | | В дверці, чи над арками? |
andriylv
Над арками.
николай 1976, тоже бы хотелось так думать, только вот у меня машина пассажир в базовой комплектации, не было проводки под музыку ни в передних дверях, нигде. Навряд ли турки оставили такой подарок...
P.S. По-моему в карго есть маленький плафон, в багажнике, может это от него?? | а с другой стороны есть такой штекерок?
_________________ 02041976 |
|
| Вернуться к началу |
|
 |
realyes@rambler.ru Amico

Возраст: 41 Знак зодиака:  Зарегистрирован: 13.02.2013 Сообщения: 34 Откуда: Хмільник
Авто: Doblo 1.3 Multijet 2005
|
Добавлено: Пн Июн 17, 2013 23:07 Заголовок сообщения: |
|
|
С левой стороны над аркой тоже есть фишка, правдв она не на 2 контакта а большая (8 или 10 pin) и в ней также присутствуют черный и коричневый провод. Но вся суть в том что в ответном разьеме отсутствуют провода в этих двух пинах.(надеюсь выразился яснр...)
Тоесть с обеих сторон к аркам доходит пара черный-коричневый и дальше никуда не идет.
|
|
| Вернуться к началу |
|
 |
николай 1976 Италомафиози


Возраст: 50 Знак зодиака:  Зарегистрирован: 18.11.2012 Сообщения: 742 Откуда: николаев украина
Авто: фиат добло 1,6 16v Natural Power 103л.с 75кВ.т
|
Добавлено: Пн Июн 17, 2013 23:15 Заголовок сообщения: |
|
|
| realyes@rambler.ru писал(а): | С левой стороны над аркой тоже есть фишка, правдв она не на 2 контакта а большая (8 или 10 pin) и в ней также присутствуют черный и коричневый провод. Но вся суть в том что в ответном разьеме отсутствуют провода в этих двух пинах.(надеюсь выразился яснр...)
Тоесть с обеих сторон к аркам доходит пара черный-коричневый и дальше никуда не идет. | У меня также, черный и коричневый провод с двух сторон (это обогрев задних окон)
_________________ 02041976 |
|
| Вернуться к началу |
|
 |
realyes@rambler.ru Amico

Возраст: 41 Знак зодиака:  Зарегистрирован: 13.02.2013 Сообщения: 34 Откуда: Хмільник
Авто: Doblo 1.3 Multijet 2005
|
Добавлено: Пн Июн 17, 2013 23:20 Заголовок сообщения: |
|
|
Что же касается плафона в задней части кузова CARGO, все стало на свои места:
На плафон идут два провода "+" и "-" примечательно что "+" присутствует постоянно, а "-" появляется только при открывании двери.
Была задача при переоборудовании в пасс обеспечить подсветку заднего ряда "на ходу" (возможность включить свет не открывая двери)
Решение:
Подцепить массу к дополнительному плафону прямо от кузова (например вкрутить саморез к перемычке потолка и прижать шляпкой зачищеный провод), и заодно пробросить пару проводов с подсветки багажника, тогда задний ряд будет освещатся автоматом при открытии двери, и пасажири смогут при необходимости щелкнуть тумблером на плафоне и пользоваться светом в любое время.
|
|
| Вернуться к началу |
|
 |
andriylv Италофан


Возраст: 49 Знак зодиака:  Зарегистрирован: 03.04.2013 Сообщения: 216 Откуда: Україна, Львів
Авто: Fiat Doblo 1,6 16V natural power
|
Добавлено: Вт Июн 18, 2013 01:35 Заголовок сообщения: |
|
|
| diavard писал(а): |
николай 1976, тоже бы хотелось так думать, только вот у меня машина пассажир в базовой комплектации, не было проводки под музыку ни в передних дверях, нигде. Навряд ли турки оставили такой подарок...
|
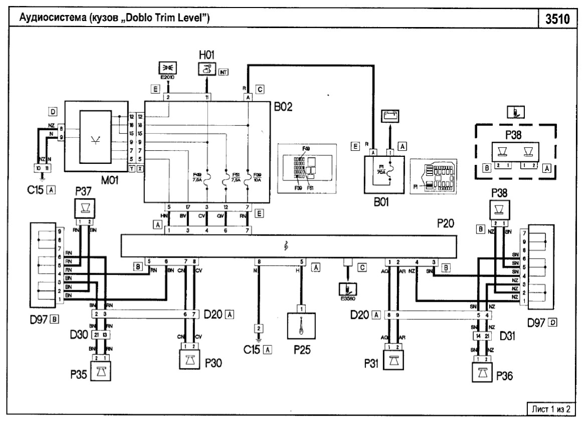
Роз'єм D20 A
2,3,4,5 ножки - передні динаміки,
а 6,7,8,9 - задні динаміки.
Можна перевірити чи є подарунок від турків, чи ні.
В мене (Карго) проводка на передні була, а на зад від цього роз'єму кидав.
| Описание: |
|
| Размер: |
141.31 KB |
| Просмотрено: |
686 раз(а) |

|
| Описание: |
|
| Размер: |
250.13 KB |
| Просмотрено: |
674 раз(а) |

|
|
|
| Вернуться к началу |
|
 |
николай 1976 Италомафиози


Возраст: 50 Знак зодиака:  Зарегистрирован: 18.11.2012 Сообщения: 742 Откуда: николаев украина
Авто: фиат добло 1,6 16v Natural Power 103л.с 75кВ.т
|
Добавлено: Вт Июн 18, 2013 11:36 Заголовок сообщения: |
|
|
| andriylv писал(а): | | diavard писал(а): |
николай 1976, тоже бы хотелось так думать, только вот у меня машина пассажир в базовой комплектации, не было проводки под музыку ни в передних дверях, нигде. Навряд ли турки оставили такой подарок...
|
Роз'єм D20 A
2,3,4,5 ножки - передні динаміки,
а 6,7,8,9 - задні динаміки.
Можна перевірити чи є подарунок від турків, чи ні.
В мене (Карго) проводка на передні була, а на зад від цього роз'єму кидав. | я тоже с этого разъёма на зад кидал провода
разъём находится возле переднего пассажира под порошком
_________________ 02041976 |
|
| Вернуться к началу |
|
 |
diavard Италоманьяк


Возраст: 45 Знак зодиака:  Зарегистрирован: 04.05.2010 Сообщения: 424 Откуда: Одесса
Авто: Fiat Doblo Panorama 1.4 8V 2008г ориг пасс, мотор 350 A1.000
|
Добавлено: Вт Июн 18, 2013 21:29 Заголовок сообщения: |
|
|
| andriylv писал(а): |
Можна перевірити чи є подарунок від турків, чи ні.
В мене (Карго) проводка на передні була, а на зад від цього роз'єму кидав. |
За схему спасибо! У меня есть книжка такая же, это первым делом посмотел. А штекер проверил - не динамики
|
|
| Вернуться к началу |
|
 |
smel Amico

Возраст: 55 Знак зодиака:  Зарегистрирован: 03.05.2010 Сообщения: 3 Откуда: Одесса
Авто: Fiat Doblo Panor. 2008 1.9MJET
|
Добавлено: Сб Июл 06, 2013 14:05 Заголовок сообщения: Re: Проводка в Doblo I. Питання по невикористаним фішкам. |
|
|
diavard -day telefon4ik, nugen sovet!
096 5159393
063 9465991 Sergey
|
|
| Вернуться к началу |
|
 |
fiatd Италофан

Возраст: 53 Знак зодиака:  Зарегистрирован: 31.01.2013 Сообщения: 218 Откуда: днепропетровск
Авто: fiat doblo
|
Добавлено: Вс Июл 07, 2013 12:51 Заголовок сообщения: |
|
|
| если речь идет о задней левой карте багажника то уменя стоит там заводской блок парктроника и соответственно раземы подключения а взадней двери розпашонка была фишка подключения центрального замка привода хотя самого привода небыло поставил сам и подключил все роботает
|
|
| Вернуться к началу |
|
 |
bbburguy Amico

Возраст: 40 Знак зодиака:  Зарегистрирован: 25.11.2012 Сообщения: 2 Откуда: Николаев
Авто: doblo 1.3
|
Добавлено: Сб Фев 15, 2014 21:06 Заголовок сообщения: |
|
|
| Сегодня проверил что на эту фишку подается питание когда открыта любая раздвижная дверь.
|
|
| Вернуться к началу |
|
 |
diavard Италоманьяк


Возраст: 45 Знак зодиака:  Зарегистрирован: 04.05.2010 Сообщения: 424 Откуда: Одесса
Авто: Fiat Doblo Panorama 1.4 8V 2008г ориг пасс, мотор 350 A1.000
|
Добавлено: Чт Мар 06, 2014 20:34 Заголовок сообщения: |
|
|
Итак, наконец-то выяснил что это за разъем в багажнике за левой боковиной, спасибо за подсказку bbburguy! Никакой это не подогрев и не парктроник и т.д.
В панорамных боковинах с динамиками, что в багажнике, а точнее только в левой, снизу есть прямоугольное отверстие под плафончик подсветки багажника, который срабатывает при открытой двери багажника, как многие хотят.
Вот как на этом фото
Путем долгих поисков было выяснено, что такой плафончик используется во многих моделях фиат, как плафон подсветки багажника либо бардачка. Вот его оригинальный номер: 51878127.
Однако цена на новый заставила призадуматься! 200 грн и более. За что?? В польше, такие б\у плафоны на allegro стоят 5-10 zl - это примерно 1,25-2,5 евро, НО учитавая доставку по Польше и % того, кто доставляет в Украину выходит 120-140 грн, что тоже не совсем гут, учитывая что покупаешь кота в мешке, может со сломанным креплением или еще что-то, поляки такое любят...
Так что отдельное огромное спасибо за плафончик diesel777!
Снял боковину, подключил фишку, закрутил все обратно - сижу радуюсь. Теперь все по фен-шую
|
|
| Вернуться к началу |
|
 |
|
|
Вы не можете начинать темы Вы не можете отвечать на сообщения Вы не можете редактировать свои сообщения Вы не можете удалять свои сообщения Вы не можете голосовать в опросах Вы не можете присоединять файлы в этом форуме Вы можете скачивать файлы в этом форуме
|
Powered by phpBB © 2001, 2005 phpBB Group
|