 |
Український клуб фанів FIAT / CLUB UCRAINO TIFOSO DELLA FIAT
|
 |
| Предыдущая тема :: Следующая тема |
| Автор |
Сообщение |
ВАСЯ1998 Италофан


Возраст: 30 Знак зодиака:  Зарегистрирован: 16.07.2014 Сообщения: 172 Откуда: Україна,Ужгород
Авто: Citroen Jumpy 1.9td 2000
|
Добавлено: Вс Мар 20, 2016 17:23 Заголовок сообщения: |
|
|
| Vladimir TV писал(а): |
Может, просто, руками переставить стрелку на начало шкалы? |
А вона не має автокоригування???
|
|
| Вернуться к началу |
|
 |
Александр Васильевич Италоманьячище

Возраст: 38 Знак зодиака:  Зарегистрирован: 21.05.2007 Сообщения: 17333 Откуда: Одеса
Авто: Фіат Сієна 1.2
|
Добавлено: Вс Мар 20, 2016 17:29 Заголовок сообщения: |
|
|
| Vladimir TV писал(а): | | ВАСЯ1998 писал(а): | Похожа проблема,тільки у мене відразу при холодному двигуні,та і при відключеному датчику на панелі стрілка піднімається на білу шкалу...
точно так як на фото.
І показує то правильно,то ні...Що то може бути?? |
Может, просто, руками переставить стрелку на начало шкалы? |
И проблему не решить, а тоже переместить? Сама по себе стрелка вряд ли передвинусь, чтоб вертеть ею взад. Искать схему, в т.ч. и указателя на панели, т.к. разные могут быть, и причину
_________________ Це не набиття постів, це просто моя думка. |
|
| Вернуться к началу |
|
 |
Vladimir TV Италомафиози


Возраст: 52 Знак зодиака:  Зарегистрирован: 25.07.2011 Сообщения: 1071 Откуда: Украина
Авто: Peugeot Expert, 2004 (2,0 HDI), RHX
|
Добавлено: Вс Мар 20, 2016 21:06 Заголовок сообщения: |
|
|
| Александр Васильевич писал(а): | | Vladimir TV писал(а): | | ВАСЯ1998 писал(а): | Похожа проблема,тільки у мене відразу при холодному двигуні,та і при відключеному датчику на панелі стрілка піднімається на білу шкалу...
точно так як на фото.
І показує то правильно,то ні...Що то може бути?? |
Может, просто, руками переставить стрелку на начало шкалы? |
И проблему не решить, а тоже переместить? Сама по себе стрелка вряд ли передвинусь, чтоб вертеть ею взад. Искать схему, в т.ч. и указателя на панели, т.к. разные могут быть, и причину |
Согласен. Мой совет - при исправности всей цепи.
Стрелка автокоррекцию не имеет.
Был невнимателен и пропустил Вашу проблему - "то правильно показывает, то нет" . Значит мой совет отпадает. Надо искать проблему...
|
|
| Вернуться к началу |
|
 |
alex-lv Италоманьячище


Возраст: 30 Знак зодиака:  Зарегистрирован: 14.09.2009 Сообщения: 1306 Откуда: Львів
Авто: продано
|
Добавлено: Ср Июн 14, 2017 19:59 Заголовок сообщения: |
|
|
| Oleg47 писал(а): | Помогите,сегодня на моём Fiat Scudo 1.9 TD 1999 года, во время движения
на щитке приборов указатель температуры начал показывать температуру не 84, а 91 - 93 градусов цельсия, что случилось ? И так целый день, хотя
вентиляторы на радиаторе не включаются, потрогал патрубки когда остановил авто вроде и не очень гарячие. Да еще когда глушу мотор и поворачиваю ключ зажигания на прогрев свечей накала указатель температуры показывает 84 градуса, как только завожу машину указатель температуры на щитке приборов в туже секунду показывает 91 градус. Что ето накрылся датчик теемпературы наверное. Подскажите какой и где стоит ? Я так думаю что датчик, а если бы термостат то при заклинивании температура двигателя либо росла до закипания либо не нагревалась. |
_________________ 0б77бб9119 |
|
| Вернуться к началу |
|
 |
mirkich Amico

Возраст: 51 Знак зодиака:  Зарегистрирован: 27.02.2009 Сообщения: 23 Откуда: Гомель
Авто: Fiat Scudo
|
Добавлено: Пн Июн 26, 2017 23:58 Заголовок сообщения: |
|
|
| alex-lv писал(а): | Чи це такий?
Показує температуру і лампа перегріву.
 | От чего загорается лампа аварийной температуры при включении зажигания? Заведёш гаснет. Что то ещё кроме этого датчика управляет этой лампой. Кто может растолковать логику работы этой лампы при заглушенном двигателе но при включённом зажигании?
|
|
| Вернуться к началу |
|
 |
alex-lv Италоманьячище


Возраст: 30 Знак зодиака:  Зарегистрирован: 14.09.2009 Сообщения: 1306 Откуда: Львів
Авто: продано
|
Добавлено: Вт Июн 27, 2017 15:05 Заголовок сообщения: |
|
|
| mirkich писал(а): | 1.От чего загорается лампа аварийной температуры при включении зажигания?
2.Что то ещё кроме этого датчика управляет этой лампой.
3.Кто может растолковать логику работы этой лампы при заглушенном двигателе но при включённом зажигании? |
1. Зявляється "-"на контакті №20 розєма BJ щитка приладів.
2. Керує ЕБУ контакт №К3 розєма MR
3. Тестує справність лампи аварійної температури.
| Описание: |
|
| Размер: |
165.24 KB |
| Просмотрено: |
757 раз(а) |

|
_________________ 0б77бб9119 |
|
| Вернуться к началу |
|
 |
Сергей Италомафиози


Возраст: 48 Знак зодиака:  Зарегистрирован: 06.12.2009 Сообщения: 974 Откуда: Vinnitsa
Авто: Fiat Tempra S 1.6
|
Добавлено: Вт Июн 27, 2017 16:10 Заголовок сообщения: |
|
|
| если датчики продаются, нужно заменить" датчик"....даже на бензинке не верил, пока не поменял...
|
|
| Вернуться к началу |
|
 |
mirkich Amico

Возраст: 51 Знак зодиака:  Зарегистрирован: 27.02.2009 Сообщения: 23 Откуда: Гомель
Авто: Fiat Scudo
|
Добавлено: Вт Июн 27, 2017 22:34 Заголовок сообщения: |
|
|
| Alex-lv спасибо за помощь У меня просто эта лампочка живёт своей жизнью . Датчики поменены по второму кругу. Видимо надо винить ЭБУ или на него периодически не приходит сигнал с разьёма С001. Я так понимаю по этому входу ЭБУ контролирует работает ли двигатель или нет. Сигнал пропадает и ЭБУ согласно пункта 3 тестирует исправность лампы аварийной температуры. Пугая меня при этом ещё и лампой STOP. Спасибо ещё раз !
|
|
| Вернуться к началу |
|
 |
alex-lv Италоманьячище


Возраст: 30 Знак зодиака:  Зарегистрирован: 14.09.2009 Сообщения: 1306 Откуда: Львів
Авто: продано
|
Добавлено: Вс Дек 02, 2018 11:00 Заголовок сообщения: |
|
|
| tedd писал(а): | День добрый у меня Scudo 1.9 D 99 год
Иногда стрелка температуры дергалась ( но было это очень редко)
Прошло время и заклинил лопнул вакуумный насос, в результате под капотом все в масле
Решил помыть моторный отсек
Помыл и заметил что стрелка температуры нешевелится
На сто сказали что умер датчик температуры, по винкоду заказал новый( смутило что был синий а привезли зеленый)
Так вот проблемма в чем на прогретом двигателе когда включаю зажигание температуру показывает, Но как только завожу машину то стрелка падает на ноль.
Подскажите что может быть!? |
| tedd писал(а): | | Попробую взять датчик такого цвета как был |
| tedd писал(а): | | Смена датчика вопрос не решила |
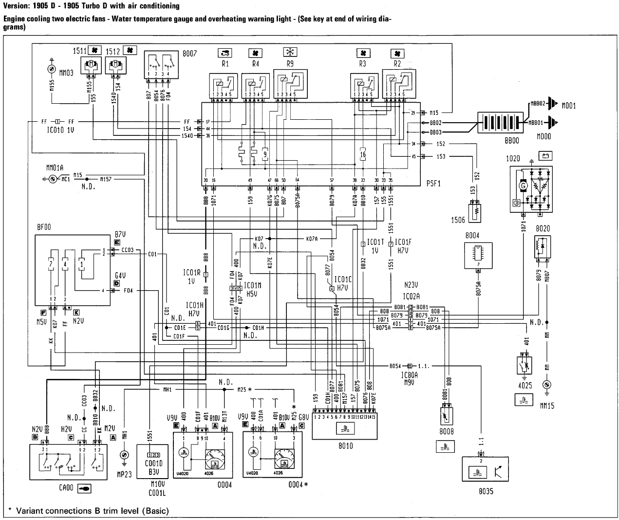
Даю схеми, прослідкуй живленя показника контакт С01F панелі приладів.
Замість датчика температури 4025 можна підставити опір 545-610ом. відповідає 60° C ножка 401.
| Описание: |
|
| Размер: |
354.07 KB |
| Просмотрено: |
649 раз(а) |

|
| Описание: |
|
| Размер: |
142.55 KB |
| Просмотрено: |
657 раз(а) |

|
_________________ 0б77бб9119 |
|
| Вернуться к началу |
|
 |
tedd Италолюбитель

Возраст: 45 Знак зодиака:  Зарегистрирован: 12.04.2014 Сообщения: 77 Откуда: харьков
Авто: Skudo
|
Добавлено: Вс Дек 16, 2018 13:54 Заголовок сообщения: |
|
|
| Сегодня сменил приборную панель там таже фигня
|
|
| Вернуться к началу |
|
 |
|
|
Вы не можете начинать темы Вы не можете отвечать на сообщения Вы не можете редактировать свои сообщения Вы не можете удалять свои сообщения Вы не можете голосовать в опросах Вы не можете присоединять файлы в этом форуме Вы можете скачивать файлы в этом форуме
|
Powered by phpBB © 2001, 2005 phpBB Group
|