 |
Український клуб фанів FIAT / CLUB UCRAINO TIFOSO DELLA FIAT
|
 |
| Предыдущая тема :: Следующая тема |
| Автор |
Сообщение |
Анатолий Италомафиози


Возраст: 43 Знак зодиака:  Зарегистрирован: 14.08.2006 Сообщения: 1089 Откуда: Бородянка, Киев обл.
Авто: Ford FOCUS(II) SE 1,8D
|
Добавлено: Пн Апр 07, 2008 13:37 Заголовок сообщения: Двигателя ФИАТ |
|
|
Решил создать тему только о двигалетях, проблемы поломки, неисправности.
В первую очередь хочу узнать по-поводу ЛАМПЫ давления масла в системе, а именно через который промежуток времени у кого она гаснет
Посидев на других форумах прочел что если лампа гаснет позже 1.5-2 сек после запуска двигателя то может быть наличие проблемы в смазочной системе двигателя.
Прошу высказать свои мнения, а также время через которое гаснет лампа " со значком масленки".
|
|
| Вернуться к началу |
|
 |
Vlad Италомафиози


Возраст: 61 Знак зодиака:  Зарегистрирован: 25.01.2006 Сообщения: 659 Откуда: Kiev
Авто: FIAT Siena Red Metallic; VW Jetta 2.5L, AT
|
Добавлено: Пн Апр 07, 2008 13:55 Заголовок сообщения: |
|
|
| Двигатель 1242 куб. 16V - гаснет сразу. Если гаснет через некоторое время, то можно поменять фильтр от другого производителя, т.к. может не держать обратный клапан. После останова двигателя масло перетекает в картер.
|
|
| Вернуться к началу |
|
 |
Анатолий Италомафиози


Возраст: 43 Знак зодиака:  Зарегистрирован: 14.08.2006 Сообщения: 1089 Откуда: Бородянка, Киев обл.
Авто: Ford FOCUS(II) SE 1,8D
|
Добавлено: Пн Апр 07, 2008 14:23 Заголовок сообщения: |
|
|
Сенкс, в последнее время и я наяал замечать что гаснет не сразу, видимо из-за масляного фильтра (отдал за него аж 30 -35 грн) на вид мне он не очень понравился, но не думал тогда что есть ощутимая разница.
Теперь вижу ЕСТЬ разница.
А вот ДО замены масла - лампа гасла сразу.
_________________ Слой человека в нас чуть-чуть
наслоен зыбко и тревожно;
легко в скотину нас вернуть,
поднять обратно очень сложно.
Skype: Tolik_kv |
|
| Вернуться к началу |
|
 |
Волощук Amico


Возраст: 51 Знак зодиака:  Зарегистрирован: 18.10.2007 Сообщения: 36
|
Добавлено: Пн Апр 07, 2008 18:01 Заголовок сообщения: |
|
|
| только фильтр!!!
|
|
| Вернуться к началу |
|
 |
Dreamer Италофан


Возраст: 53 Знак зодиака:  Зарегистрирован: 25.11.2007 Сообщения: 224 Откуда: Киевская обл.
Авто: Был Doblo Combi 1,4. Будет Fiorino 1,3JTD
|
Добавлено: Пн Апр 07, 2008 18:46 Заголовок сообщения: |
|
|
А сразу, это прямо во время работы стартера?
У меня так: стартер+1сек=гаснет лампа (двиг 1,4)
Хотя в других машинах гасла еще во время работы стартера.
|
|
| Вернуться к началу |
|
 |
george81 Италоманьяк

Возраст: 44 Знак зодиака:  Зарегистрирован: 06.01.2006 Сообщения: 402 Откуда: Кременчуг
Авто: Honda CR-V 2.0 auto 2007, citroen c2
|
Добавлено: Пн Апр 07, 2008 18:51 Заголовок сообщения: |
|
|
у меня тоже не гасла сразу лампа из-за бракованого фильтра(клапан) на моторе 2,0 16v 160.A8.046 после замены все стало на свои места. Однозначно фильтр
_________________ fiat tipo gt 2.0 8v - fiat tipo 2.0 16v abarth - fiat coupe 2.0 16v - fiat uno 1.5 -теперь honda CR-V '07и citroen C2'04 |
|
| Вернуться к началу |
|
 |
ekvator Италолюбитель


Возраст: 67 Знак зодиака:  Зарегистрирован: 09.05.2007 Сообщения: 53 Откуда: Kiev
Авто: FIAT DOBLO 1.9JTD
|
Добавлено: Пн Апр 07, 2008 19:46 Заголовок сообщения: Re: Двигателя ФИАТ |
|
|
Анатолий после остановки двигателя часть масла должна оставаться в верхней части двигателя.Отвечает за это клапан находящийся в м.фильтре.При дефектном фильтре всё масло сливается в потдон.
Прикинь, что при запуске все нагруженые места (шейки коленвала/вкладыши,поршня/цилиндры ,распредвал\корпус распредвала/работают на износ.
Также не исключено ,что забилась сеточка маслоприёмника м.насоса,
подсел м.насос (не выдаёт необходимую производительность),
под редукционный клапан в м.насосе попал мусор или он подклинивает.
Датчик давления масла обычно срабатывает при давлении 0.7 -- 0.9 кг\см2
Для проверки системы можеш выкрутить этот датчик и вместо его вкрутить через переходник проверочный механический манометр.
С уважением Александр
| Описание: |
|
| Размер: |
31.9 KB |
| Просмотрено: |
613 раз(а) |

|
|
|
| Вернуться к началу |
|
 |
Gekko Италофан

Возраст: 47 Знак зодиака:  Зарегистрирован: 24.09.2007 Сообщения: 362 Откуда: Донецк
Авто: Fiat Fiorino 1.3 Mjet 2009
|
Добавлено: Пн Апр 07, 2008 21:59 Заголовок сообщения: |
|
|
| Анатолий писал(а): | Сенкс, в последнее время и я наяал замечать что гаснет не сразу, видимо из-за масляного фильтра (отдал за него аж 30 -35 грн) на вид мне он не очень понравился, но не думал тогда что есть ощутимая разница.
Теперь вижу ЕСТЬ разница.
А вот ДО замены масла - лампа гасла сразу.  |
Та же песня, уже с августа, забил
|
|
| Вернуться к началу |
|
 |
Gekko Италофан

Возраст: 47 Знак зодиака:  Зарегистрирован: 24.09.2007 Сообщения: 362 Откуда: Донецк
Авто: Fiat Fiorino 1.3 Mjet 2009
|
Добавлено: Пн Апр 07, 2008 22:02 Заголовок сообщения: |
|
|
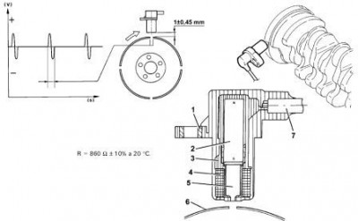
| Кто знает, датчик коленвала в 1,9 D когда снимаешь, должен быть в масле или сухой?
|
|
| Вернуться к началу |
|
 |
hab Италофан

Возраст: 54 Знак зодиака:  Зарегистрирован: 11.04.2007 Сообщения: 357 Откуда: Вост.Каз.область
Авто: Doblo 1,9jtd 2003г.в.
|
Добавлено: Пн Апр 07, 2008 22:39 Заголовок сообщения: |
|
|
| в масле. он внутри блока стоит. я тоже сначала озадачился.
|
|
| Вернуться к началу |
|
 |
ekvator Италолюбитель


Возраст: 67 Знак зодиака:  Зарегистрирован: 09.05.2007 Сообщения: 53 Откуда: Kiev
Авто: FIAT DOBLO 1.9JTD
|
Добавлено: Пн Апр 07, 2008 23:44 Заголовок сообщения: |
|
|
| Gekko писал(а): | | Кто знает, датчик коленвала в 1,9 D когда снимаешь, должен быть в масле или сухой? |
Похоже на 1.9 D он стоит с боку возле К.В. Возможно масло попадает на его .
С уважением Александр
| Описание: |
|
| Размер: |
18.48 KB |
| Просмотрено: |
575 раз(а) |

|
Последний раз редактировалось: ekvator (Вт Апр 08, 2008 20:06), всего редактировалось 2 раз(а) |
|
| Вернуться к началу |
|
 |
Gekko Италофан

Возраст: 47 Знак зодиака:  Зарегистрирован: 24.09.2007 Сообщения: 362 Откуда: Донецк
Авто: Fiat Fiorino 1.3 Mjet 2009
|
Добавлено: Вт Апр 08, 2008 07:46 Заголовок сообщения: |
|
|
| так это нормально или нет, ппросто этих двигов никто не знает, а это важный момент
|
|
| Вернуться к началу |
|
 |
Анатолий Италомафиози


Возраст: 43 Знак зодиака:  Зарегистрирован: 14.08.2006 Сообщения: 1089 Откуда: Бородянка, Киев обл.
Авто: Ford FOCUS(II) SE 1,8D
|
Добавлено: Вт Апр 08, 2008 08:35 Заголовок сообщения: |
|
|
2 ekvator
Спасибо за ликбез.
Манометра нету , увы. Попробую приглядется , скоро масло менять , после посмотрим.
НО фильтр возьмем получше. Кстати фильтр брал на Селении , возле бусик сервиса.
_________________ Слой человека в нас чуть-чуть
наслоен зыбко и тревожно;
легко в скотину нас вернуть,
поднять обратно очень сложно.
Skype: Tolik_kv |
|
| Вернуться к началу |
|
 |
Gulliver54 Италоманьячище


Возраст: 71 Знак зодиака:  Зарегистрирован: 11.12.2005 Сообщения: 1342 Откуда: Киев
Авто: Citroen GP 011
|
Добавлено: Вт Апр 08, 2008 10:40 Заголовок сообщения: |
|
|
| С лампочкой таже история, но соседи экплуатирующие VW Т4 говорят норма. можер это специфика наших двиг.
|
|
| Вернуться к началу |
|
 |
Анатолий Италомафиози


Возраст: 43 Знак зодиака:  Зарегистрирован: 14.08.2006 Сообщения: 1089 Откуда: Бородянка, Киев обл.
Авто: Ford FOCUS(II) SE 1,8D
|
Добавлено: Вт Апр 08, 2008 15:01 Заголовок сообщения: |
|
|
Может быть, сча буду мануалить.
Специально посчитал:
завел двигатель (отключился стартер) +1 сек и гаснет лампа.
Вот так.
_________________ Слой человека в нас чуть-чуть
наслоен зыбко и тревожно;
легко в скотину нас вернуть,
поднять обратно очень сложно.
Skype: Tolik_kv |
|
| Вернуться к началу |
|
 |
|
|
Вы не можете начинать темы Вы не можете отвечать на сообщения Вы не можете редактировать свои сообщения Вы не можете удалять свои сообщения Вы не можете голосовать в опросах Вы не можете присоединять файлы в этом форуме Вы можете скачивать файлы в этом форуме
|
Powered by phpBB © 2001, 2005 phpBB Group
|