Сайт Українського клуба фанів FIAT Український клуб фанів FIAT / CLUB UCRAINO TIFOSO DELLA FIAT

 
ФотогалереяФотогалерея   FAQFAQ   ПоискПоиск   ПользователиПользователи   ГруппыГруппы   РегистрацияРегистрация 
 ПрофильПрофиль   Войти и проверить личные сообщенияВойти и проверить личные сообщения   ВходВход 

сальник кпп на полуоси
На страницу 1, 2  След.
 
Начать новую тему   Ответить на тему    Список форумов Український клуб фанів FIAT / CLUB UCRAINO TIFOSO DELLA FIAT -> FIAT Punto, FIAT Grande Punto, Fiat 500
Предыдущая тема :: Следующая тема  
Автор Сообщение
silent_week
Amico


Amico

Возраст: 38
Знак зодиака: Рыбы
Зарегистрирован: 18.06.2010
Сообщения: 33
Откуда: Ивано-Франковск

Авто: Punto II 1.9 jtd

СообщениеДобавлено: Вс Дек 19, 2010 13:28    Заголовок сообщения: сальник кпп на полуоси Ответить с цитатой

не могу найти в ипере эти сальники к своему пунто, может кто-нибудь находил и скажет где (в ипере)
Вернуться к началу
Посмотреть профиль Отправить личное сообщение
Croma
Италоманьячище


Италоманьячище

Возраст: 68
Знак зодиака: Овен
Зарегистрирован: 30.11.2009
Сообщения: 6091
Откуда: Окупированный Харьков

Авто: Fiat Croma TURBO IE

СообщениеДобавлено: Вс Дек 19, 2010 14:21    Заголовок сообщения: Ответить с цитатой

Подходит?

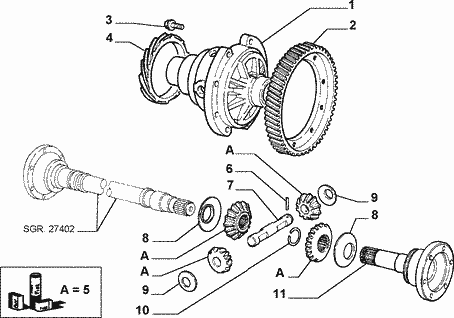
Сборочный узел: 21220/00 - ЗУБЧ. ПЕРЕДАЧИ ДИФФЕРЕНЦИАЛА (Таб:1/2)
№2 40004760
№11 40004830



Punto.jpg
 Описание:
 Размер:  23.73 KB
 Просмотрено:  808 раз(а)

Punto.jpg


Вернуться к началу
Посмотреть профиль Отправить личное сообщение
Qstas
Италоманьячище


Италоманьячище

Возраст: 40
Знак зодиака: Дева
Зарегистрирован: 22.03.2007
Сообщения: 8301
Откуда: Хануд

Авто: Fiat Tipo 1.7D. Scudo 1.9TD

СообщениеДобавлено: Вс Дек 19, 2010 18:00    Заголовок сообщения: Ответить с цитатой

МОЖЕТ ПЫЛЬНИК НУЖЕН.


ПЫЛЬНИК.jpg
 Описание:
 Размер:  80.86 KB
 Просмотрено:  970 раз(а)

ПЫЛЬНИК.jpg



_________________
«Никогда не спорьте с идиотами. Вы опуститесь до их уровня, где они вас задавят своим опытом..»
Марк Твен
Вернуться к началу
Посмотреть профиль Отправить личное сообщение
silent_week
Amico


Amico

Возраст: 38
Знак зодиака: Рыбы
Зарегистрирован: 18.06.2010
Сообщения: 33
Откуда: Ивано-Франковск

Авто: Punto II 1.9 jtd

СообщениеДобавлено: Пн Дек 20, 2010 23:08    Заголовок сообщения: Ответить с цитатой

спасибо, Сroma, но сомневаюсь, уж больно не похож, у меня тоненькие сальники, а тут широкие и, имхо, не там... Я ожидал их увидеть тут


naread1.png
 Описание:
но это не 4
 Размер:  7.48 KB
 Просмотрено:  17042 раз(а)

naread1.png



naread.png
 Описание:
или тут, но это не 8
 Размер:  12.02 KB
 Просмотрено:  698 раз(а)

naread.png


Вернуться к началу
Посмотреть профиль Отправить личное сообщение
silent_week
Amico


Amico

Возраст: 38
Знак зодиака: Рыбы
Зарегистрирован: 18.06.2010
Сообщения: 33
Откуда: Ивано-Франковск

Авто: Punto II 1.9 jtd

СообщениеДобавлено: Пн Дек 20, 2010 23:20    Заголовок сообщения: Ответить с цитатой

придётся, похоже выколупывать их и подбирать по размерам, а хотелось получить пакетики с надписью рикамби оригинал...
Вернуться к началу
Посмотреть профиль Отправить личное сообщение
silent_week
Amico


Amico

Возраст: 38
Знак зодиака: Рыбы
Зарегистрирован: 18.06.2010
Сообщения: 33
Откуда: Ивано-Франковск

Авто: Punto II 1.9 jtd

СообщениеДобавлено: Пн Дек 20, 2010 23:22    Заголовок сообщения: Ответить с цитатой

Спасибо, Qtas! Но пыльника пока не надо.
Вернуться к началу
Посмотреть профиль Отправить личное сообщение
Croma
Италоманьячище


Италоманьячище

Возраст: 68
Знак зодиака: Овен
Зарегистрирован: 30.11.2009
Сообщения: 6091
Откуда: Окупированный Харьков

Авто: Fiat Croma TURBO IE

СообщениеДобавлено: Вт Дек 21, 2010 00:55    Заголовок сообщения: Ответить с цитатой

silent_week писал(а):
придётся, похоже выколупывать их и подбирать по размерам, а хотелось получить пакетики с надписью рикамби оригинал...


Сальник привода правого
40004760
Malo 13427PRD/AC
Corteco 12014825B
Внутренний диаметр, мм 29.8
Внешний диаметр, мм 50
Высота 1, мм 13.5
Высота 2, мм 10

Сальник привода левого
40004830
Malo 13428/PRSA
Corteco 12014824B
Внутренний диаметр, мм 29.8
Внешний диаметр, мм 52
Высота 1, мм 13.5
Высота 2, мм 10

рикамби оригинал - баловство
Я применяю Corteco
Выклупывать сложнее чем кнопки нажимать
http://www.malospa.it http://www.corteco.com/products/online-catalogue/ сверяй сам



Articolo13428PRSA.pdf
 Описание:
Для примера

Скачать
 Имя файла:  Articolo13428PRSA.pdf
 Размер:  199.09 KB
 Загружен:  655 раз(а)

Вернуться к началу
Посмотреть профиль Отправить личное сообщение
silent_week
Amico


Amico

Возраст: 38
Знак зодиака: Рыбы
Зарегистрирован: 18.06.2010
Сообщения: 33
Откуда: Ивано-Франковск

Авто: Punto II 1.9 jtd

СообщениеДобавлено: Сб Дек 25, 2010 19:33    Заголовок сообщения: Ответить с цитатой

Бальшое ПАСИБА, это, похоже, что надо.
Вернуться к началу
Посмотреть профиль Отправить личное сообщение
Croma
Италоманьячище


Италоманьячище

Возраст: 68
Знак зодиака: Овен
Зарегистрирован: 30.11.2009
Сообщения: 6091
Откуда: Окупированный Харьков

Авто: Fiat Croma TURBO IE

СообщениеДобавлено: Вс Дек 26, 2010 03:31    Заголовок сообщения: Ответить с цитатой

silent_week писал(а):
Бальшое ПАСИБА, это, похоже, что надо.


Обрати внимание.
При замене сальников будут демонтированы привода и пром. вал.
Замена смазки в шарнирах весьма полезная процедура.
По результатам осмотра иногда меняю левые на правые.
В подшипнике пром. вала тоже смазку сменить.
Вернуться к началу
Посмотреть профиль Отправить личное сообщение
silent_week
Amico


Amico

Возраст: 38
Знак зодиака: Рыбы
Зарегистрирован: 18.06.2010
Сообщения: 33
Откуда: Ивано-Франковск

Авто: Punto II 1.9 jtd

СообщениеДобавлено: Вт Янв 04, 2011 23:18    Заголовок сообщения: Ответить с цитатой

Спасибо, но меняю смазку шруса при повеждении пыльника и вместе с ним, менять их местами, думаю = увеличить зазоры и гул, хотя можно попробовать. А в подшипнике ессно.
Вернуться к началу
Посмотреть профиль Отправить личное сообщение
Croma
Италоманьячище


Италоманьячище

Возраст: 68
Знак зодиака: Овен
Зарегистрирован: 30.11.2009
Сообщения: 6091
Откуда: Окупированный Харьков

Авто: Fiat Croma TURBO IE

СообщениеДобавлено: Ср Янв 05, 2011 03:23    Заголовок сообщения: Ответить с цитатой

silent_week писал(а):
Спасибо, но меняю смазку шруса при повеждении пыльника и вместе с ним, менять их местами, думаю = увеличить зазоры и гул, хотя можно попробовать. А в подшипнике ессно.


В шарнирах от шариков набиваються лунки.
Вовремя изменить направление вращения=продлить срок службы.
Движение задним ходом дело редкое.
Мощность и соответсвенно крутящий момент в тяговых режимах
значительно больше чем в режиме торможения двигателем.
Представьте давление в цилиндрах при горении бензина и
когда поршни просто сжимают воздух.
Вернуться к началу
Посмотреть профиль Отправить личное сообщение
silent_week
Amico


Amico

Возраст: 38
Знак зодиака: Рыбы
Зарегистрирован: 18.06.2010
Сообщения: 33
Откуда: Ивано-Франковск

Авто: Punto II 1.9 jtd

СообщениеДобавлено: Вс Янв 16, 2011 12:42    Заголовок сообщения: Ответить с цитатой

я более склонен считать, что момент более зависит от величины хода поршня и соотв. плеча кв. Как я понимаю, 2.0 4-цил. двиг. будет моментнее, чем того же объёма 6-цил. при даже небольшой разнице в диам. цил. при том же сжатии. Меньше ход- короче плечо, меньше кр.м-т. Если я верно понял назначение 2 крайних ниж. ваших строк. Просто я уже стар ))), своё отганял )), теперь езжу неспешно, с радостью смотря на расходомер, который всё чаще показывает за городом 24.5-25.4 км/л (на 5-й передаче при 70-80 км/ч), такое время сейчас - экономия. Да и не для гонок понтозавр. Поетому сомневаюсь в существенном прибавлении чувства новизны шрусов, хотя лучше попробовать и тогда смотреть, чем сейчас гадать. В любом случае спасибо.
Вернуться к началу
Посмотреть профиль Отправить личное сообщение
Croma
Италоманьячище


Италоманьячище

Возраст: 68
Знак зодиака: Овен
Зарегистрирован: 30.11.2009
Сообщения: 6091
Откуда: Окупированный Харьков

Авто: Fiat Croma TURBO IE

СообщениеДобавлено: Вс Янв 16, 2011 20:20    Заголовок сообщения: Ответить с цитатой

silent_week
Я обращал внимание на нессиметричность нагрузки на привода.
Откуда и рекомендация на изменение направления вращения.

Фактическая нагрузка ориентировочно считаеться так.
Крутящий момент ДВС умножить на передаточное число первой
передачи, умножить на передаточное число главной передачи.
Привести КГМ к радиусу установки шариков в гранате и разделить
на их количество.
Прикинь. Очень интересные циферки получаються.

Рад, что заинтересовался кинематикой ДВС.
НО. Короче ход, больше диаметр поршня, больше и момент.
Там все самостабилизируеться и практически приводиться
к объему. Ну все остальные факторы и учесть невозможно.

Эконометром лучше вообще не пользоваться.
Он навязывает свой темп движения, который не соответсвует
дорожной обстановке. А в любой системе которая работает на
двух частотах возникают биения. К данному случаю очень подходящее слово. Laughing
Я лично к своей экономии топлива отношусь философски.
Каждому из нас положено сжечь отведенное богом количество
горючего. Моя экономия осталась в прошлом, когда я бочками
переводил его по 5, 10, 15, (и уже не помню) копеек.
Современные цены совсем немного ухудшают этот показатель. Very Happy

"Просто я уже стар ))), своё отганял ))"
Я нагонялся на мотоциклах.
Автомобиль для этого совершенно не пригоден.
Поперечная и продольная раскачка, нессиметричность рабочего места,
вибрации кузова и салона. Случись чего, из этой консервной
банки не выскочишь.
Я действительо на мото чувствовал себя в большей безопасности.
Клаустрофобией не страдаю.
Вернуться к началу
Посмотреть профиль Отправить личное сообщение
silent_week
Amico


Amico

Возраст: 38
Знак зодиака: Рыбы
Зарегистрирован: 18.06.2010
Сообщения: 33
Откуда: Ивано-Франковск

Авто: Punto II 1.9 jtd

СообщениеДобавлено: Сб Янв 22, 2011 16:47    Заголовок сообщения: Ответить с цитатой

момент прибл. 20 кгс
1: 11.141
главная: 2.850
20*11.141*2.85=635 )
пусть радиус 5 см и 8 шариков 635*0.05/8=почти 4 кгс
могу ошибаться
Вернуться к началу
Посмотреть профиль Отправить личное сообщение
Croma
Италоманьячище


Италоманьячище

Возраст: 68
Знак зодиака: Овен
Зарегистрирован: 30.11.2009
Сообщения: 6091
Откуда: Окупированный Харьков

Авто: Fiat Croma TURBO IE

СообщениеДобавлено: Вс Янв 23, 2011 03:06    Заголовок сообщения: Ответить с цитатой

silent_week писал(а):
момент прибл. 20 кгс
1: 11.141
главная: 2.850
20*11.141*2.85=635 )
пусть радиус 5 см и 8 шариков 635*0.05/8=почти 4 кгс
могу ошибаться


Увы! Ошибся.
Разве достаточно 4 кгс что бы авто с места сдвинуть?
Пыльники ты вроде менял. Внутри шарнир видел. Это насчет количества шариков.
Я видел всегда шесть.
1: 11.141 Это непонятная цифра.

Вот примерчик.
момент прибл. 20 кгм( Не КГС а КГМ, Килограмм на метр)
На четвертой всегда близко к единице.
главная: 2.850
радиус 5 см и шесть шариков
На привод на четвертой 20 кгм *2.850*1= 57 кгм
5см в 20 раз меньше метра.
Значит 57 кгм * 20 = 1140 и это уже килограммы
Делим на кол-во шариков 1140/6 = 190 кг
И это на четвертой передаче.
А вот еще умножить на передаточное число первой передачи,
будет еще веселее. Раза в три с половиной.
И незабыть про ударные нагрузки.
Вернуться к началу
Посмотреть профиль Отправить личное сообщение
Показать сообщения:   
Начать новую тему   Ответить на тему    Список форумов Український клуб фанів FIAT / CLUB UCRAINO TIFOSO DELLA FIAT -> FIAT Punto, FIAT Grande Punto, Fiat 500 Часовой пояс: GMT + 3
На страницу 1, 2  След.
Страница 1 из 2

 
Перейти:  
Вы не можете начинать темы
Вы не можете отвечать на сообщения
Вы не можете редактировать свои сообщения
Вы не можете удалять свои сообщения
Вы не можете голосовать в опросах
Вы не можете присоединять файлы в этом форуме
Вы можете скачивать файлы в этом форуме






Powered by phpBB © 2001, 2005 phpBB Group
З питань розміщення реклами писати на цю адресу