 |
Український клуб фанів FIAT / CLUB UCRAINO TIFOSO DELLA FIAT
|
 |
| Предыдущая тема :: Следующая тема |
| Автор |
Сообщение |
Urka Оргкомитет клуба


Возраст: 39 Знак зодиака:  Зарегистрирован: 01.09.2009 Сообщения: 7320 Откуда: Киев, Куреневка-Виноградарь
Авто: Tipo =>FF2 + Uno turbo
|
Добавлено: Вт Ноя 29, 2011 12:31 Заголовок сообщения: |
|
|
у меня походу его нет
_________________ fiat 124-->fiat tipo--> ford focus II + uno turbo
я пью только 2 вида пива: Хугарден и бесплатное©
СТО автохакер ищет механика(Киев) |
|
| Вернуться к началу |
|
 |
F@ust © Италоманьячище


Возраст: 38 Знак зодиака:  Зарегистрирован: 19.10.2006 Сообщения: 13347 Откуда: Киев Оболонь
Авто: мобиль! (с) Якубович
|
Добавлено: Вт Ноя 29, 2011 12:48 Заголовок сообщения: |
|
|
видел ёршик на турбе заводской 99%
по еперу он есть без разделения по турбо-не турбо
|
|
| Вернуться к началу |
|
 |
Croma Италоманьячище


Возраст: 67 Знак зодиака:  Зарегистрирован: 30.11.2009 Сообщения: 6091 Откуда: Окупированный Харьков
Авто: Fiat Croma TURBO IE
|
Добавлено: Вт Ноя 29, 2011 12:48 Заголовок сообщения: |
|
|
| Если в темноте хлопает во впускной коллектор то можно увидеть голубое не пламя.
|
|
| Вернуться к началу |
|
 |
Хрюкин Италоманьячище

Возраст: 55 Знак зодиака:  Зарегистрирован: 21.03.2009 Сообщения: 2975 Откуда: Россия, Нижний Новгород, Автозавод
Авто: SATURN VUE 2.2
|
Добавлено: Вт Ноя 29, 2011 12:55 Заголовок сообщения: |
|
|
| Perepic писал(а): | | ...Там пламени нет и быть не может. |
Может. Сам видел, когда накосячил два года назад на своём двигателе с положением ротора распределителя. Получалось очччень раннее зажигание. На газ нажимаешь- через дроссель валит "хлоп" со вспышкой .
|
|
| Вернуться к началу |
|
 |
Александр Васильевич Италоманьячище

Возраст: 39 Знак зодиака:  Зарегистрирован: 21.05.2007 Сообщения: 17345 Откуда: Одеса
Авто: Фіат Сієна 1.2
|
Добавлено: Вт Ноя 29, 2011 13:04 Заголовок сообщения: |
|
|
Поможет! Вспомните,или посмотрите устройство старой шахтерской керосиновой лампы,горящей в метановой среде.
_________________ Це не набиття постів, це просто моя думка. |
|
| Вернуться к началу |
|
 |
Croma Италоманьячище


Возраст: 67 Знак зодиака:  Зарегистрирован: 30.11.2009 Сообщения: 6091 Откуда: Окупированный Харьков
Авто: Fiat Croma TURBO IE
|
Добавлено: Вт Ноя 29, 2011 14:02 Заголовок сообщения: |
|
|
| F@ust © писал(а): | видел ёршик на турбе заводской 99%
по еперу он есть без разделения по турбо-не турбо |
И где?
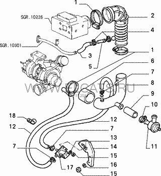
Деталь №3 и левей-правей. Трубка вентиляции картера.
| Описание: |
|
| Размер: |
27.95 KB |
| Просмотрено: |
203 раз(а) |

|
|
|
| Вернуться к началу |
|
 |
Владимир67 Италофан


Возраст: 58 Знак зодиака:  Зарегистрирован: 13.09.2007 Сообщения: 364 Откуда: Калининград
Авто: FIAT Grande Punto 1.2 2007 г.в.
|
Добавлено: Вт Ноя 29, 2011 14:19 Заголовок сообщения: |
|
|
| Perepic писал(а): | | Croma писал(а): | Ершик, как я где то вычитал, это пламегаситель.
Это когда пары бензина в силу всяких обстоятельсв наполнят картер и хлопнет во впускной коллектор.
Ершик будет препятствовать большому взрыву.
|
Там пламени нет и быть не может. Да и ничем ершик не поможет в случае пламени. Это маслоотделитель, чтоб масляная взвесь картерных газов не попадала во впускной коллектор, загрязняя фильтр и дроссель. |
Самое смешное, что этот ершик в одних каталогах зовется маслоотделителем, в других - пламегасителем. Мне кажется более правильным - маслоотделитель
_________________ Владимир |
|
| Вернуться к началу |
|
 |
F@ust © Италоманьячище


Возраст: 38 Знак зодиака:  Зарегистрирован: 19.10.2006 Сообщения: 13347 Откуда: Киев Оболонь
Авто: мобиль! (с) Якубович
|
Добавлено: Вт Ноя 29, 2011 14:33 Заголовок сообщения: |
|
|
Croma
он не в трубку суётся ведь а в шланг от трубки на дроссель
| Описание: |
|
| Размер: |
12.17 KB |
| Просмотрено: |
188 раз(а) |

|
|
|
| Вернуться к началу |
|
 |
Александр Васильевич Италоманьячище

Возраст: 39 Знак зодиака:  Зарегистрирован: 21.05.2007 Сообщения: 17345 Откуда: Одеса
Авто: Фіат Сієна 1.2
|
Добавлено: Вт Ноя 29, 2011 14:43 Заголовок сообщения: |
|
|
И как же ершик масло отделит ?
_________________ Це не набиття постів, це просто моя думка. |
|
| Вернуться к началу |
|
 |
F@ust © Италоманьячище


Возраст: 38 Знак зодиака:  Зарегистрирован: 19.10.2006 Сообщения: 13347 Откуда: Киев Оболонь
Авто: мобиль! (с) Якубович
|
Добавлено: Вт Ноя 29, 2011 14:49 Заголовок сообщения: |
|
|
не масло а угар
ну и масло частично тоже
ключевое слово "частично"
|
|
| Вернуться к началу |
|
 |
Croma Италоманьячище


Возраст: 67 Знак зодиака:  Зарегистрирован: 30.11.2009 Сообщения: 6091 Откуда: Окупированный Харьков
Авто: Fiat Croma TURBO IE
|
Добавлено: Ср Ноя 30, 2011 10:18 Заголовок сообщения: |
|
|
| F@ust © писал(а): | Croma
он не в трубку суётся ведь а в шланг от трубки на дроссель |
Может в нетурбовых и так.
Да в Турбо к дросселю ветиляцию не подключить.
Дроссель находиться под действием давления наддува и соответсвенно через вентиляцию будет надувать двигатель.
Как бы поддон не оторвало.
Щуп так точно выплевывать будет.
На картинке что я выложил, то что у меня под капотом.
Вентиляция подключенна за расходомером и перед турбиной.
Там всегда будет разрежение.
|
|
| Вернуться к началу |
|
 |
Александр Васильевич Италоманьячище

Возраст: 39 Знак зодиака:  Зарегистрирован: 21.05.2007 Сообщения: 17345 Откуда: Одеса
Авто: Фіат Сієна 1.2
|
Добавлено: Ср Ноя 30, 2011 10:20 Заголовок сообщения: |
|
|
На моей ершик запихнут в торчащий сверху ГБЦ мет. патрубок,на который надета резиновая труба вентиляции.
_________________ Це не набиття постів, це просто моя думка. |
|
| Вернуться к началу |
|
 |
|
|
Вы не можете начинать темы Вы не можете отвечать на сообщения Вы не можете редактировать свои сообщения Вы не можете удалять свои сообщения Вы не можете голосовать в опросах Вы не можете присоединять файлы в этом форуме Вы можете скачивать файлы в этом форуме
|
Powered by phpBB © 2001, 2005 phpBB Group
|